GM Service Manual Online
For 1990-2009 cars only
Makes
🢒
Buick
🢒
2005
🢒
Park Avenue
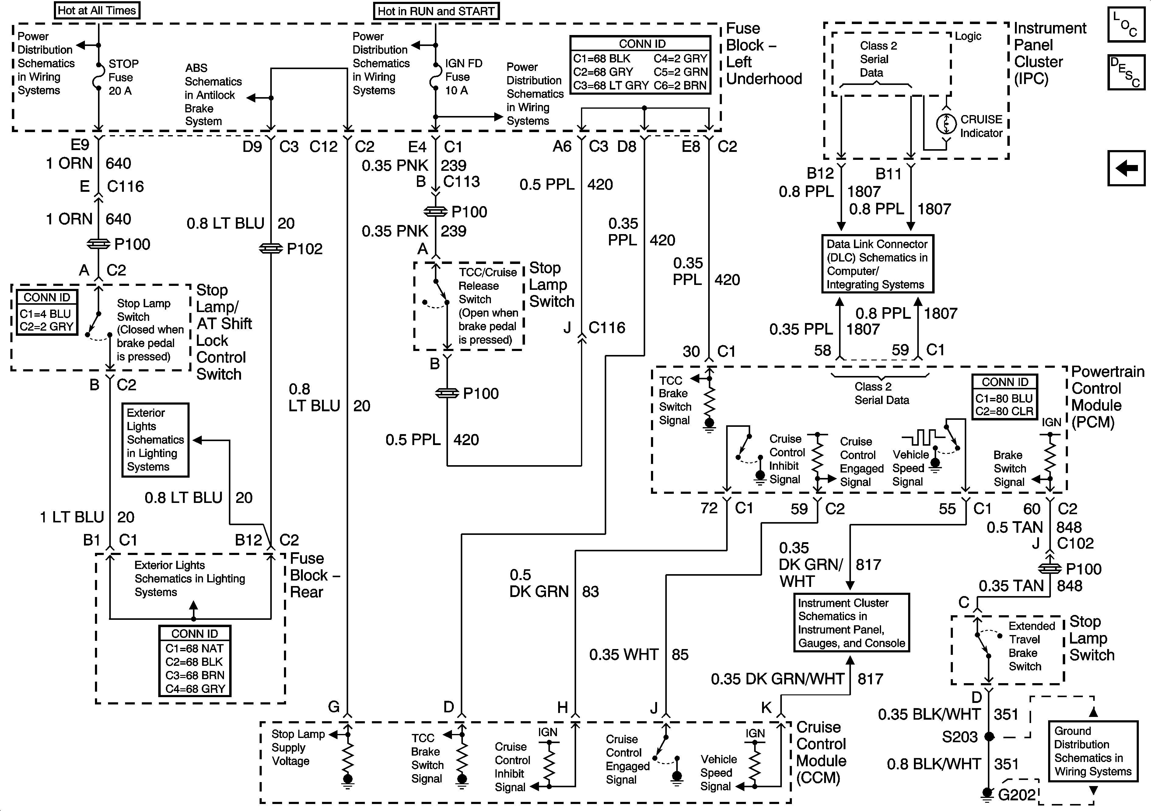
🢒 Brake Pedal Switches and Indicator
Brake Pedal Switches and Indicator
Brake Pedal Switches and Indicator
Master Electrical Component List
Cruise Control Description and Operation
Turn Signal/Multifunction Switch
Battery Feed to Left and Right Underhood Fuse Blocks
Battery Feed to Left and Right Underhood Fuse Blocks
Battery Feed to Left and Right Underhood Fuse Blocks
Indicators and Stop Lamp Switch
Stop Lamps
Stop Lamps
Class 2 Serial Data Lines
Gages