GM Service Manual Online
For 1990-2009 cars only
Makes
🢒
Buick
🢒
2005
🢒
Park Avenue
🢒 Audible Warning Schematics
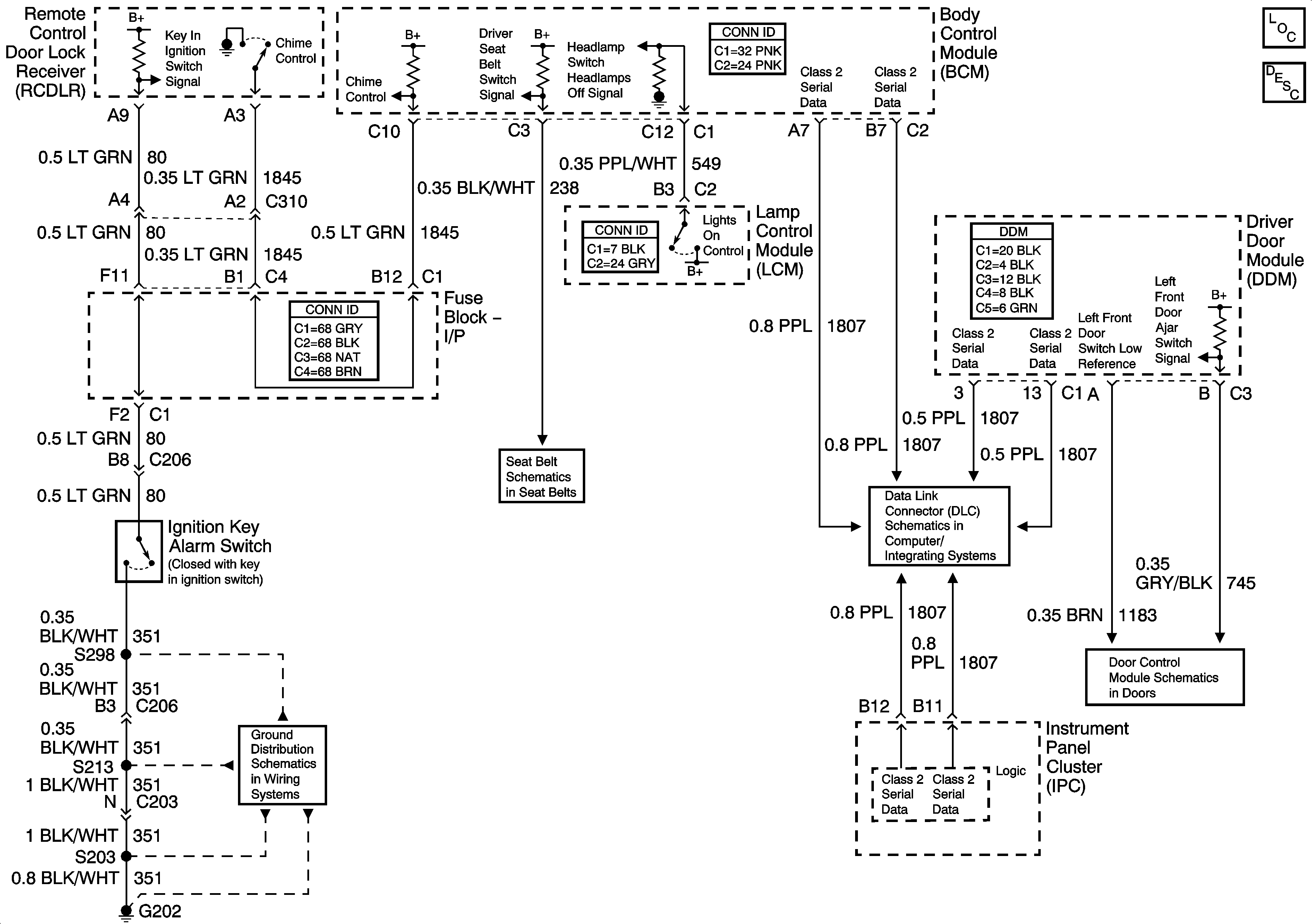
Audible Warning Schematics
Master Electrical Component List
Audible Warnings Description and Operation
G202 - 1 of 4
Seat Belt Schematics
Class 2 Serial Data Lines
Driver Door Module Inputs and Outputs