GM Service Manual Online
For 1990-2009 cars only
Makes
🢒
Buick
🢒
2005
🢒
Park Avenue
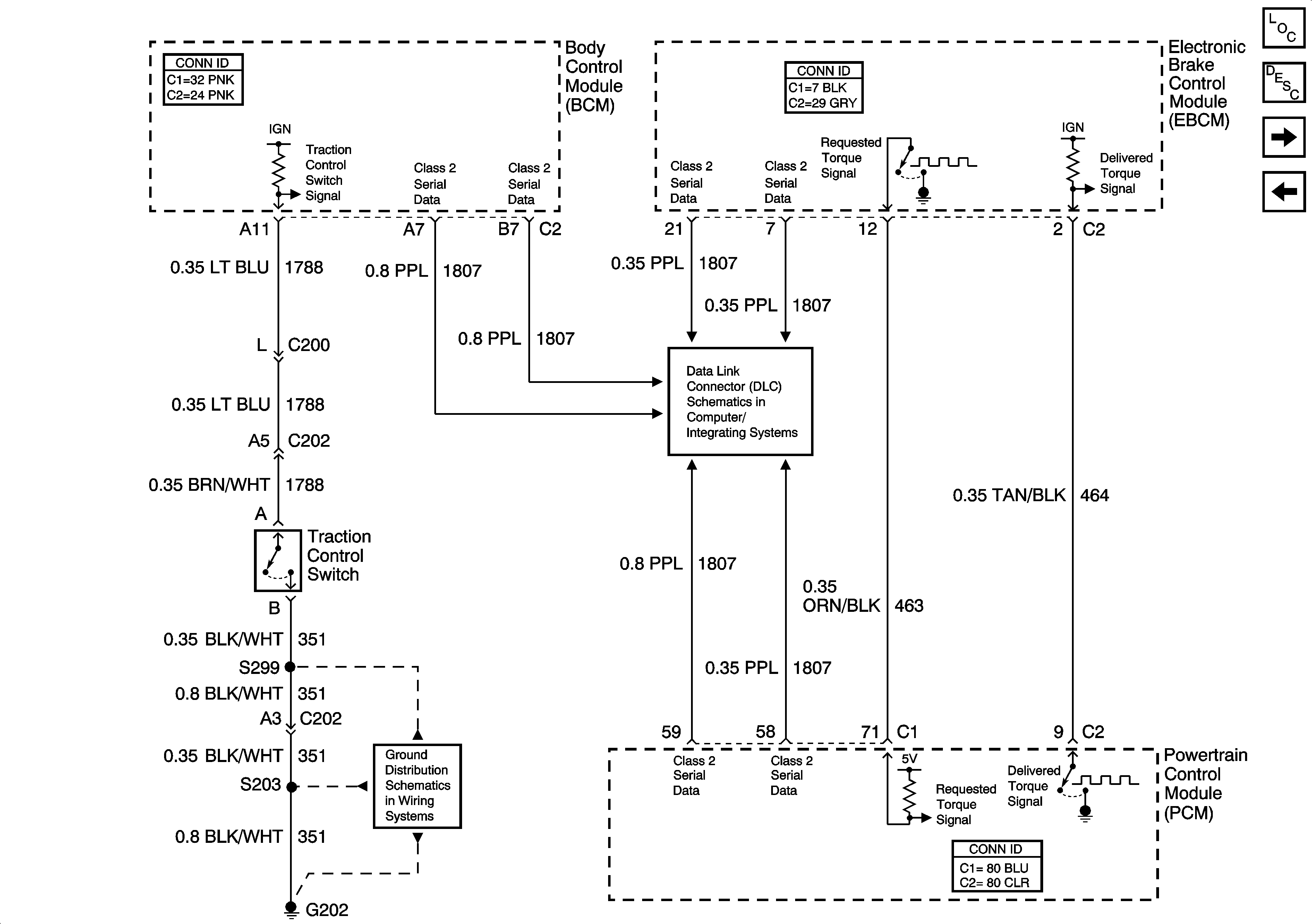
🢒 Traction Control (w/NW9) and Variable Effort Steering (w/ NV8)
Traction Control (w/NW9) and Variable Effort Steering (w/ NV8)
Traction Control (w/NW9) and Variable Effort Steering (w/NV8)
Master Electrical Component List
ABS Description and Operation
Indicators and Stop Lamp Switch
Vehicle Stability Enhancement System (w/ JL4)
G202 - 1 of 4
Class 2 Serial Data Lines