GM Service Manual Online
For 1990-2009 cars only
Makes
🢒
Buick
🢒
2005
🢒
Park Avenue
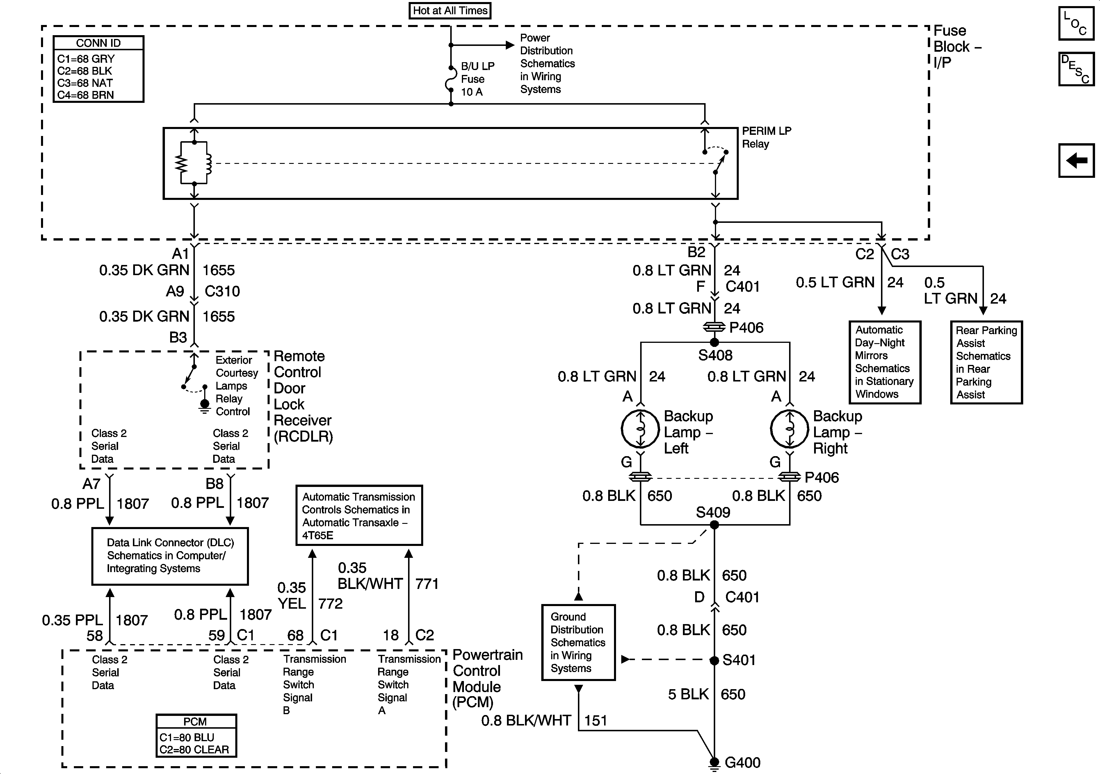
🢒 Backup Lamps
Backup Lamps
Backup Lamps
Master Electrical Component List
Exterior Lighting Systems Description and Operation
Stop Lamps
ABS, PCM, HZDT/SG, F/PMP, LP PK and B/U LAMP Fuses
Inside Rearview Mirror Schematics
Power and Ground
Class 2 Serial Data Lines
G400 - 1 of 2
VSS and IMS