GM Service Manual Online
For 1990-2009 cars only
Makes
🢒
Buick
🢒
2005
🢒
Park Avenue
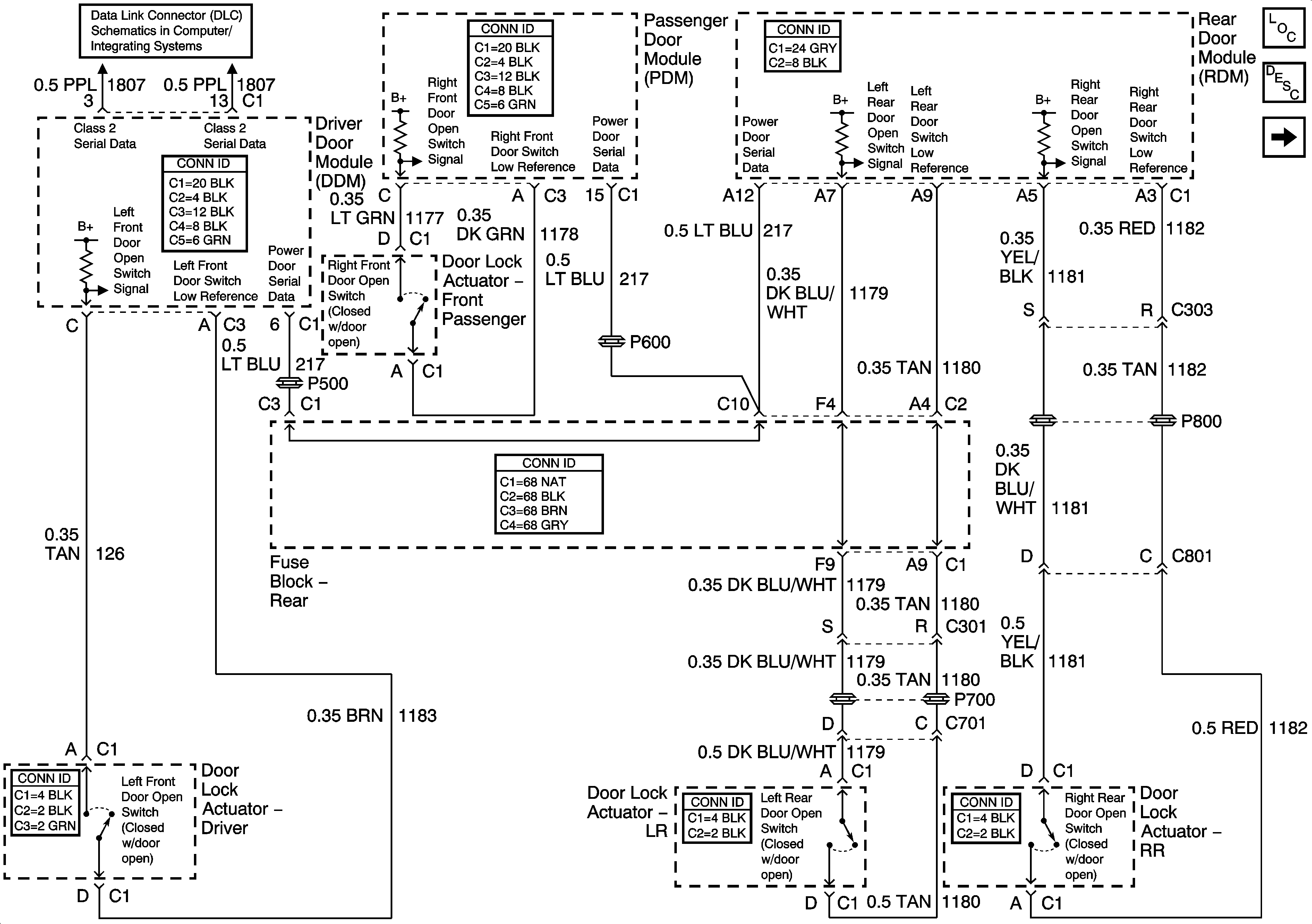
🢒 Door Open Inputs
Door Open Inputs
Door Open Inputs
Master Electrical Component List
Interior Lighting Systems Description and Operation
Courtesy Lamp Switch, Left Door Courtesy Lamps, and I/P Compartment Lamp
Class 2 Serial Data Lines