GM Service Manual Online
For 1990-2009 cars only
Figure 1:

Module Power, Ground Serial Data, and MIL


Object Number: 1747732  Size: FS
Master Electrical Component List
Powertrain Control Module Description
Control Module References
Underhood Fuse Block - PWR/TRN Relay
B+ Bus - Underhood Fuse Block
`AIR PUMP, EAP, ECM, HDM, HI HEADLAMP - LT, HI HEADLAMP - RT, IGN COILS, LO HEADLAMP - LT, LO HEADLAMP - RT, PCM B AND TBC I Fuses
AIR SOL and PCMI Fuses - 4.2L
Ignition Switch - ACCY/RUN, RUN/START Bus Bars and IGN B Fuse
BCK/UP, BTSI, IGN E, TBC IGN 1, and TRLR BCK/UP Fuses
Ignition Switch - ACCY/RUN/START, RUN, and START Bus Bars, IGN A and CRNK Fuses
FRT WPR, IGN 0, RAIN, TBC ACC, TBC IG, and TCM Fuses
AIR SOL and PCMI Fuses - 4.2L
BCK/UP, BTSI, IGN E, TBC IGN 1, and TRLR BCK/UP Fuses
Power, Ground, Serial Data, and MIL
FRT WPR, IGN 0, RAIN, TBC ACC, TBC IG, and TCM Fuses
G108
SP205
Figure 2:

Underhood Fuse Block - PWR/TRN Relay


Object Number: 1747733  Size: FS
Master Electrical Component List
Powertrain Control Module Description
Control Module References
Engine Data Sensors - 5-Volt and Low Reference
Module Power, Ground, Serial Data, and MIL
B+ Bus - Underhood Fuse Block
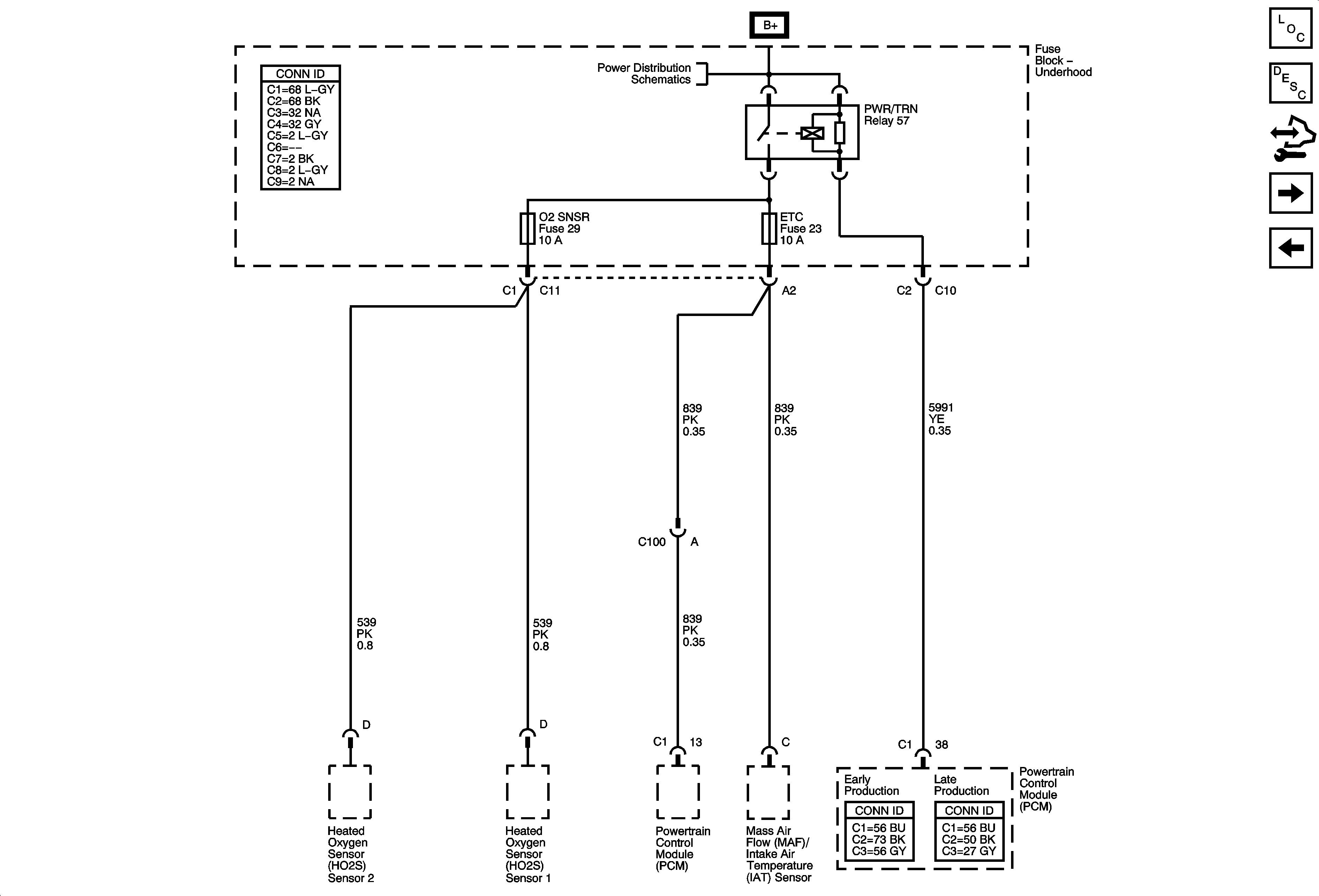
Figure 3:

Engine Data Sensors - 5-Volt and Low Reference


Object Number: 1747735  Size: FS
Master Electrical Component List
Powertrain Control Module Description
Control Module References
Engine Data Sensors - Pressure and Temperature
Underhood Fuse Block - PWR/TRN Relay
Figure 4:

Engine Data Sensors - Pressure and Temperature


Object Number: 1747737  Size: FS
Master Electrical Component List
Air Intake System Description
Control Module References
Engine Data Sensors - Oxygen Sensors
Engine Data Sensors - 5-Volt and Low Reference
Underhood Fuse Block - PWR/TRN Relay
ETC and O2 SNSR Fuses - 4.2L
Gages
G108
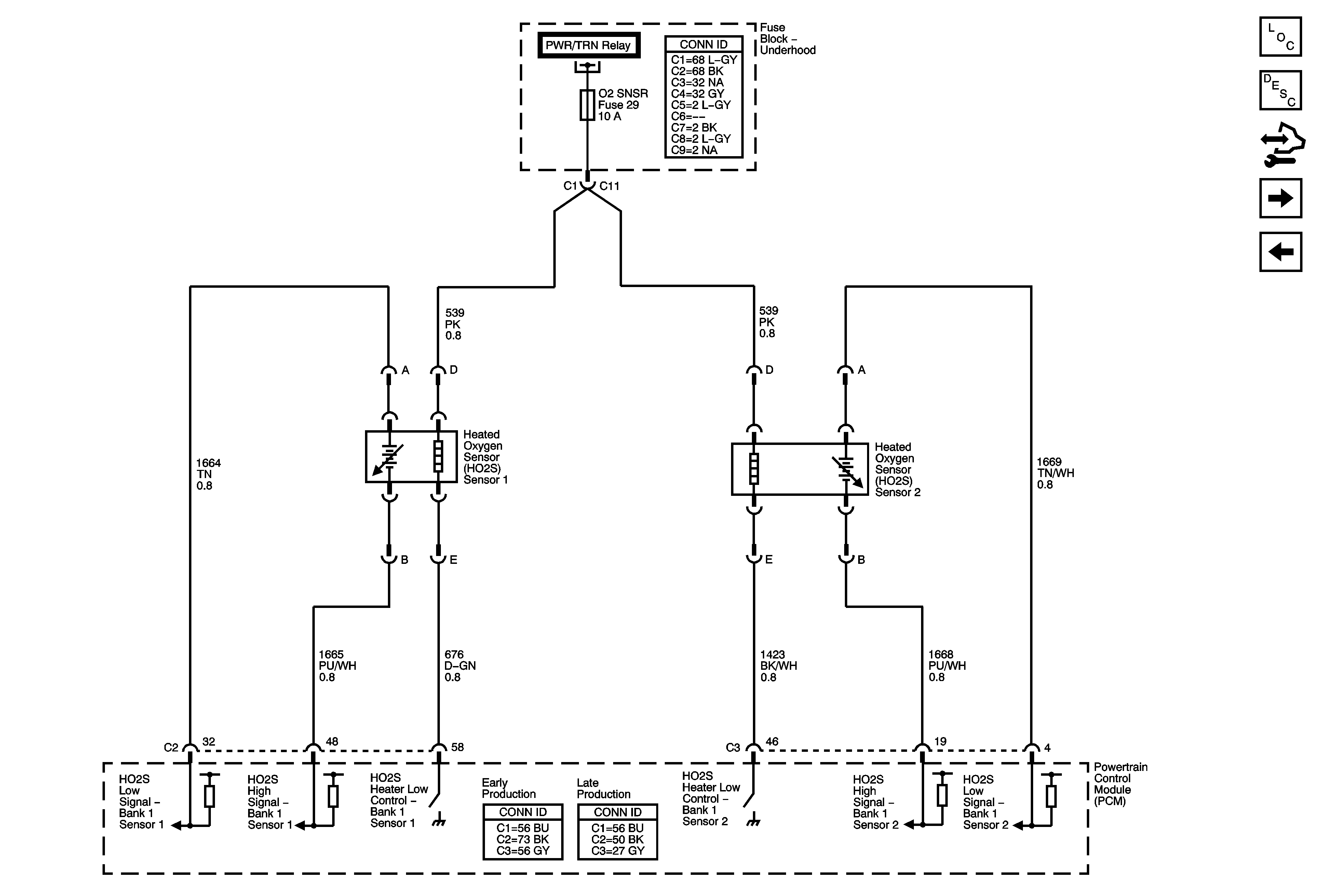
Figure 5:

Engine Data Sensors - Oxygen Sensors


Object Number: 1747741  Size: FS
Master Electrical Component List
Fuel System Description
Control Module References
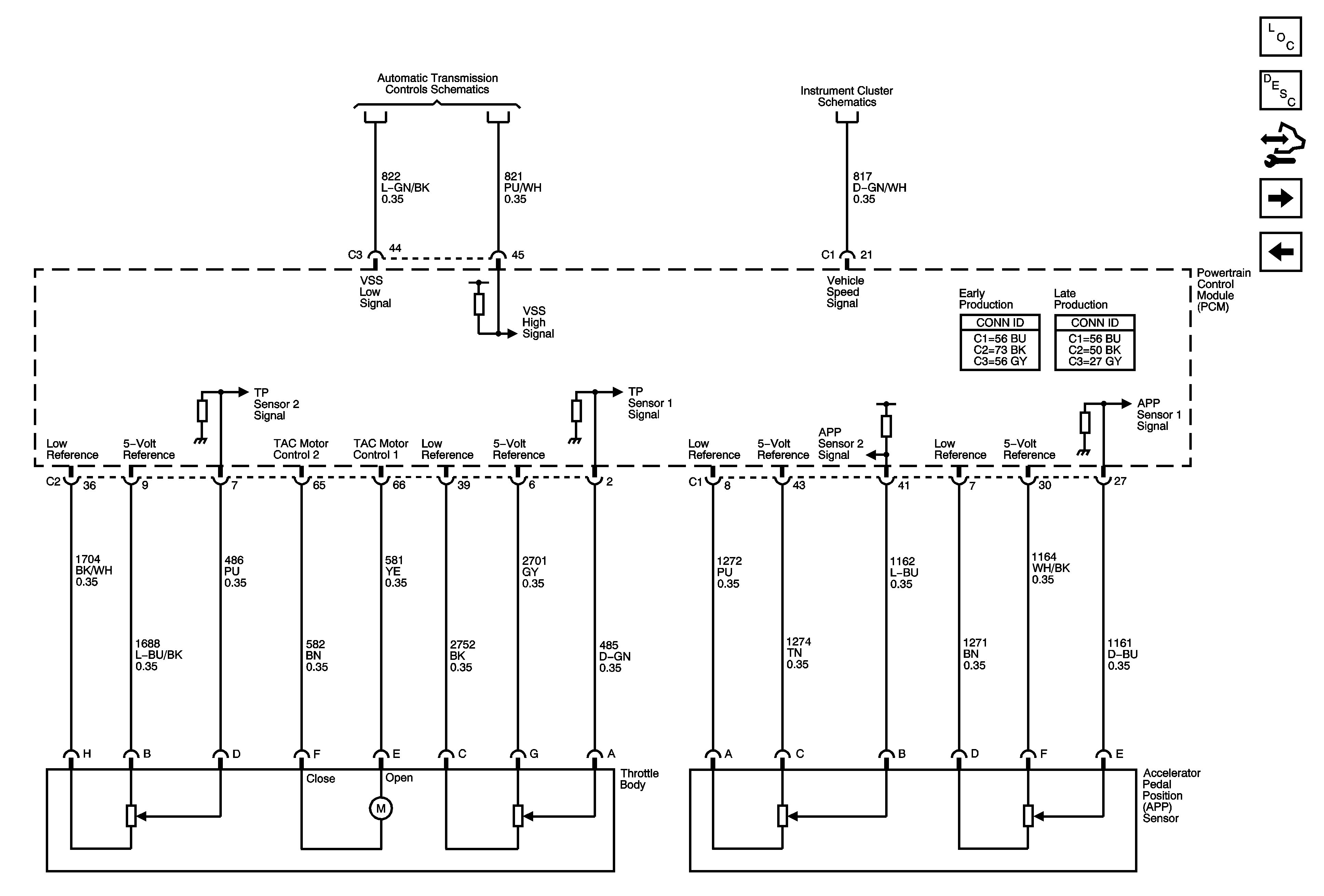
Engine Data Sensors - Throttle Actuator Control and VSS
Engine Data Sensors - Pressure and Temperature
ETC and O2 SNSR Fuses - 4.2L
Figure 6:

Engine Data Sensors - Throttle Actuator Control and VSS


Object Number: 1747742  Size: FS
Master Electrical Component List
Throttle Actuator Control (TAC) System Description
Control Module References
Ignition Controls - Ignition Coils
Engine Data Sensors - Oxygen Sensors
Pressure Controls, Temperature, and VSS
Gages
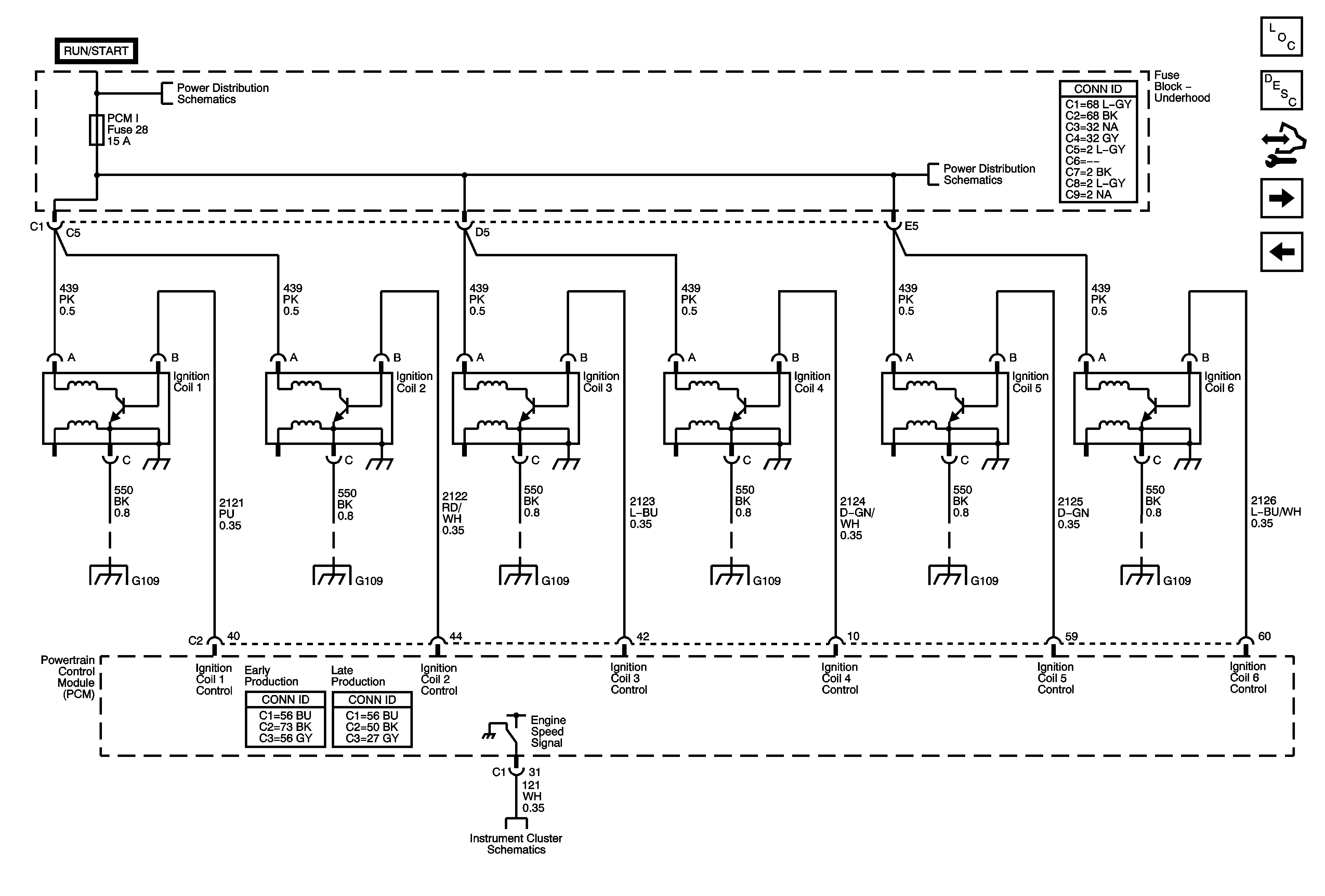
Figure 7:

Ignition Controls - Ignition Coils


Object Number: 1747745  Size: FS
Master Electrical Component List
Electronic Ignition (EI) System Description
Control Module References
Ignition Controls - Sensors
Engine Data Sensors - Throttle Actuator Control and VSS
AIR SOL and PCMI Fuses - 4.2L
G109
G109
G109
G109
G109
G109
Gages
Figure 8:

Ignition Controls - Sensors


Object Number: 1747746  Size: FS
Master Electrical Component List
Electronic Ignition (EI) System Description
Control Module References
Fuel Controls - Fuel Pump and Fuel Injectors
Ignition Controls - Ignition Coils
Engine Controls Schematic Icons
Engine Controls Schematic Icons
Figure 9:

Fuel Controls - Fuel Pump and Fuel Injectors


Object Number: 1747748  Size: FS
Master Electrical Component List
Fuel System Description
Control Module References
Fuel Controls - EVAP Controls
Ignition Controls - Sensors
Ignition Switch - ACCY/RUN, RUN/START Bus Bars and IGN B Fuse
AIR SOL and PCMI Fuses - 4.2L
B+ Bus - Underhood Fuse Block
`AIR PUMP, EAP, ECM, HDM, HI HEADLAMP - LT, HI HEADLAMP - RT, IGN COILS, LO HEADLAMP - LT, LO HEADLAMP - RT, PCM B AND TBC I Fuses
G104, G105, and G107
AIR SOL and PCMI Fuses - 4.2L
Fuel Gage
G201 - 2 of 2, and G305
Figure 10:

Fuel Controls - EVAP Controls


Object Number: 1747751  Size: FS
Master Electrical Component List
Evaporative Emission Control System Description
Control Module References
Device Controls - K18
Fuel Controls - Fuel Pump and Fuel Injectors
B+ Bus - Underhood Fuse Block
AUX PWR 1, RR HVAC, SUNROOF, TBC 2, TBC 3, TBC 4, TBC 5, and TCM CNSTR Fuses
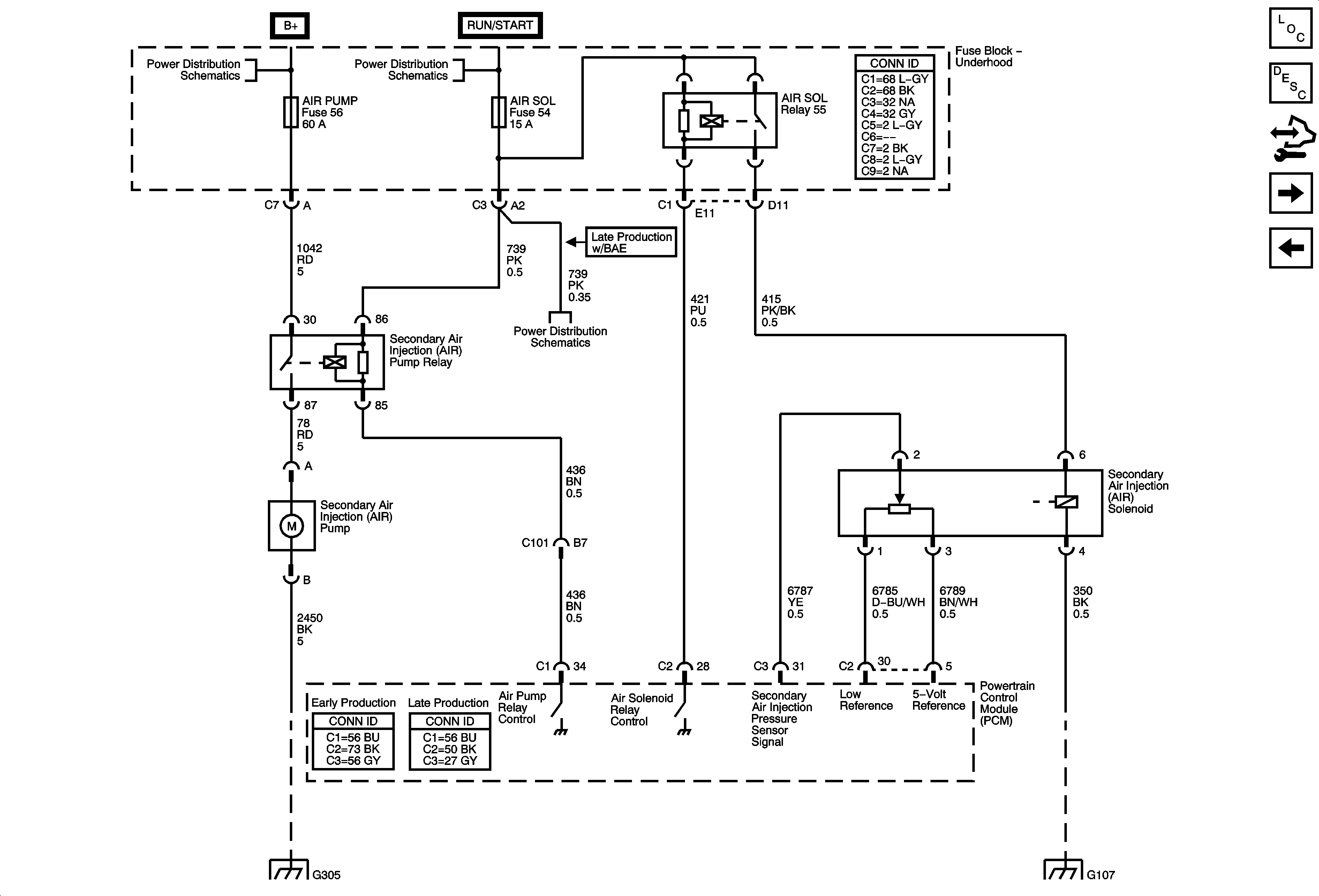
Figure 11:

Device Controls - K18


Object Number: 1747752  Size: FS
Master Electrical Component List
Secondary Air Injection System Description
Control Module References
Controlled/Monitored Subsystem References
Fuel Controls - EVAP Controls
B+ Bus - Underhood Fuse Block
Ignition Switch - ACCY/RUN, RUN/START Bus Bars and IGN B Fuse
G201 - 2 of 2, and G305
G104, G105, and G107
AIR SOL and PCMI Fuses - 4.2L
Figure 12:

Controlled/Monitored Subsystem References


Object Number: 1747753  Size: FS
Master Electrical Component List
Powertrain Control Module Description
Control Module References
Transmission Control References - A/T
Device Controls - K18
Compressor Controls
Compressor Controls
Cruise Control Schematics
Starting System
Charging System
Gages
Power, Ground, Serial Data, and Transfer Case Encoder Motor
Engine Cooling Schematics
EBCM Power, Ground, Serial Data, Indicator, and Signal Circuits
Figure 13:

Transmission Control References - A/T


Object Number: 1747754  Size: FS
Master Electrical Component List
Powertrain Control Module Description
Control Module References
Controlled/Monitored Subsystem References
Shift Controls and Stop Lamp Switch
Pressure Controls, Temperature, and VSS
EBCM Power, Ground, Serial Data, Indicator, and Signal Circuits
PNP Switch, 4WD Signal, Serial Data, and Indicator