GM Service Manual Online
For 1990-2009 cars only
Makes
🢒
Buick
🢒
2007
🢒
Rainier
🢒
Driver Information and Entertainment
🢒
Cellular, Entertainment, and Navigation
🢒 Radio/Navigation System Schematics
Figure
1:
Power, Ground, Serial Data, and Digital Radio Receiver
Master Electrical Component List
Radio/Audio System Description and Operation
Control Module References
Base Radio - w/o Rear Seat Audio Controls
B+ Bus - Rear Fuse Block
Gages
Video System Schematics
Video System Schematics
Entertainment/Communication Schematic Icons
Video System Schematics
SP205
G102
Figure
2:
Base Radio - w/o Rear Seat Audio Controls
Master Electrical Component List
Radio/Audio System Description and Operation
Control Module References
Base Radio - w/Rear Seat Audio Controls
Power, Ground, Serial Data, and Digital Radio Receiver
Entertainment/Communication Schematic Icons
Entertainment/Communication Schematic Icons
Figure
3:
Base Radio - w/Rear Seat Audio Controls
Master Electrical Component List
Radio/Audio System Description and Operation
Control Module References
Audio Amplifier Power, Grounds, and Premium Radio Low Level Audio Outputs w/o Rear Seat Audio Controls
Base Radio - w/o Rear Seat Audio Controls
B+ Bus - Rear Fuse Block
SP205
Entertainment/Communication Schematic Icons
Entertainment/Communication Schematic Icons
Entertainment/Communication Schematic Icons
Figure
4:
Audio Amplifier Power, Grounds, and Premium Radio Low Level Audio Outputs w/o Rear Seat Audio Controls
Master Electrical Component List
Radio/Audio System Description and Operation
Control Module References
Audio Amplifier Power, Grounds, and Premium Radio Low Level Audio Outputs w/Rear Seat Audio Controls
Base Radio - w/Rear Seat Audio Controls
B+ Bus - Rear Fuse Block
Entertainment/Communication Schematic Icons
Entertainment/Communication Schematic Icons
G102
G401, G402, and G403
Figure
5:
Audio Amplifier Power, Grounds, and Premium Radio Low Level Audio Outputs w/Rear Seat Audio Controls
Master Electrical Component List
Radio/Audio System Description and Operation
Control Module References
Premium Radio Amplifier Outputs
Audio Amplifier Power, Grounds, and Premium Radio Low Level Audio Outputs w/o Rear Seat Audio Controls
B+ Bus - Rear Fuse Block
Entertainment/Communication Schematic Icons
Entertainment/Communication Schematic Icons
HVAC B, LGM/DSM, OH BATT/ONSTAR, and RADIO Fuses
G102
Entertainment/Communication Schematic Icons
SP205
G201 - 1 of 2
Entertainment/Communication Schematic Icons
Entertainment/Communication Schematic Icons
G401, G402, and G403
Figure
6:
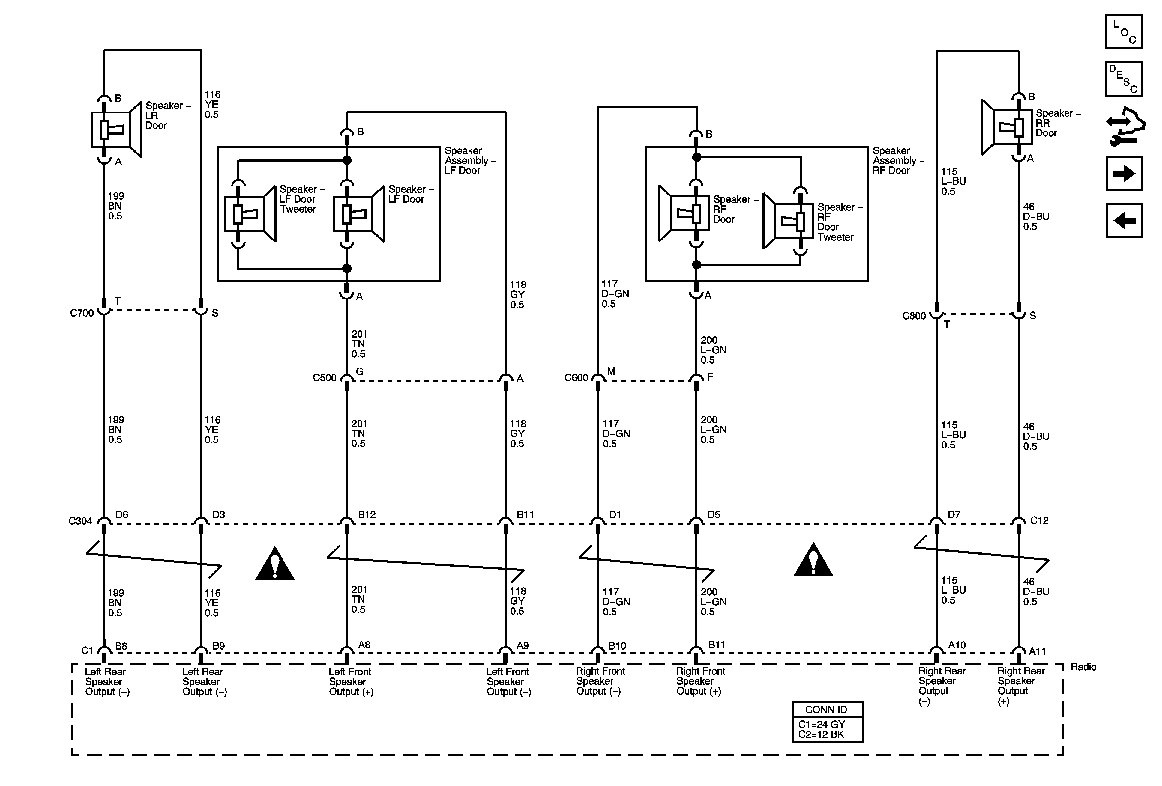
Premium Radio Amplifier Outputs
Master Electrical Component List
Radio/Audio System Description and Operation
Control Module References
Steering Wheel Controls - STW
Audio Amplifier Power, Grounds, and Premium Radio Low Level Audio Outputs w/Rear Seat Audio Controls
Entertainment/Communication Schematic Icons
Entertainment/Communication Schematic Icons
Entertainment/Communication Schematic Icons
Entertainment/Communication Schematic Icons
Figure
7:
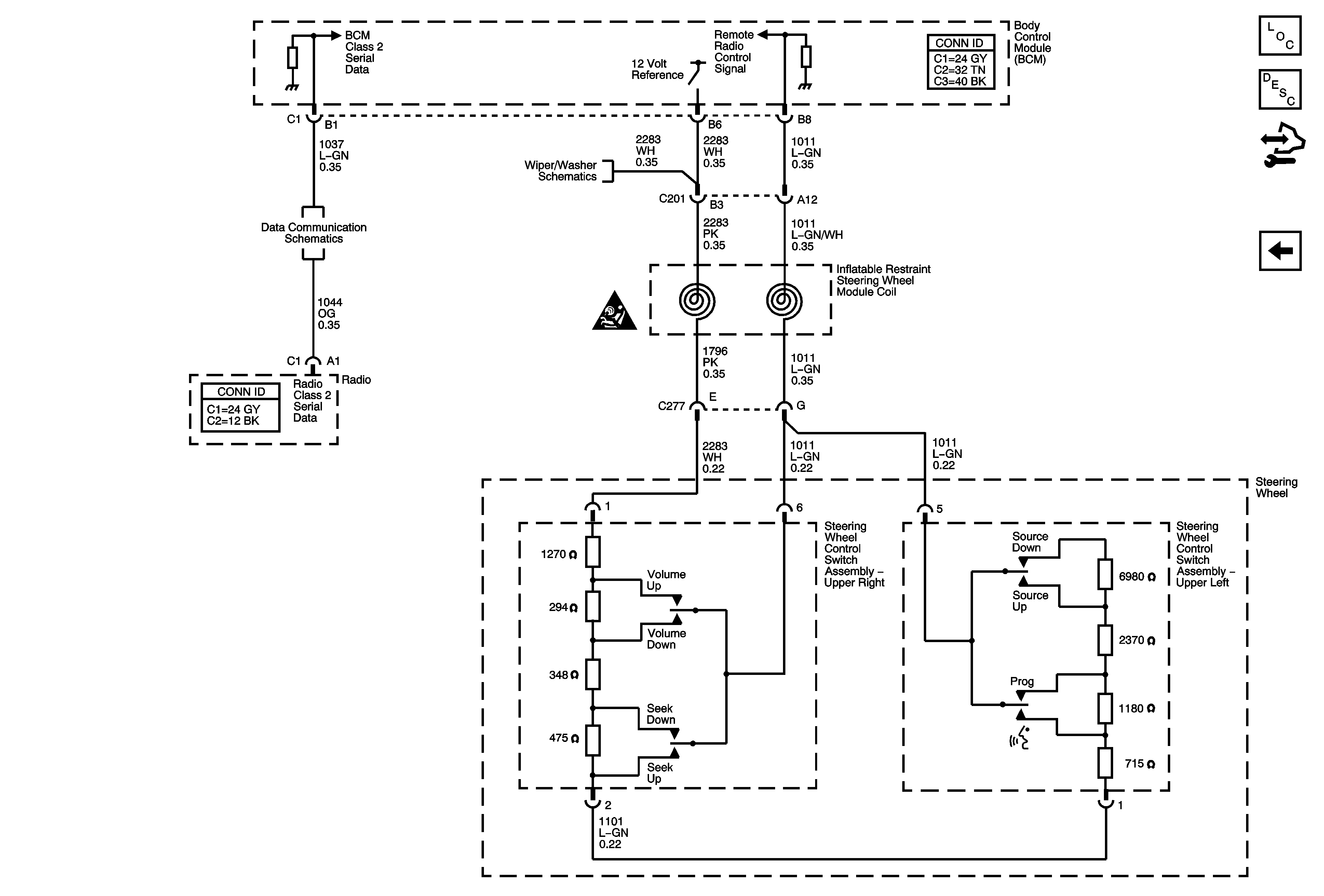
Steering Wheel Controls - STW
Master Electrical Component List
Radio/Audio System Description and Operation
Control Module References
Premium Radio Amplifier Outputs
Rear Wiper/Washer Controls
SP205
Entertainment/Communication Schematic Icons