GM Service Manual Online
For 1990-2009 cars only
Figure 1:

Power Seat Controls w/o Memory


Object Number: 1337282  Size: FS
Master Electrical Component List
Power Seats System Description and Operation
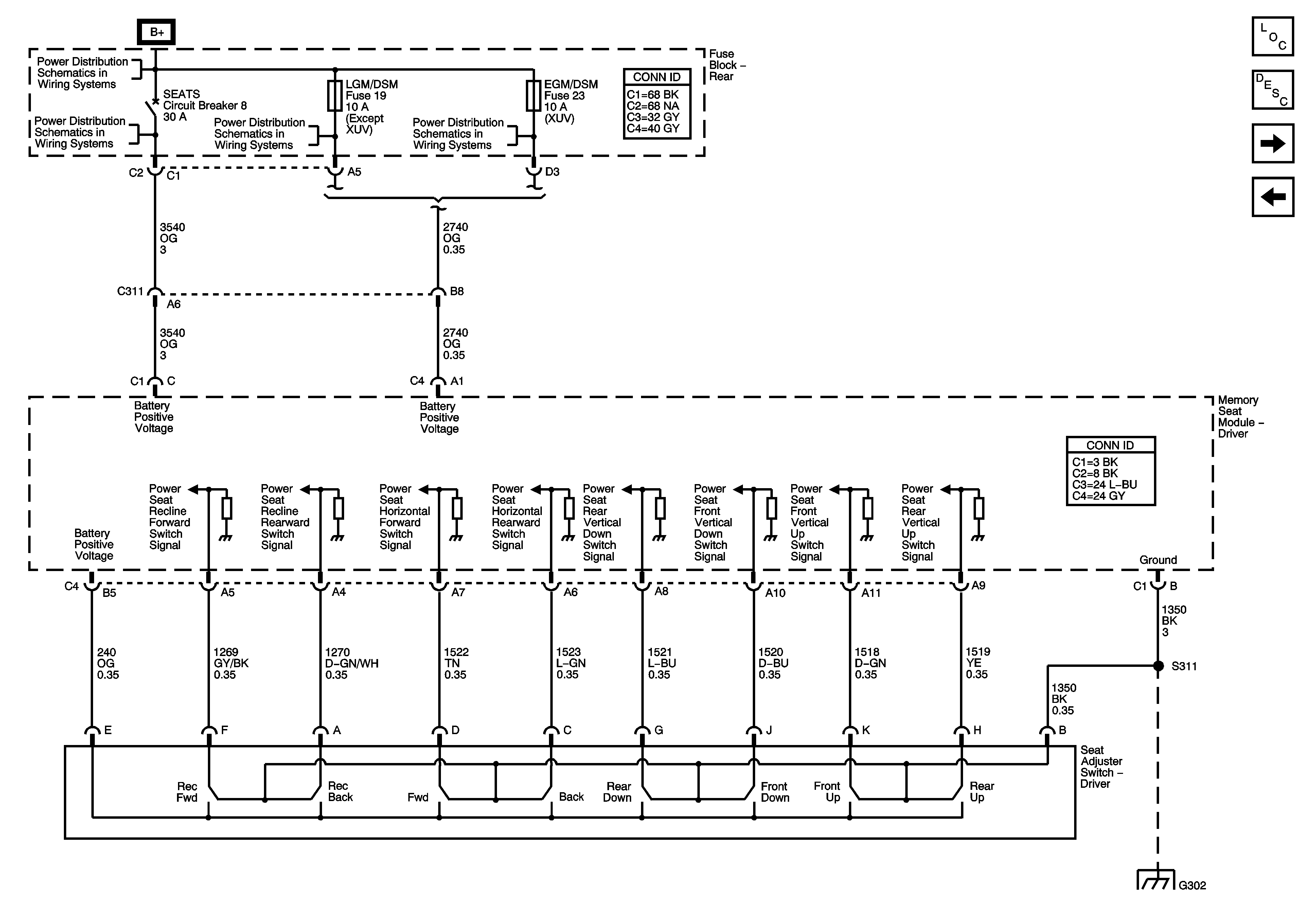
Power Seat Controls w/Memory - Power, Ground, and Switch Controls
B+ Bus - Rear Fuse Block
Power Seat Controls
Lumbar Controls w/o Memory
G302 - 1 of 2, G303, and G304
Figure 2:

Power Seat Controls w/Memory - Power, Ground, and Switch Controls


Object Number: 1337284  Size: FS
Master Electrical Component List
Power Seats System Description and Operation
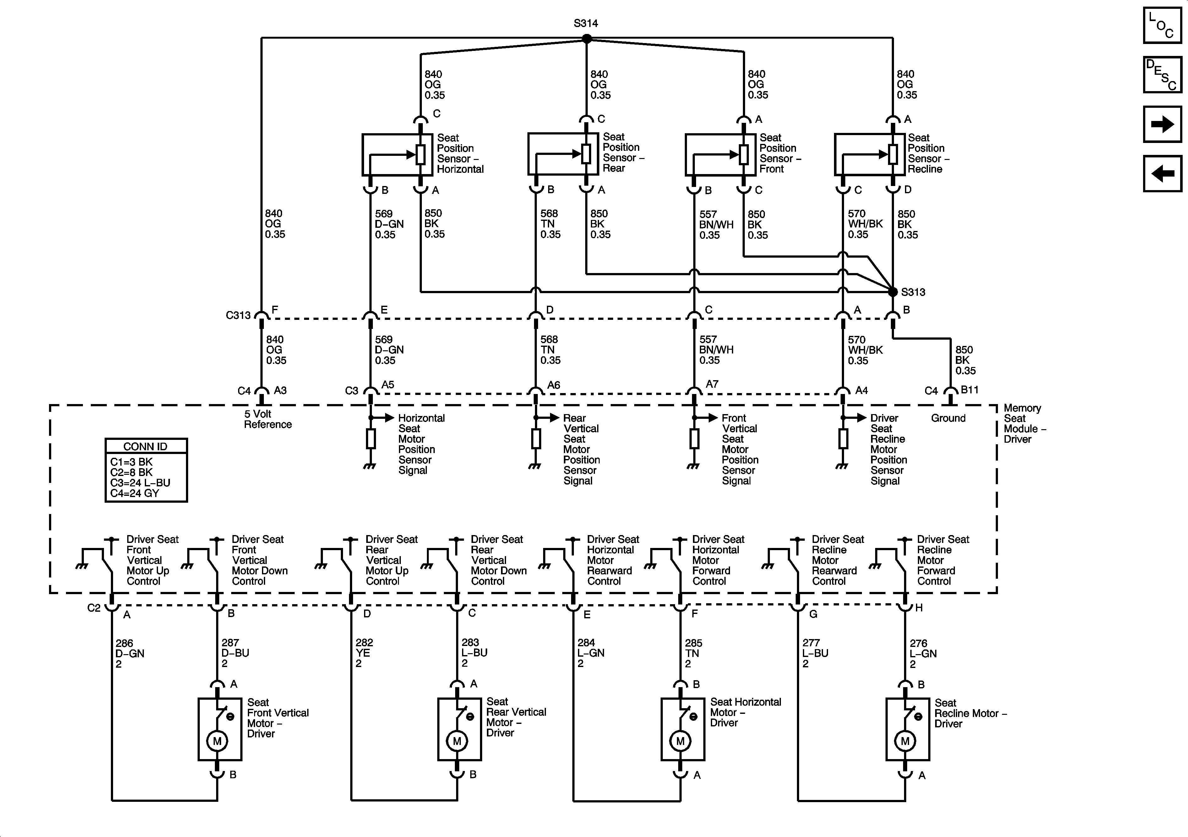
Power Seat Controls w/Memory - Motors and Position Sensors
Power Seat Controls w/o Memory
B+ Bus - Rear Fuse Block
DDM, PDM, AMP Fuses, SEATS, LT DOORS, RT DOORS Circuit Breakers
LGM/DSM, OH BATT/ONSTAR, RADIO, and HVAC B Fuses
ROOF, PWR LATCH, EGM #2, and EGM/DSM Fuses, and ROOF REG, MIDGATE REG, and ENDGLASS REG Circuit Breakers - XUV
G302 - 1 of 2, G303, and G304
Figure 3:

Power Seat Controls w/Memory - Motors and Position Sensors


Object Number: 1337286  Size: FS
Master Electrical Component List
Power Seats System Description and Operation
Lumbar Controls w/o Memory
Power Seat Controls w/Memory - Power, Ground, and Switch Controls
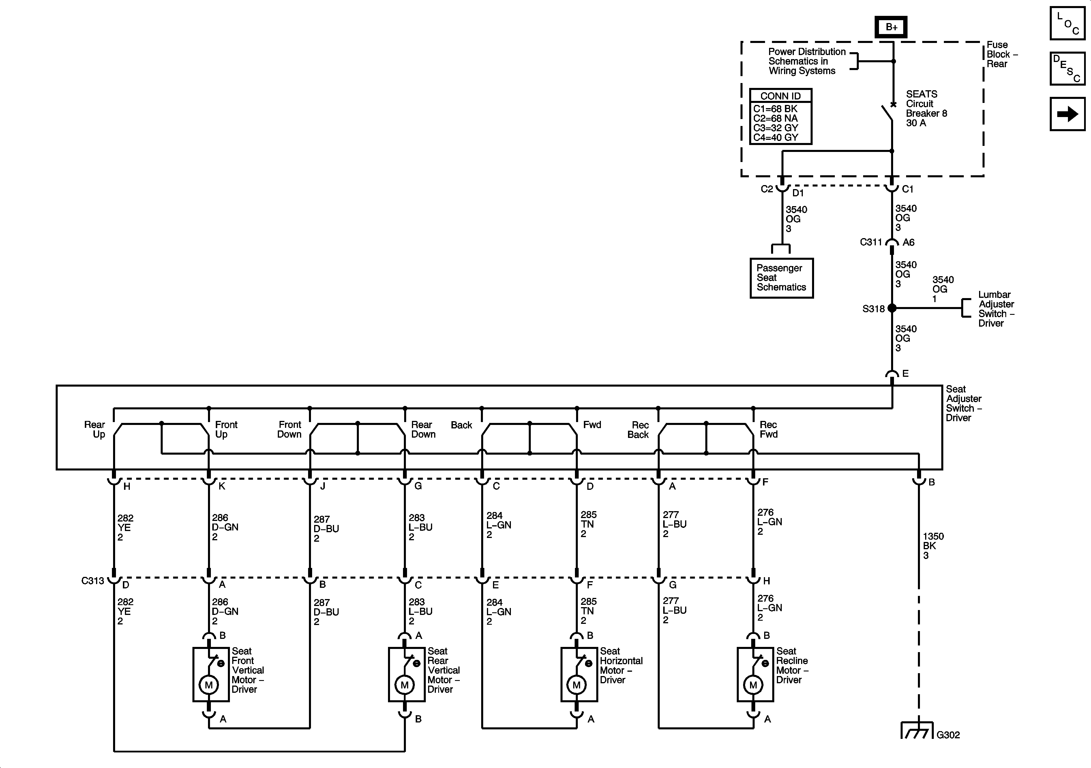
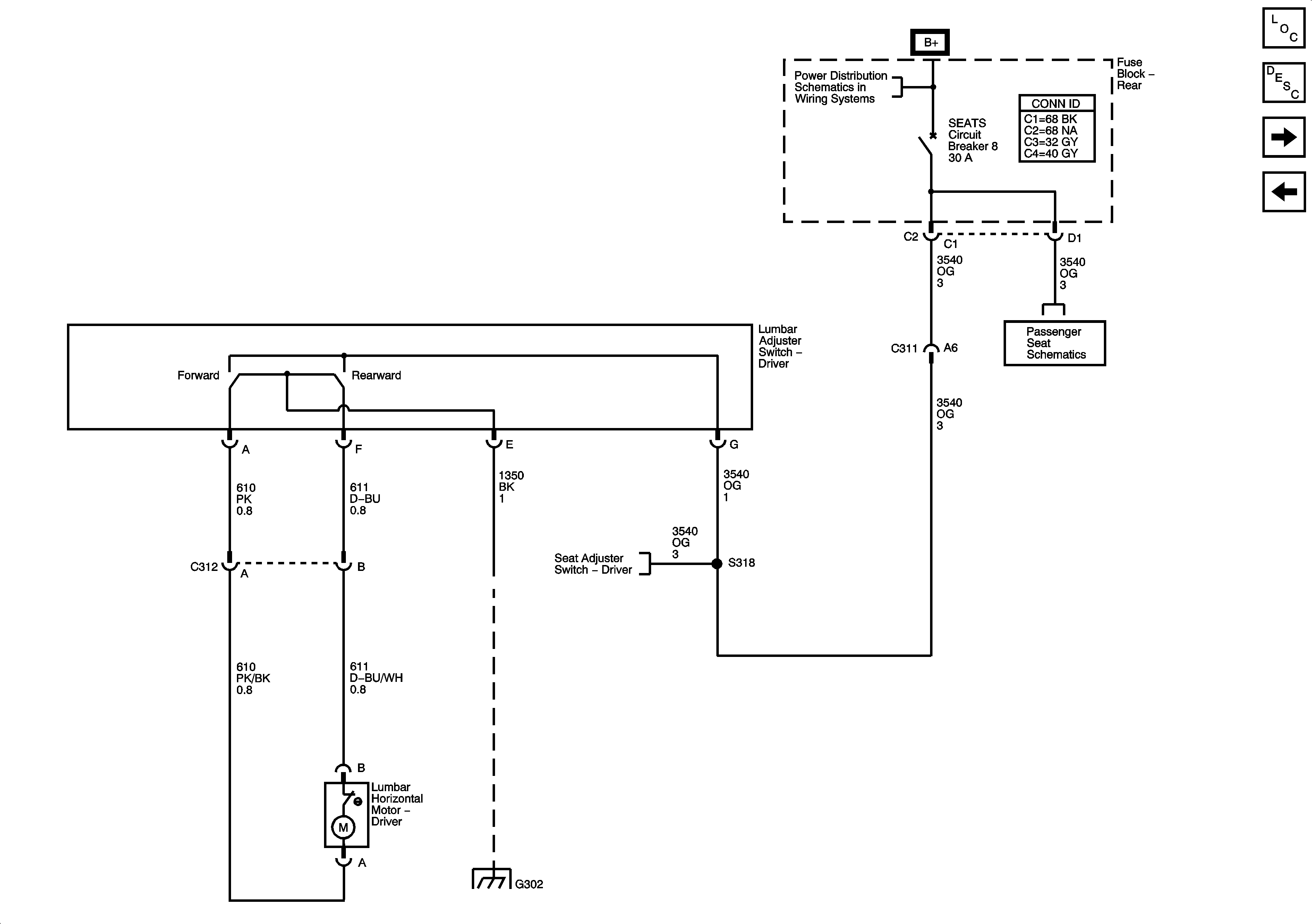
Figure 4:

Lumbar Controls w/o Memory


Object Number: 1337288  Size: FS
Master Electrical Component List
Lumbar Support Description and Operation
Power Seat Controls w/Memory - Motors and Position Sensors
Lumbar Controls w/Memory
B+ Bus - Rear Fuse Block
Power Seat Controls
Power Seat Controls w/o Memory
G302 - 1 of 2, G303, and G304
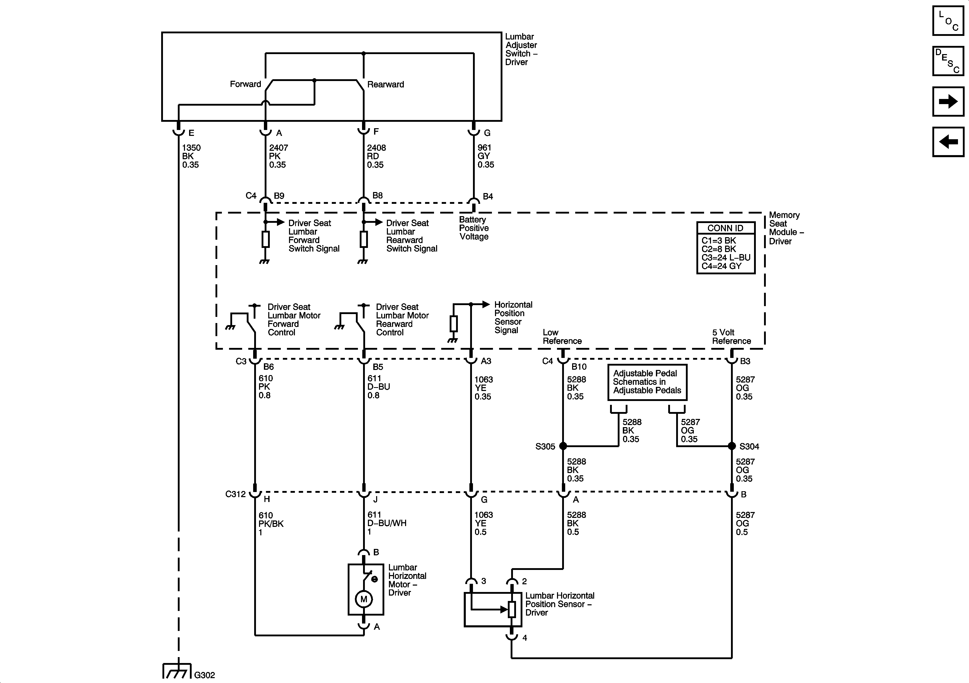
Figure 5:

Lumbar Controls w/Memory


Object Number: 1337290  Size: FS
Master Electrical Component List
Lumbar Support Description and Operation
Heat Controls
Lumbar Controls w/o Memory
04 S/T Utility Adjustable Pedals Schematics
G302 - 1 of 2, G303, and G304
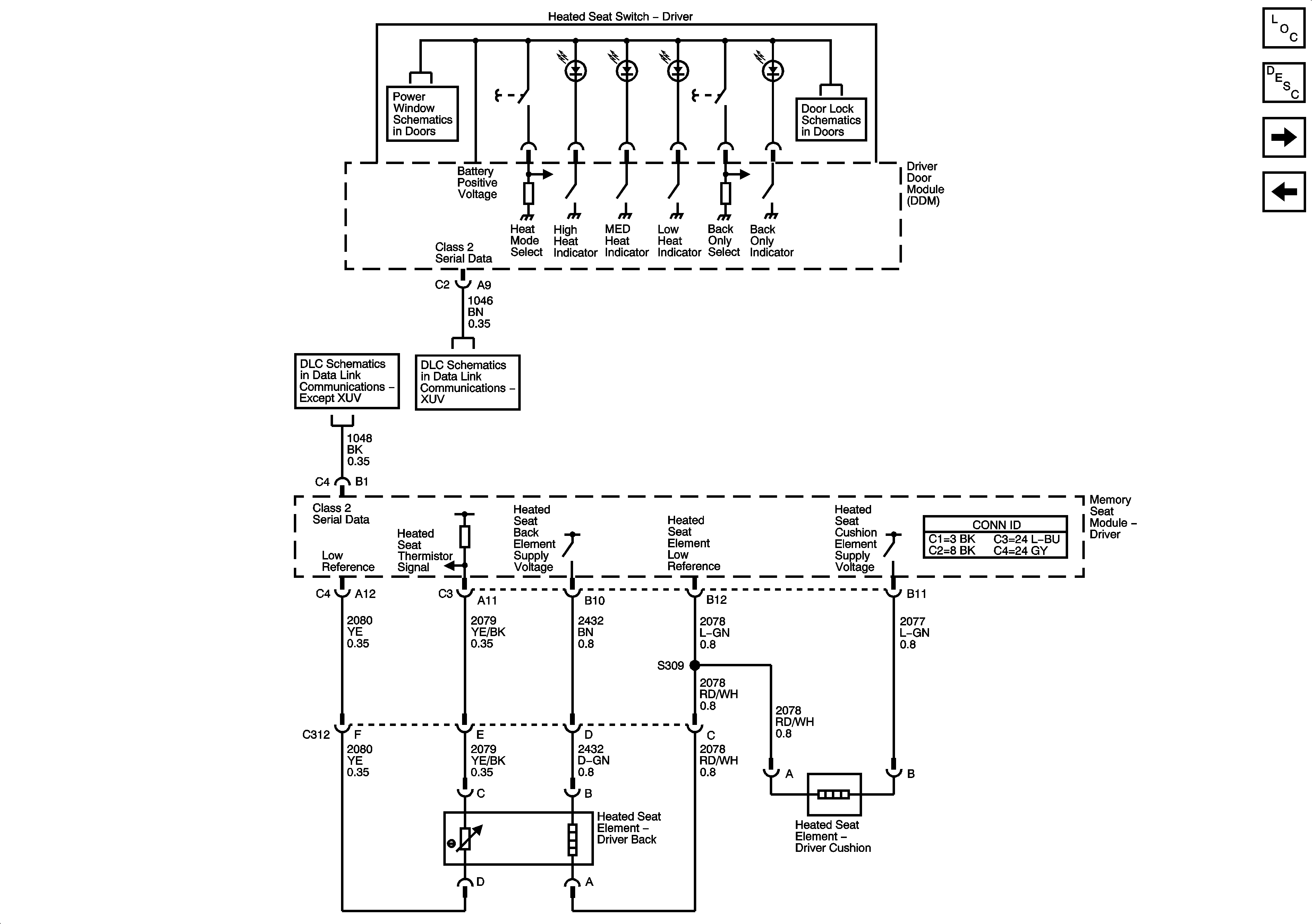
Figure 6:

Heat Controls


Object Number: 1337291  Size: FS
Master Electrical Component List
Heated Seats Description and Operation
Memory Controls
Lumbar Controls w/Memory
Left
Front Doors and Liftgate
SP306 - XUV
SP306 - Except XUV
Figure 7:

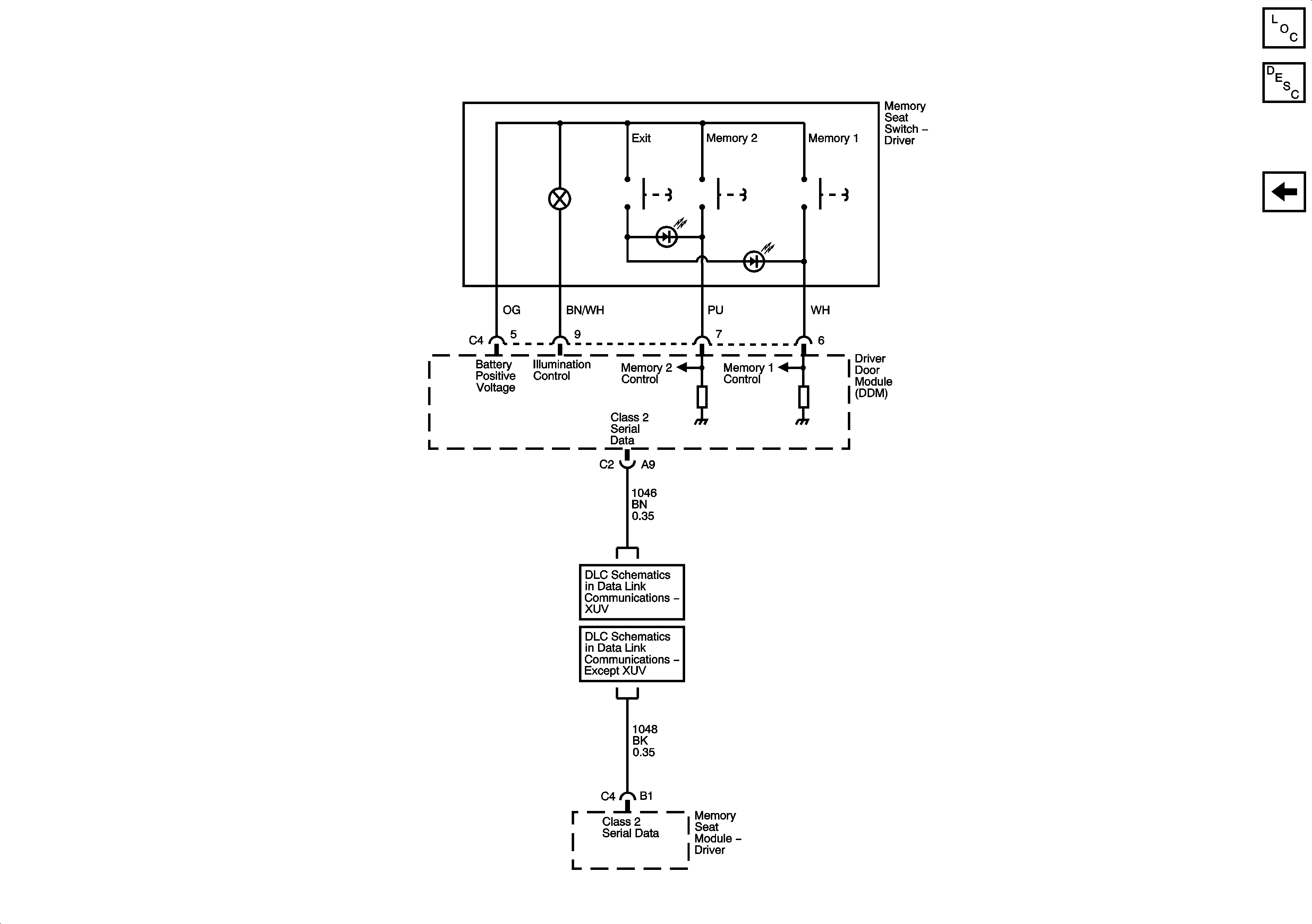
Memory Controls


Object Number: 1337293  Size: FS
Master Electrical Component List
Memory Seats Description and Operation
Heat Controls
SP306 - XUV
SP306 - Except XUV