GM Service Manual Online
For 1990-2009 cars only
Makes
🢒
Buick
🢒
1997
🢒
Regal
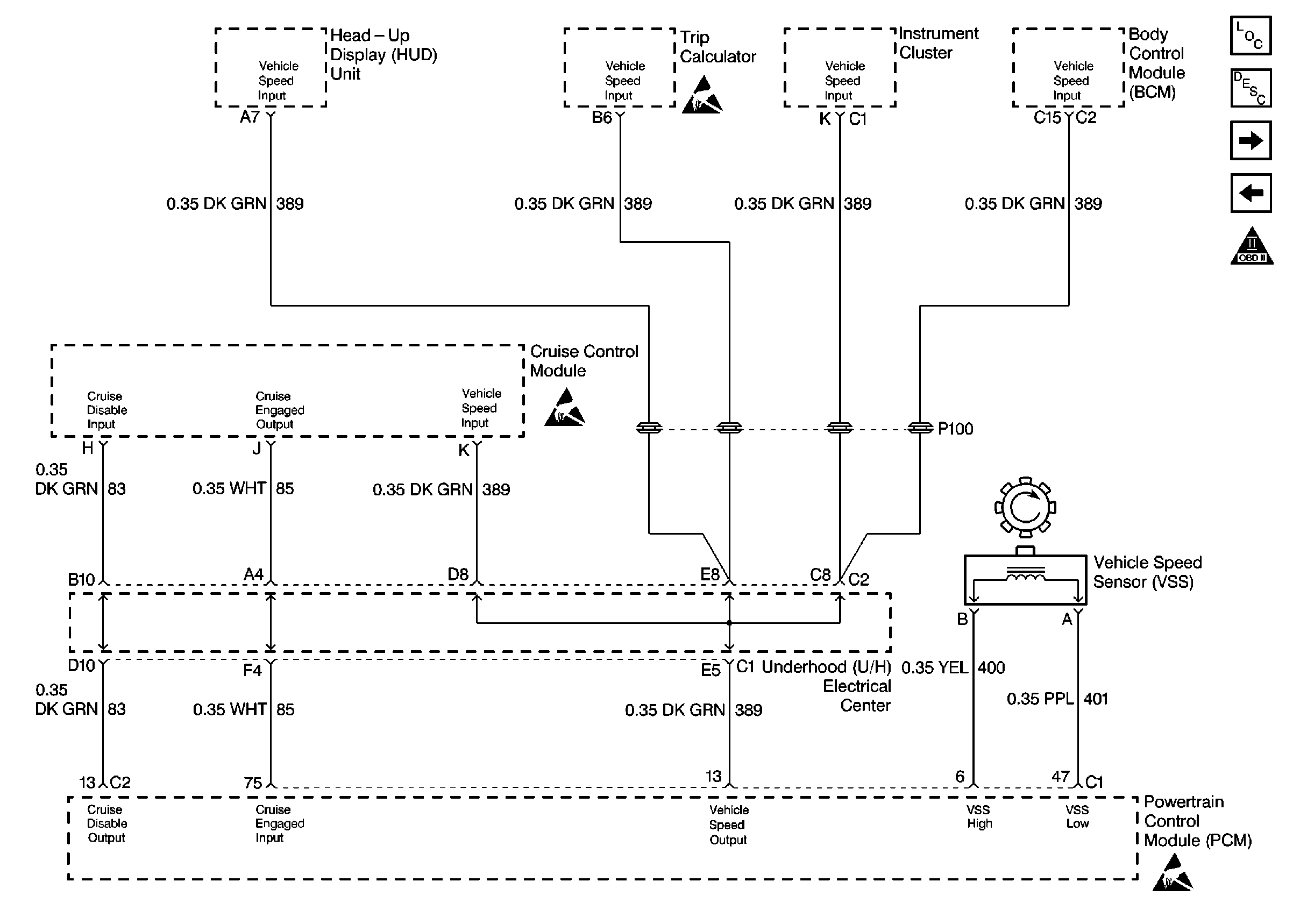
🢒 Vehicle Speed Sensor, Cruise
Vehicle Speed Sensor, Cruise
Vehicle Speed Sensor, Cruise
Engine Controls Components
Information Sensors
Transaxle Range Switch, IAC, Engine Oil Level
Engine Data Sensors-HO2S #1, HO2S #2
OBD II Symbol Description Notice
Handling ESD Sensitive Parts Notice
Handling ESD Sensitive Parts Notice
Handling ESD Sensitive Parts Notice
Handling ESD Sensitive Parts Notice
Handling ESD Sensitive Parts Notice
Handling ESD Sensitive Parts Notice