GM Service Manual Online
For 1990-2009 cars only
Figure 1:

Power, Fog Lamp Switch, Fog lamp Relay and Horn Relay


Object Number: 594291  Size: FS
UAWJB, RAP Relay, Ignition Switch, and Fuse Block
Battery, UAWJB, Fuse Block, Headlamp Switch, Parklamp and Headlamp Relay
Fuse Block Outside Rearview Mirror, Cluster, BCM, PCM, and BTSI Fuse
Release System Schematic
Handling ESD Sensitive Parts Notice
Fuse Block Outside Rearview Mirror, Cluster, BCM, PCM, and BTSI Fuse
UAWJB
Horns Schematic
UAWJB, Ignition Switch, and Fuse Block
Fuse Block, UAWJB, PCM, BCM, Cluster, Turn Signal Switch, and SDM Module
G101
Body Control Module Components
Body Control System Circuit Description
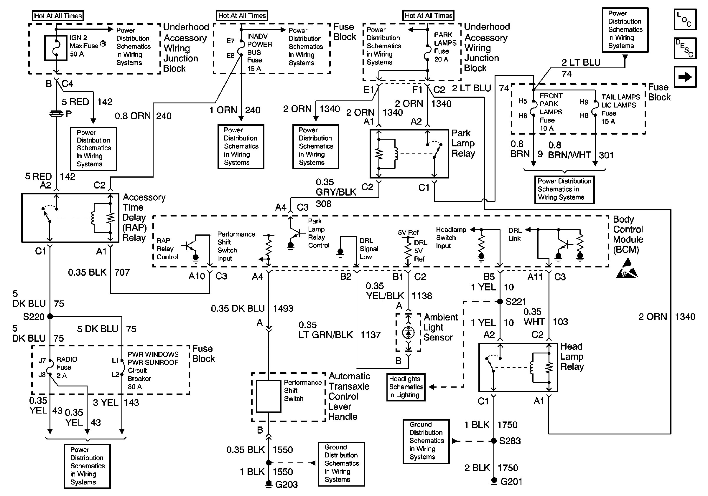
Power, RAP Relay, Headlamp Relay, Park Lamp Relay and Ambient LiGHT Sensor
Figure 2:

Power, RAP Relay, Headlamp Relay, Park Lamp Relay and Ambient Light Sensor


Object Number: 594292  Size: FS
UAWJB, RAP Relay, Ignition Switch, and Fuse Block
UAWJB, RAP Relay, Ignition Switch, and Fuse Block
Wiper Fuse, BCM ACC, Power Drop, Radio and Steering Wheel Cont Fuses
Radio, HVAC, RFA, Cluster, Cel Tel, BCM Power, INADV Power Bus, Radio PRM Sound, and Cigar Lighter/Data Link Fuses
Battery, UAWJB, Fuse Block, Headlamp Switch, Parklamp and Headlamp Relay
Battery, UAWJB, Fuse Block, Headlamp Switch, Parklamp and Headlamp Relay
Battery, UAWJB, Fuse Block, Headlamp Switch, Parklamp and Headlamp Relay
G203
G201
Headlamp Relay, BCM and Headlamp Switch
Battery, UAWJB, Fuse Block, Headlamp Switch, Parklamp and Headlamp Relay
Front Park Lamps, Tail Lamps, License Lamps, and Panel Dimming Fuses
Handling ESD Sensitive Parts Notice
Body Control Module Components
Body Control System Circuit Description
Serial Data, Steering Column Lock And Ignition Key Cylinder, ElECTRonic Traction Control Switch and Tire Inflation Reset Switch
Power, Fog Lamp Switch, Fog lamp Relay and Horn Relay
Figure 3:

Serial Data, Steering Column Lock And Ignition Key Cylinder, Electronic Traction Control Switch and Tire Inflation Reset Switch


Object Number: 594294  Size: FS
Serial Data Class 2
Handling ESD Sensitive Parts Notice
Handling ESD Sensitive Parts Notice
IPC Class 2 Serial Data MIL Outputs and Engine Coolant Level Indicator Input
Handling ESD Sensitive Parts Notice
Handling ESD Sensitive Parts Notice
G203
Body Control Module Components
Body Control System Circuit Description
Ignition Key Alarm Switch, Headlamp Switch, Park Brake Indicator Switch, Driver Seat Adjuster Switch and Seat Belt Switch
Power, RAP Relay, Headlamp Relay, Park Lamp Relay and Ambient LiGHT Sensor
Figure 4:

Ignition Key Alarm Switch, Headlamp Switch, Park Brake Indicator Switch, Driver Seat Adjuster Switch and Seat Belt Switch


Object Number: 594298  Size: FS
Battery, UAWJB, Fuse Block, Headlamp Switch, Parklamp and Headlamp Relay
Battery, UAWJB, Fuse Block, Headlamp Switch, Parklamp and Headlamp Relay
G203
Handling ESD Sensitive Parts Notice
G301
Body Control Module Components
Body Control System Circuit Description
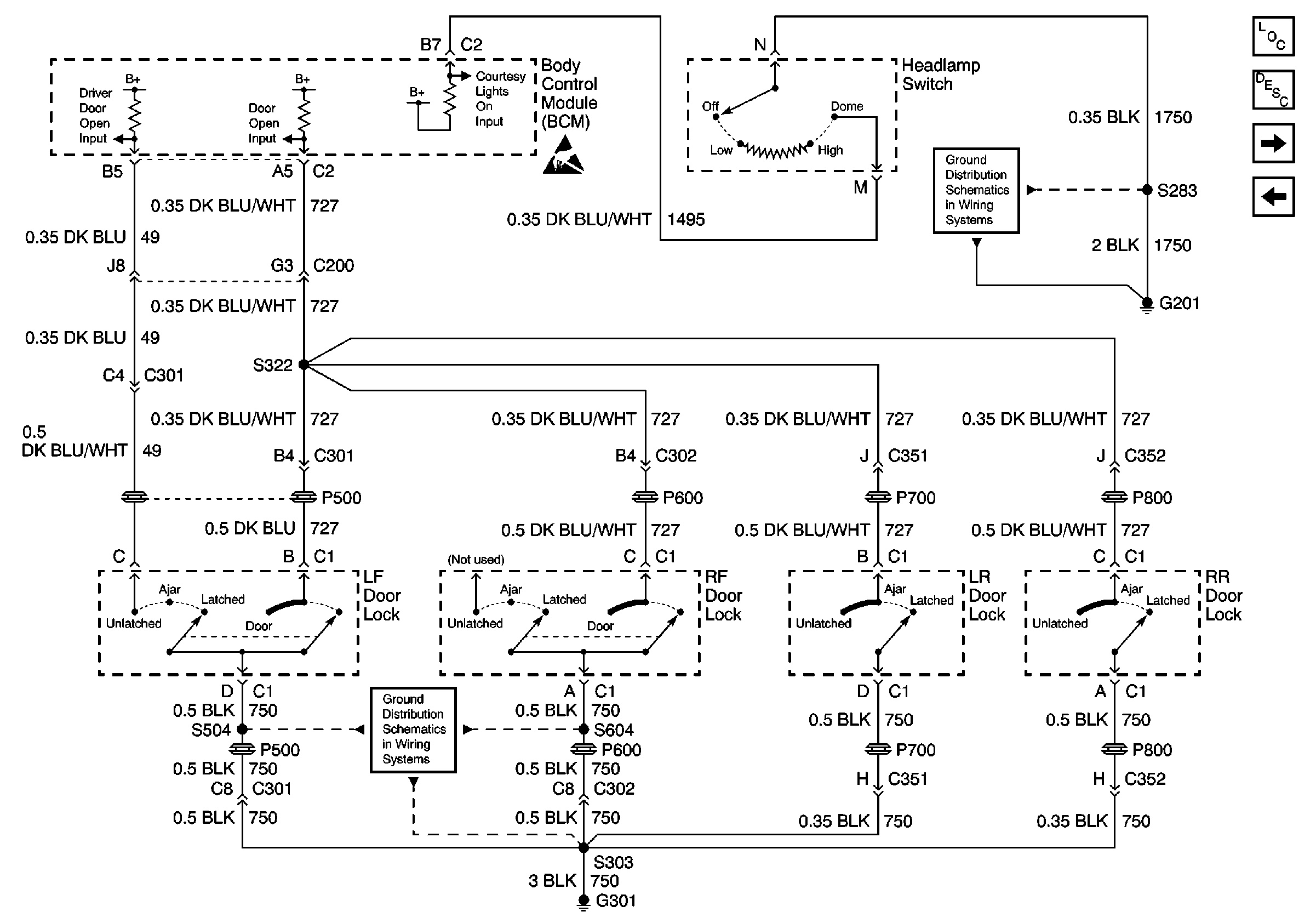
Door Lock Inputs and Headlamp Switch Input
Serial Data, Steering Column Lock And Ignition Key Cylinder, ElECTRonic Traction Control Switch and Tire Inflation Reset Switch
Figure 5:

Door Lock Inputs and Headlamp Switch Input


Object Number: 594300  Size: FS
Handling ESD Sensitive Parts Notice
G301
G201
Body Control Module Components
Body Control System Circuit Description
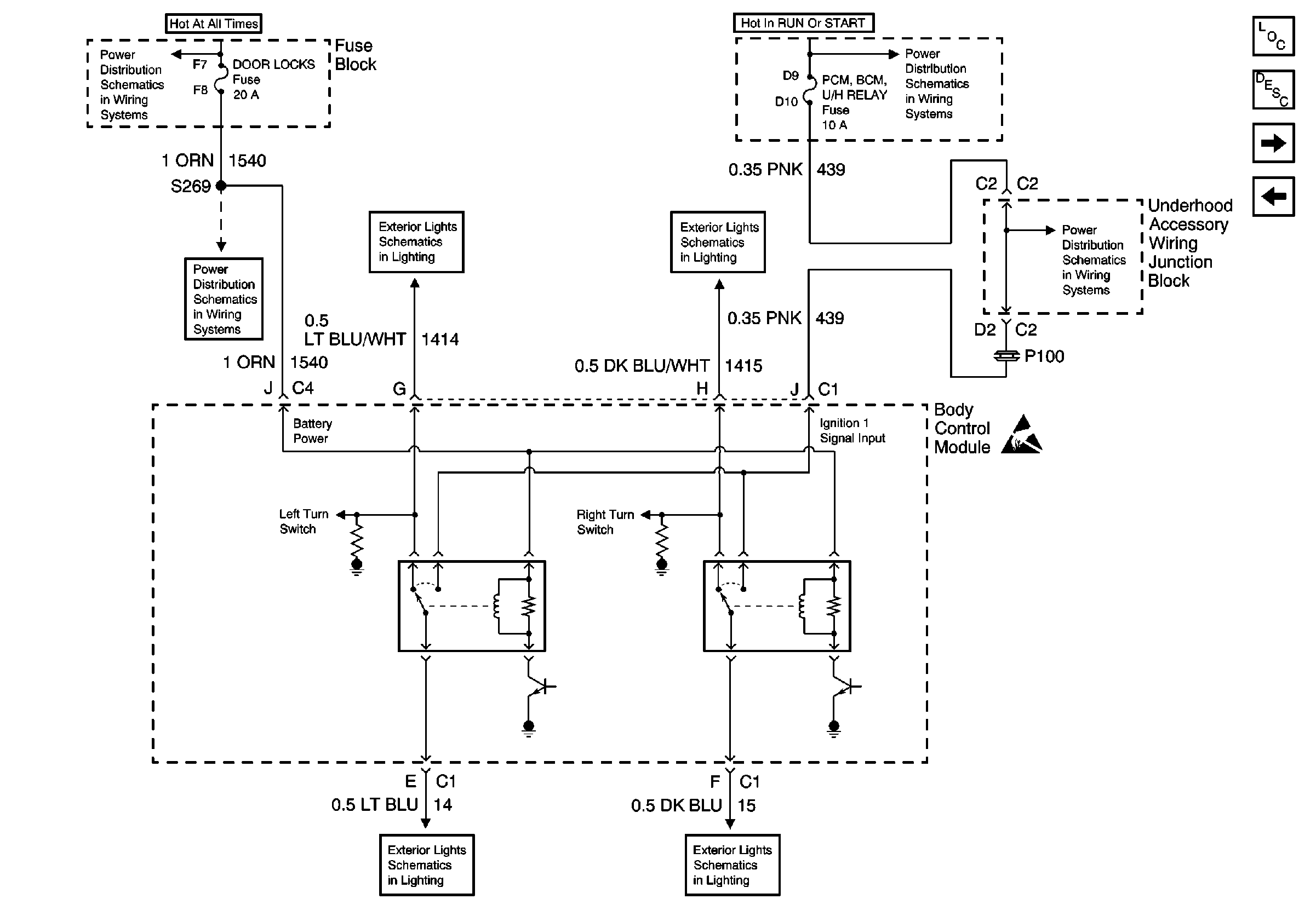
Turn Signal Inputs
Ignition Key Alarm Switch, Headlamp Switch, Park Brake Indicator Switch, Driver Seat Adjuster Switch and Seat Belt Switch
Figure 6:

Turn Signal Inputs


Object Number: 594303  Size: FS
Battery, UAWJB, Fuse Block, Headlamp Switch, Parklamp and Headlamp Relay
High Blower, Hazard, Stoplamps, Door Locks, Power Mirrors, and Heated Seats Fuses
BCM
BCM
BCM
BCM
UAWJB, Ignition Switch, and Fuse Block
Fuse Block, UAWJB, PCM, BCM, Cluster, Turn Signal Switch, and SDM Module
Handling ESD Sensitive Parts Notice
Body Control Module Components
Body Control System Circuit Description
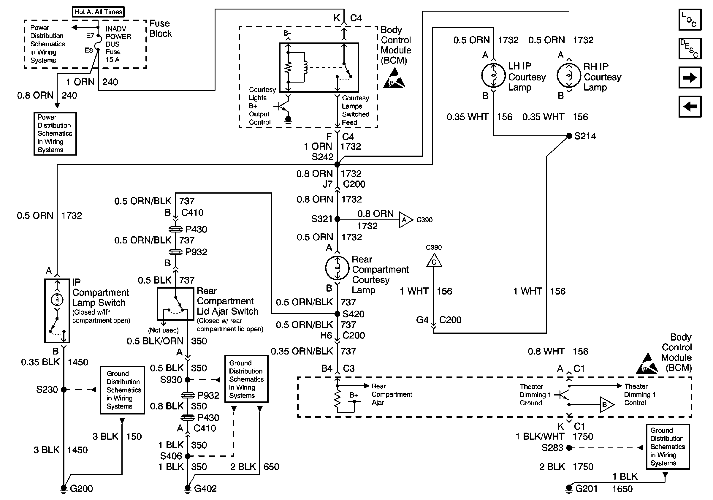
IP Compartment Lamp Switch, Rear Compartment Lid Ajar Switch and Courtesy Lamps
Door Lock Inputs and Headlamp Switch Input
Figure 7:

IP Compartment Lamp Switch, Rear Compartment Lid Ajar Switch and Courtesy Lamps


Object Number: 594306  Size: FS
Battery, UAWJB, Fuse Block, Headlamp Switch, Parklamp and Headlamp Relay
Radio, HVAC, RFA, Cluster, Cel Tel, BCM Power, INADV Power Bus, Radio PRM Sound, and Cigar Lighter/Data Link Fuses
G200
G402 cont.
Handling ESD Sensitive Parts Notice
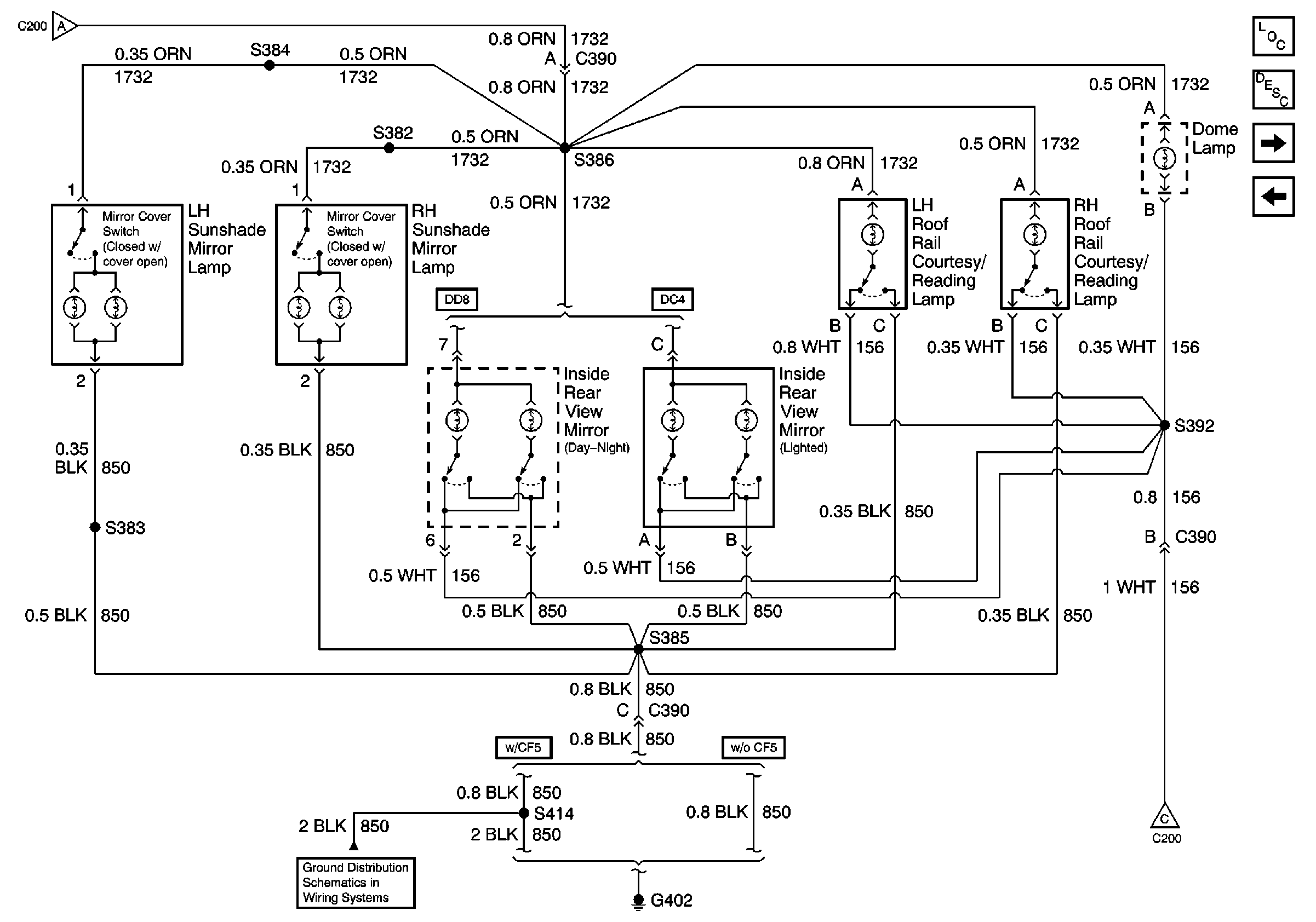
Interior Lights
Interior Lights
Handling ESD Sensitive Parts Notice
G201
Body Control Module Components
Body Control System Circuit Description
Interior Lights
Turn Signal Inputs
Figure 8:

Interior Lights


Object Number: 594308  Size: FS
IP Compartment Lamp Switch, Rear Compartment Lid Ajar Switch and Courtesy Lamps
G402
IP Compartment Lamp Switch, Rear Compartment Lid Ajar Switch and Courtesy Lamps
Body Control Module Components
Body Control System Circuit Description
Door Lock Switch Inputs and RCDLR
IP Compartment Lamp Switch, Rear Compartment Lid Ajar Switch and Courtesy Lamps
Figure 9:

Door Lock Switch Inputs and RCDLR


Object Number: 594309  Size: FS
Handling ESD Sensitive Parts Notice
G301
Handling ESD Sensitive Parts Notice
Body Control Module Components
Body Control System Circuit Description
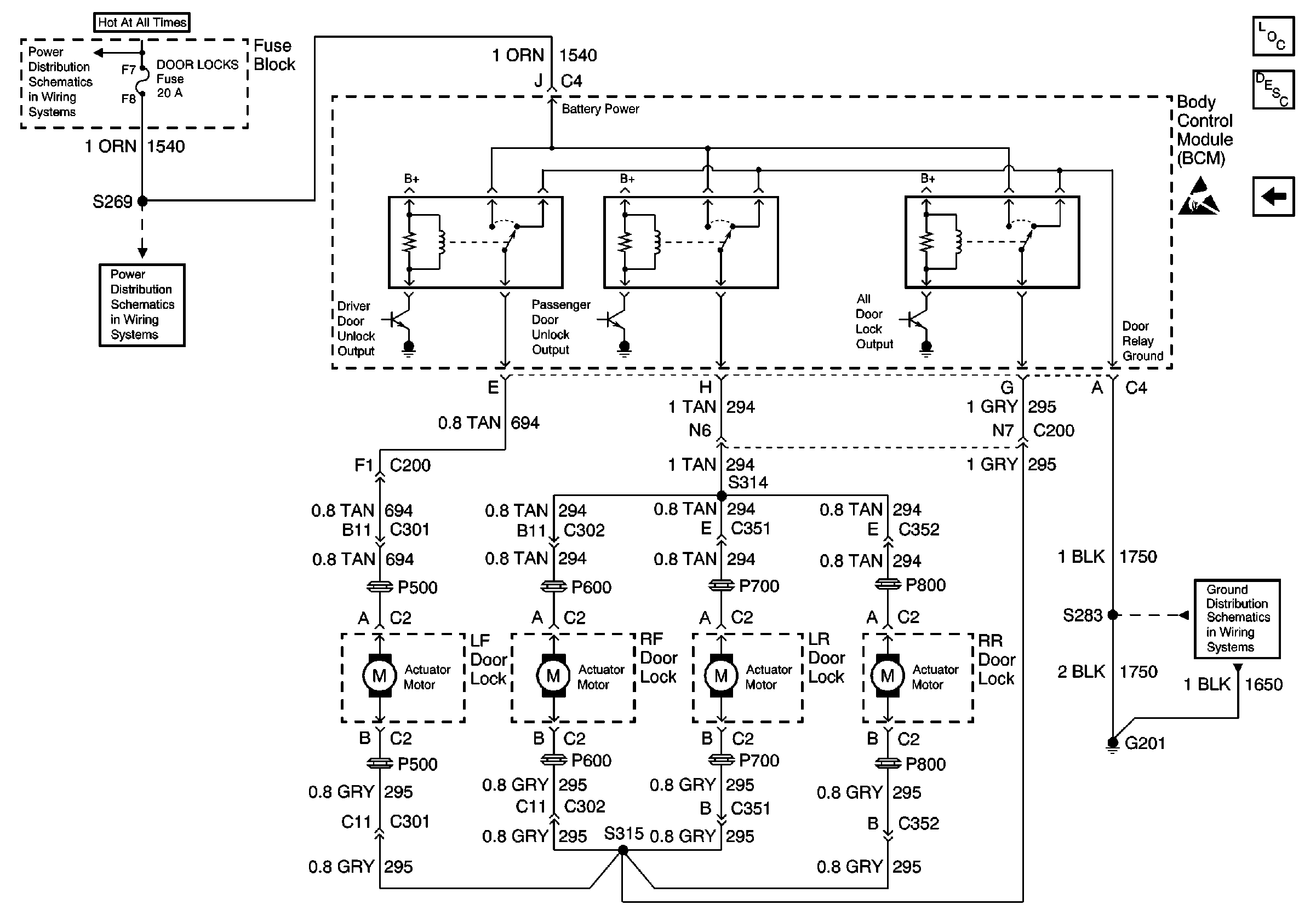
Door Locks
Interior Lights
Figure 10:

Door Locks


Object Number: 594312  Size: FS
Battery, UAWJB, Fuse Block, Headlamp Switch, Parklamp and Headlamp Relay
High Blower, Hazard, Stoplamps, Door Locks, Power Mirrors, and Heated Seats Fuses
Handling ESD Sensitive Parts Notice
G201
Body Control Module Components
Body Control System Circuit Description
Door Lock Switch Inputs and RCDLR