GM Service Manual Online
For 1990-2009 cars only
Figure 1:

Radio System (U96) - Pontiac


Object Number: 1523544  Size: FS
Master Electrical Component List
Radio/Audio System Description and Operation
Control Module References
Radio w/ Rear Seat Audio Controls - Pontiac
BATT 1, BCML, HUD, HZD FL, INKEY, IP MDL, RADIO, and RD AMP Fuses
Dimming Control and Panel Lamps 1 of 2-Buick
Data Link Connector (DLC)
Steering Wheel and Tailgate Controls - Pontiac
Onstar (R) Schematics
G201
G201
G202
G202
Figure 2:

Radio W/Rear Seat Audio Controls (U96 w/U32) - Pontiac


Object Number: 1500820  Size: FS
Master Electrical Component List
Radio/Audio System Description and Operation
Control Module References
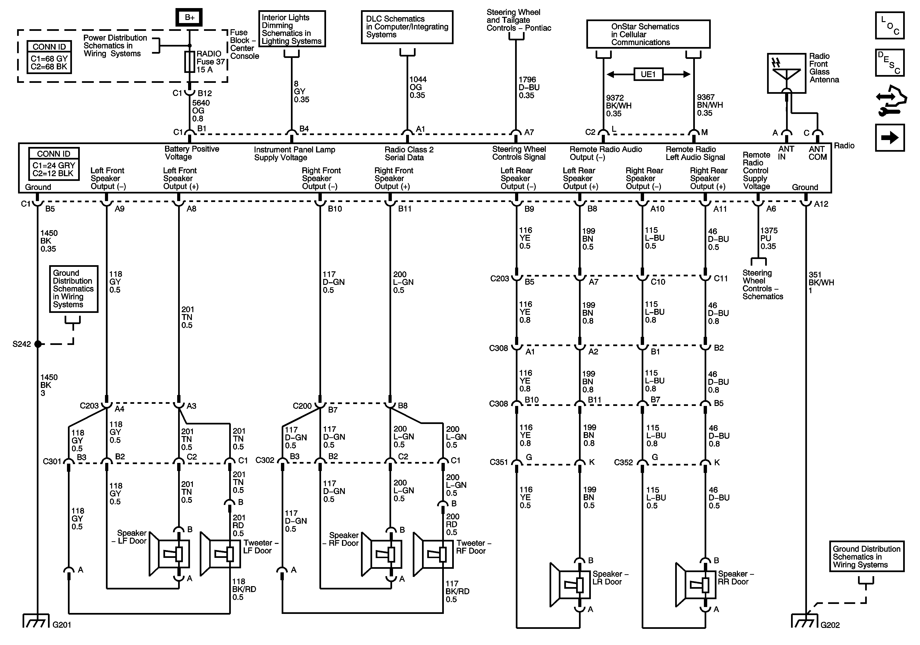
Uplevel Radio w/o RSA Controls - Pontiac
Radio System - Pontiac
BATT 1, BCML, HUD, HZD FL, INKEY, IP MDL, RADIO, and RD AMP Fuses
Dimming Control and Panel Lamps 1 of 2-Buick
Data Link Connector (DLC)
Steering Wheel and Tailgate Controls - Pontiac
Onstar (R) Schematics
G201
G201
Steering Wheel and Tailgate Controls - Pontiac
Steering Wheel and Tailgate Controls - Pontiac
Panel Lamps - Buick, Page 2 of 2
Panel Lamps - Buick, Page 2 of 2
G202
G303
G202
Figure 3:

Uplevel Radio W/O Rear Seat Audio Controls (UQ3) - Pontiac


Object Number: 1500825  Size: FS
Master Electrical Component List
Radio/Audio System Description and Operation
Control Module References
Uplevel Radio w/ RSA Controls - Pontiac
Radio w/ Rear Seat Audio Controls - Pontiac
BATT 1, BCML, HUD, HZD FL, INKEY, IP MDL, RADIO, and RD AMP Fuses
Dimming Control and Panel Lamps 1 of 2-Buick
Data Link Connector (DLC)
Onstar (R) Schematics
Steering Wheel and Tailgate Controls - Pontiac
Steering Wheel and Tailgate Controls - Pontiac
Steering Wheel and Tailgate Controls - Pontiac
G201
G201
G202
G202
Steering Wheel and Tailgate Controls - Pontiac
Figure 4:

Uplevel Radio W/Rear Seat Audio Controls (UQ3 w/U32) - Pontiac


Object Number: 1500826  Size: FS
Master Electrical Component List
Radio/Audio System Description and Operation
Control Module References
Radio Speakers (RPO UQ3) - Pontiac
Uplevel Radio w/o RSA Controls - Pontiac
BATT 1, BCML, HUD, HZD FL, INKEY, IP MDL, RADIO, and RD AMP Fuses
Dimming Control and Panel Lamps 1 of 2-Buick
Data Link Connector (DLC)
Onstar (R) Schematics
Steering Wheel and Tailgate Controls - Pontiac
Steering Wheel and Tailgate Controls - Pontiac
Steering Wheel and Tailgate Controls - Pontiac
Steering Wheel and Tailgate Controls - Pontiac
Steering Wheel and Tailgate Controls - Pontiac
G201
G201
G101
G101
Panel Lamps - Buick, Page 2 of 2
Panel Lamps - Buick, Page 2 of 2
G303
G303
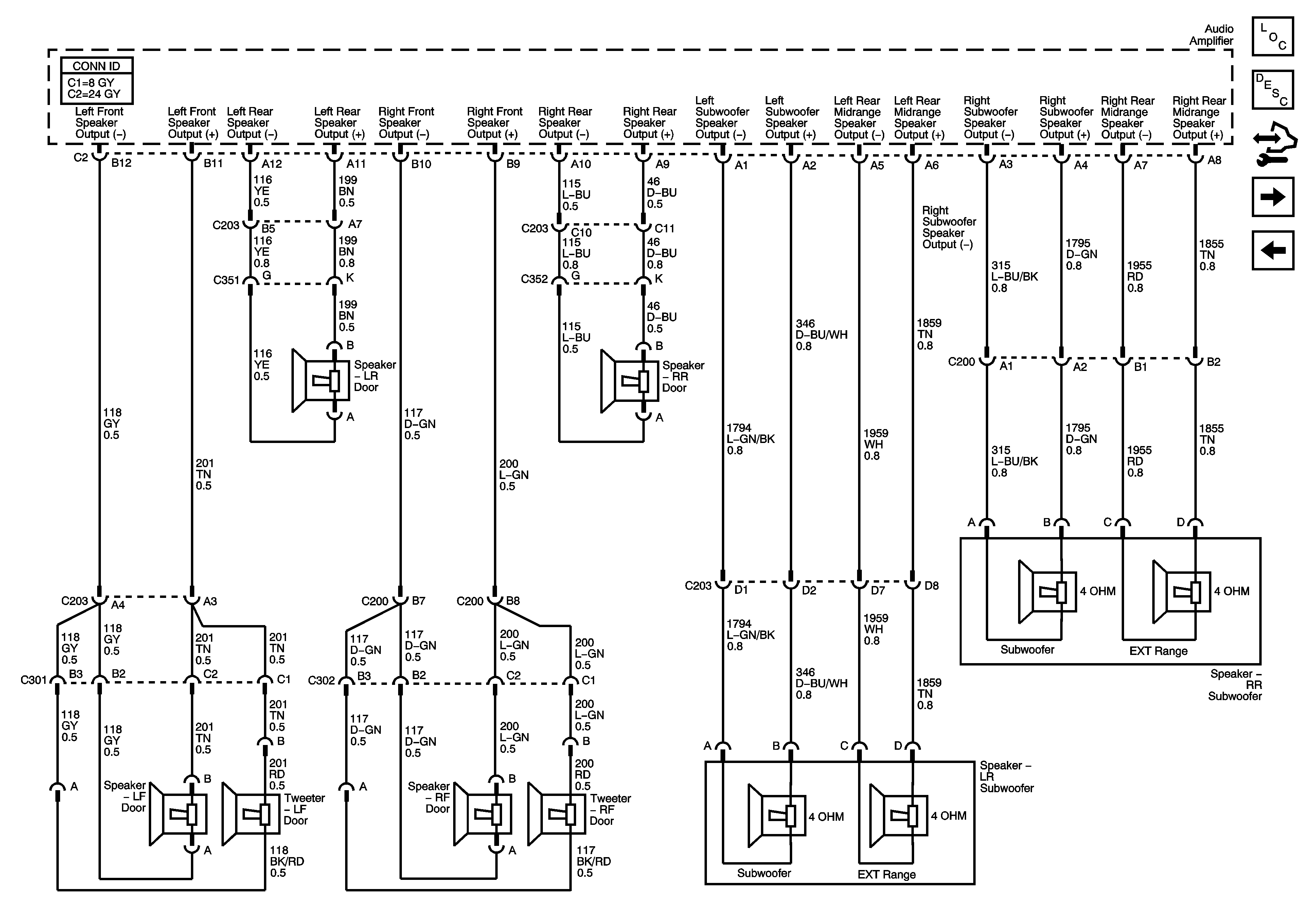
Figure 5:

Radio Speakers ( UQ3) - Pontiac


Object Number: 1500827  Size: FS
Master Electrical Component List
Radio/Audio System Description and Operation
Control Module References
Radio System - Buick
Uplevel Radio w/ RSA Controls - Pontiac
Figure 6:

Radio System (U96) - Buick


Object Number: 1500828  Size: FS
Master Electrical Component List
Radio/Audio System Description and Operation
Control Module References
Radio w/ Rear Seat Audio Controls - Buick
Radio Speakers (RPO UQ3) - Pontiac
BATT 1, BCML, HUD, HZD FL, INKEY, IP MDL, RADIO, and RD AMP Fuses
Dimming Control and Panel Lamps 1 of 2-Buick
Data Link Connector (DLC)
Steering Wheel Controls - Buick
Onstar (R) Schematics
G201
G201
Steering Wheel Controls - Buick
G202
G202
Figure 7:

Radio W/Rear Seat Audio Controls (U96 w/U32) - Buick


Object Number: 1500829  Size: FS
Master Electrical Component List
Radio/Audio System Description and Operation
Control Module References
Uplevel Radio w/o RSA Controls - Buick
Radio System - Buick
BATT 1, BCML, HUD, HZD FL, INKEY, IP MDL, RADIO, and RD AMP Fuses
Dimming Control and Panel Lamps 1 of 2-Buick
Data Link Connector (DLC)
Steering Wheel Controls - Buick
Power, Ground, Class 2 and Inflatable Restraint Sensors
Steering Wheel Controls - Buick
Dimming Control and Panel Lamps 1 of 2-Buick
G201
G201
Dimming Control and Panel Lamps 1 of 2-Buick
G200
G202
G202
Figure 8:

Uplevel Radio W/O Rear Seat Audio Controls (UQ3) - Buick


Object Number: 1500830  Size: FS
Master Electrical Component List
Radio/Audio System Description and Operation
Control Module References
Uplevel Radio w/ RSA Controls - Buick
Radio w/ Rear Seat Audio Controls - Buick
BATT 1, BCML, HUD, HZD FL, INKEY, IP MDL, RADIO, and RD AMP Fuses
Dimming Control and Panel Lamps 1 of 2-Buick
Data Link Connector (DLC)
Power, Ground, Class 2 and Inflatable Restraint Sensors
Steering Wheel Controls - Buick
G201
G201
G202
G202
Steering Wheel Controls - Buick
Figure 9:

Uplevel Radio W/Rear Seat Audio Controls (UQ3 w/U32) - Buick


Object Number: 1500831  Size: FS
Master Electrical Component List
Radio/Audio System Description and Operation
Control Module References
Radio Speakers - Buick
Uplevel Radio w/o RSA Controls - Buick
BATT 1, BCML, HUD, HZD FL, INKEY, IP MDL, RADIO, and RD AMP Fuses
Dimming Control and Panel Lamps 1 of 2-Buick
Data Link Connector (DLC)
Power, Ground, Class 2 and Inflatable Restraint Sensors
Steering Wheel Controls - Buick
G201
G201
G202
G202
Dimming Control and Panel Lamps 1 of 2-Buick
G200
G200
Dimming Control and Panel Lamps 1 of 2-Buick
Figure 10:

Radio Speakers (UQ3) - Buick


Object Number: 1500817  Size: FS
Master Electrical Component List
Radio/Audio System Description and Operation
Control Module References
Digital Reciever w/U2K
Uplevel Radio w/ RSA Controls - Buick
Figure 11:

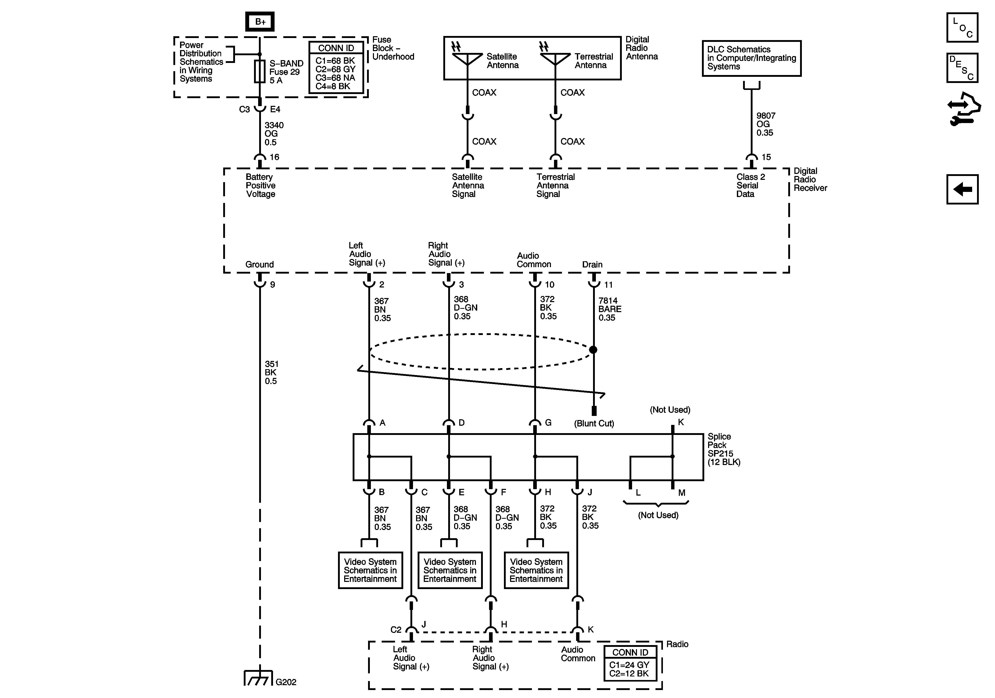
Digital Radio Receiver w/U2K


Object Number: 1500833  Size: FS
Master Electrical Component List
Radio/Audio System Description and Operation
Control Module References
Digital Radio Reciever w/U2K and UE1
Radio Speakers - Buick
ABSMTR, ABS SOL, BCM, DVD, ECM (3.6L), FRT AUX, PCM (3.4L), S BAND, and VENT SOL Fuses
Data Link Connector (DLC)
G202
Figure 12:

Digital Radio Reciever (w/U2K and UE1)


Object Number: 1500834  Size: FS
Master Electrical Component List
Radio/Audio System Description and Operation
Control Module References
Digital Reciever w/U2K
ABSMTR, ABS SOL, BCM, DVD, ECM (3.6L), FRT AUX, PCM (3.4L), S BAND, and VENT SOL Fuses
Data Link Connector (DLC)
G202
Video System Schematics
Video System Schematics
Video System Schematics