GM Service Manual Online
For 1990-2009 cars only
Figure 1:

Power, Ground and Blower Controls


Object Number: 1499978  Size: FS
Master Electrical Component List
Air Delivery Description and Operation
Control Module References
A/C Compressor Controls - 3.4L
Ignition Switch - ACCY/RUN/START, RUN, and START Bus Bars and BLWR, IGN0, and KEY SOL Fuses
Ignition Switch - ACCY/RUN/START, RUN, and START Bus Bars and BLWR, IGN0, and KEY SOL Fuses
G200
BATT 1, BCML, HUD, HZD FL, INKEY, IP MDL, RADIO, and RD AMP Fuses
BATT 1, BCML, HUD, HZD FL, INKEY, IP MDL, RADIO, and RD AMP Fuses
Air Delivery Controls - Early Production
IGN3HVAC Fuse
Panel Lamps - Pontiac, Page 2 of 2
Defogger Schematics
G200
G200
Figure 2:

A/C Compressor Controls - 3.4L


Object Number: 1499980  Size: FS
Master Electrical Component List
Control Module References
Air Delivery Controls - Early Production
Power, Ground, and Blower Controls
B+ Bus 2 of 2
B+ Bus 1 of 2
Data Link Connector (DLC)
G117
G117
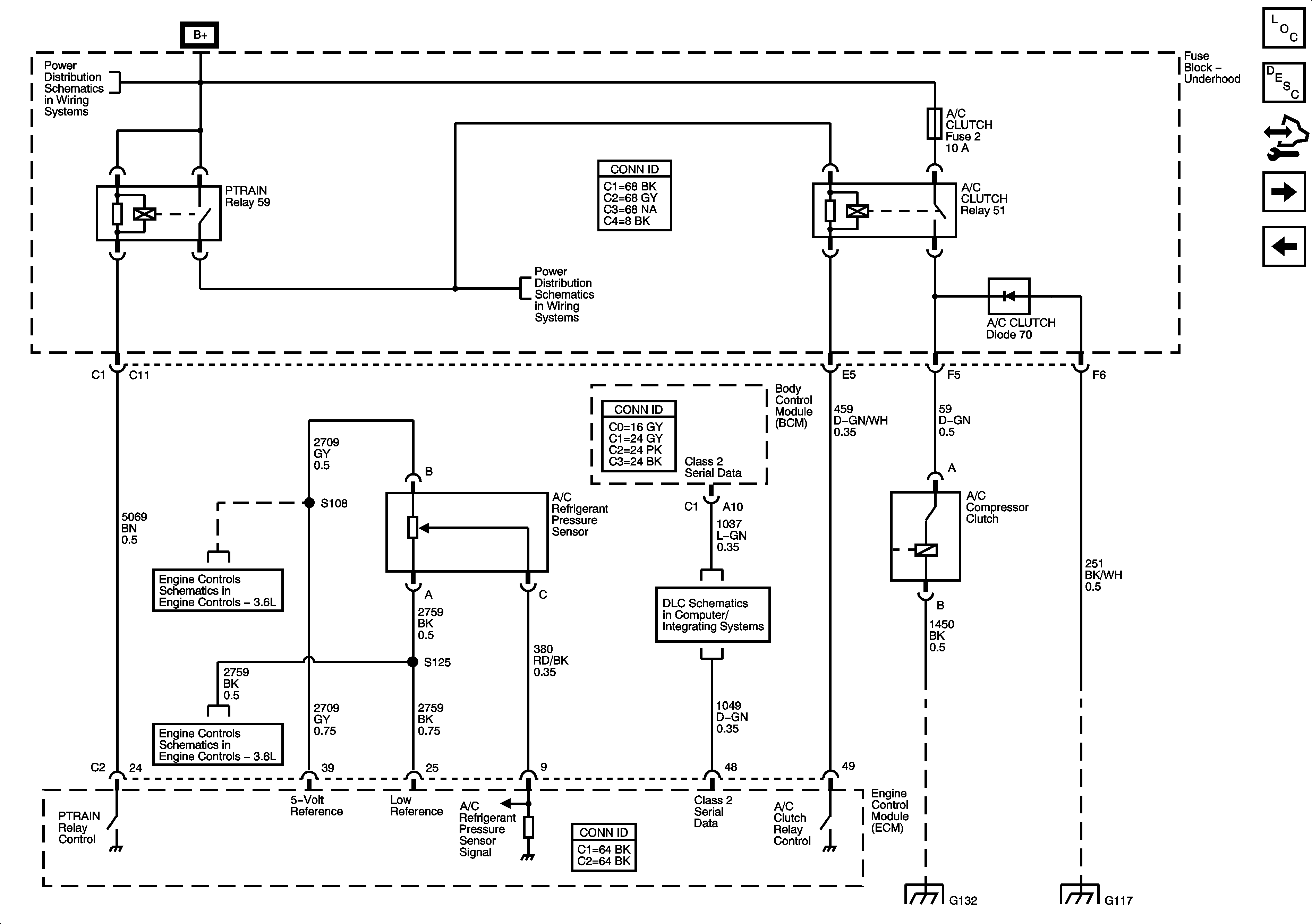
Figure 3:

A/C Compressor Controls - 3.6L


Object Number: 1526558  Size: FS
Figure 4:

Air Delivery Controls - Early Production


Object Number: 1499888  Size: FS
Master Electrical Component List
Air Temperature Description and Operation
Control Module References
Air Delivery Controls - Late Production
A/C Compressor Controls - 3.4L
IGN3HVAC Fuse
G200
Figure 5:

Air Delivery Controls - Late Production


Object Number: 1559987  Size: FS