GM Service Manual Online
For 1990-2009 cars only
Figure 1:

Blower Controls


Object Number: 1499975  Size: FS
Master Electrical Component List
Air Delivery Description and Operation
Control Module References
A/C Compressor Controls
Defogger Schematics
Panel Lamps - Pontiac, Page 2 of 2
Panel Lamps - Pontiac, Page 2 of 2
Ignition Switch - ACCY/RUN/START, RUN, and START Bus Bars and BLWR, IGN0, and KEY SOL Fuses
B+ Bus 1 of 2
Ignition Switch - ACCY/RUN/START, RUN, and START Bus Bars and BLWR, IGN0, and KEY SOL Fuses
G200
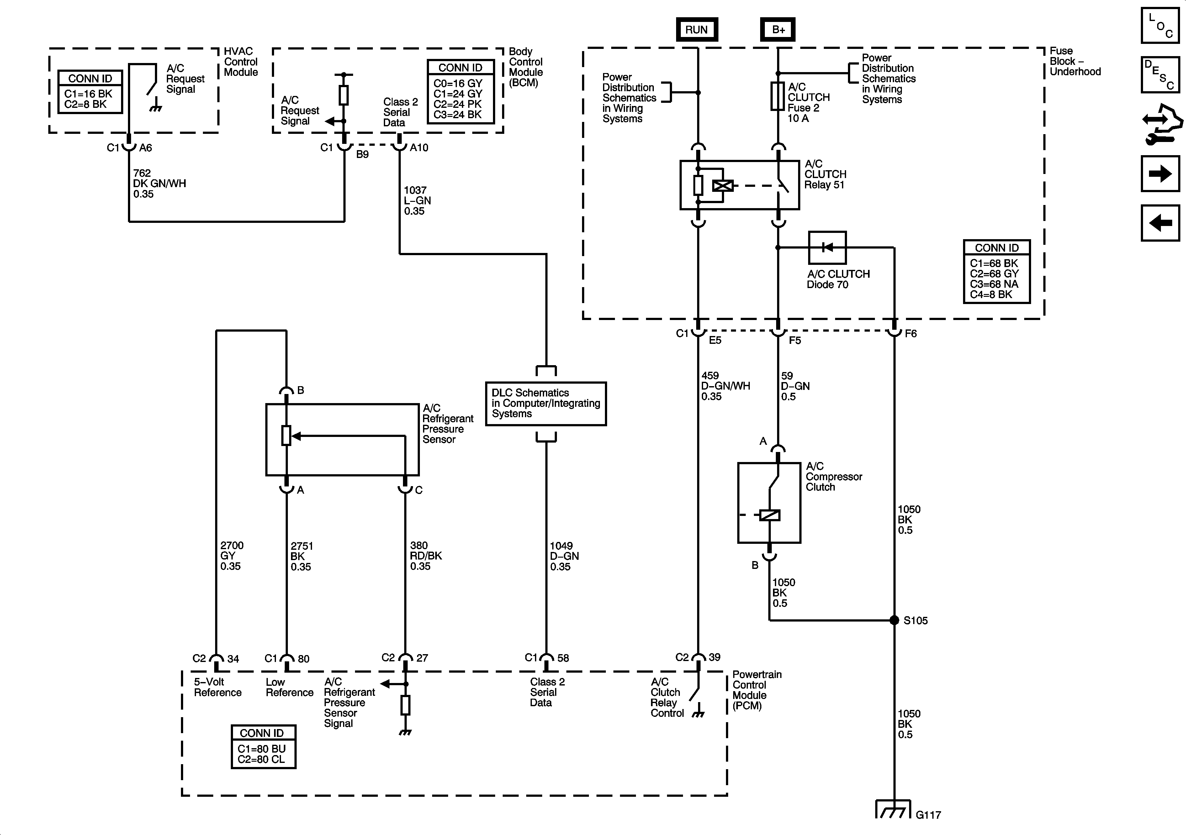
Figure 2:

A/C Compressor Controls


Object Number: 1499976  Size: FS
Master Electrical Component List
Air Delivery Description and Operation
Control Module References
Air Delivery and Temperature Controls - Early Production Pontiac
Blower Controls
ABS, AWD, ELEC ENG, EMS DEV, O2 SENSORS Fuses, and IGNITION Relay - 3.4L
B+ Bus 1 of 2
Data Link Connector (DLC)
G117
Figure 3:

Air Delivery and Temperature Controls - Early Production Pontiac


Object Number: 1499569  Size: FS
Master Electrical Component List
Air Temperature Description and Operation
Control Module References
Air Delivery and Temperature Controls - Early Production Buick
A/C Compressor Controls
Ignition Switch - ACCY/RUN/START, RUN, and START Bus Bars and BLWR, IGN0, and KEY SOL Fuses
BATT 1, BCML, HUD, HZD FL, INKEY, IP MDL, RADIO, and RD AMP Fuses
BATT 1, BCML, HUD, HZD FL, INKEY, IP MDL, RADIO, and RD AMP Fuses
IGN3HVAC Fuse
BATT 1, BCML, HUD, HZD FL, INKEY, IP MDL, RADIO, and RD AMP Fuses
G200
Figure 4:

Air Delivery and Temperature Controls - Early Production Buick


Object Number: 1556104  Size: FS
Master Electrical Component List
Air Temperature Description and Operation
Control Module References
Air Delivery and Temperature Controls - Late Production
Air Delivery and Temperature Controls - Early Production Pontiac
Ignition Switch - ACCY/RUN/START, RUN, and START Bus Bars and BLWR, IGN0, and KEY SOL Fuses
BATT 1, BCML, HUD, HZD FL, INKEY, IP MDL, RADIO, and RD AMP Fuses
BATT 1, BCML, HUD, HZD FL, INKEY, IP MDL, RADIO, and RD AMP Fuses
IGN3HVAC Fuse
BATT 1, BCML, HUD, HZD FL, INKEY, IP MDL, RADIO, and RD AMP Fuses
RPA Module Power and Ground
G200
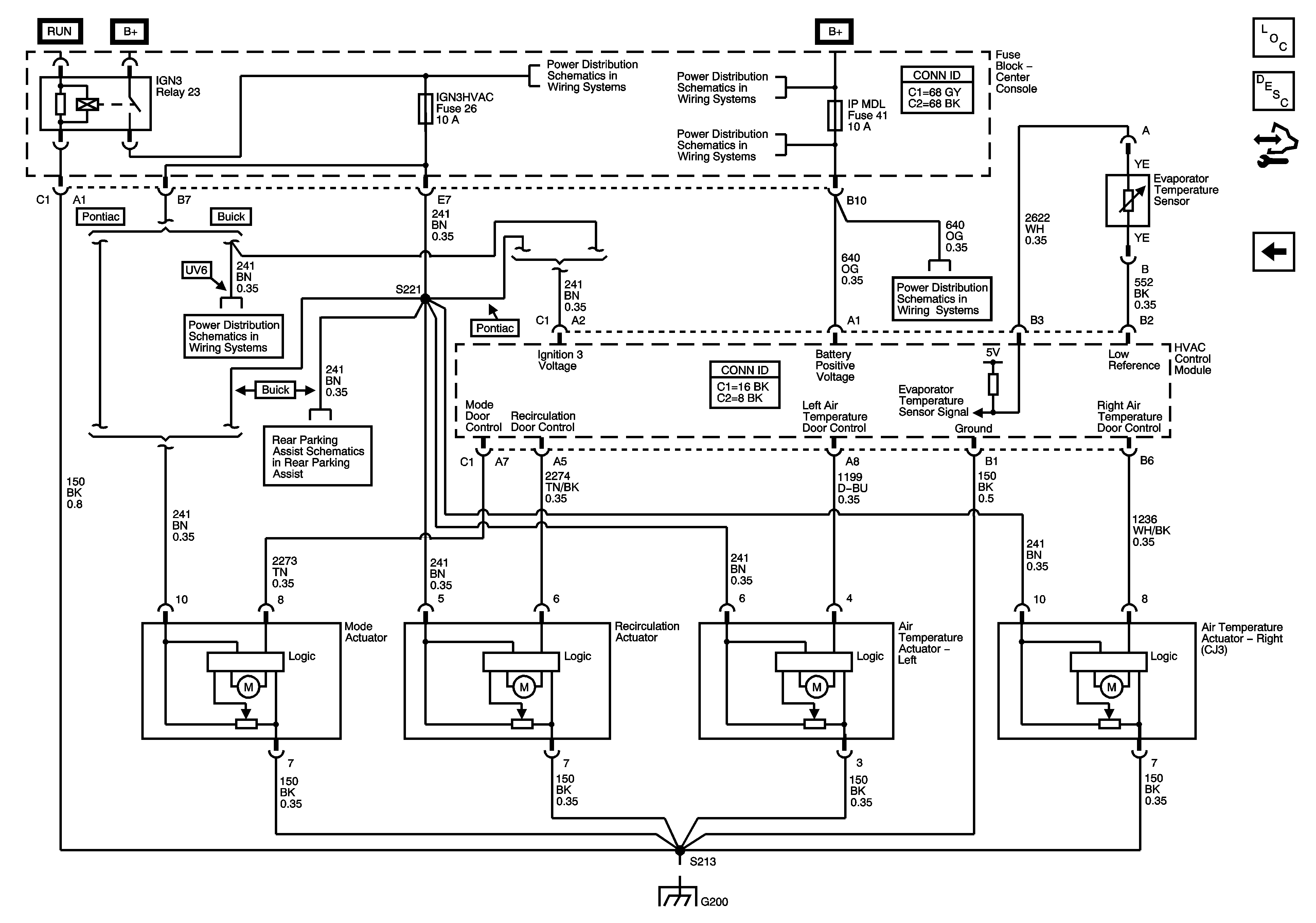
Figure 5:

Air Delivery and Temperature Controls - Late Production


Object Number: 1556106  Size: FS
Master Electrical Component List
Air Temperature Description and Operation
Control Module References
Air Delivery and Temperature Controls - Early Production Buick
Ignition Switch - ACCY/RUN/START, RUN, and START Bus Bars and BLWR, IGN0, and KEY SOL Fuses
BATT 1, BCML, HUD, HZD FL, INKEY, IP MDL, RADIO, and RD AMP Fuses
BATT 1, BCML, HUD, HZD FL, INKEY, IP MDL, RADIO, and RD AMP Fuses
BATT 1, BCML, HUD, HZD FL, INKEY, IP MDL, RADIO, and RD AMP Fuses
IGN3HVAC Fuse
RPA Module Power and Ground
G200