GM Service Manual Online
For 1990-2009 cars only
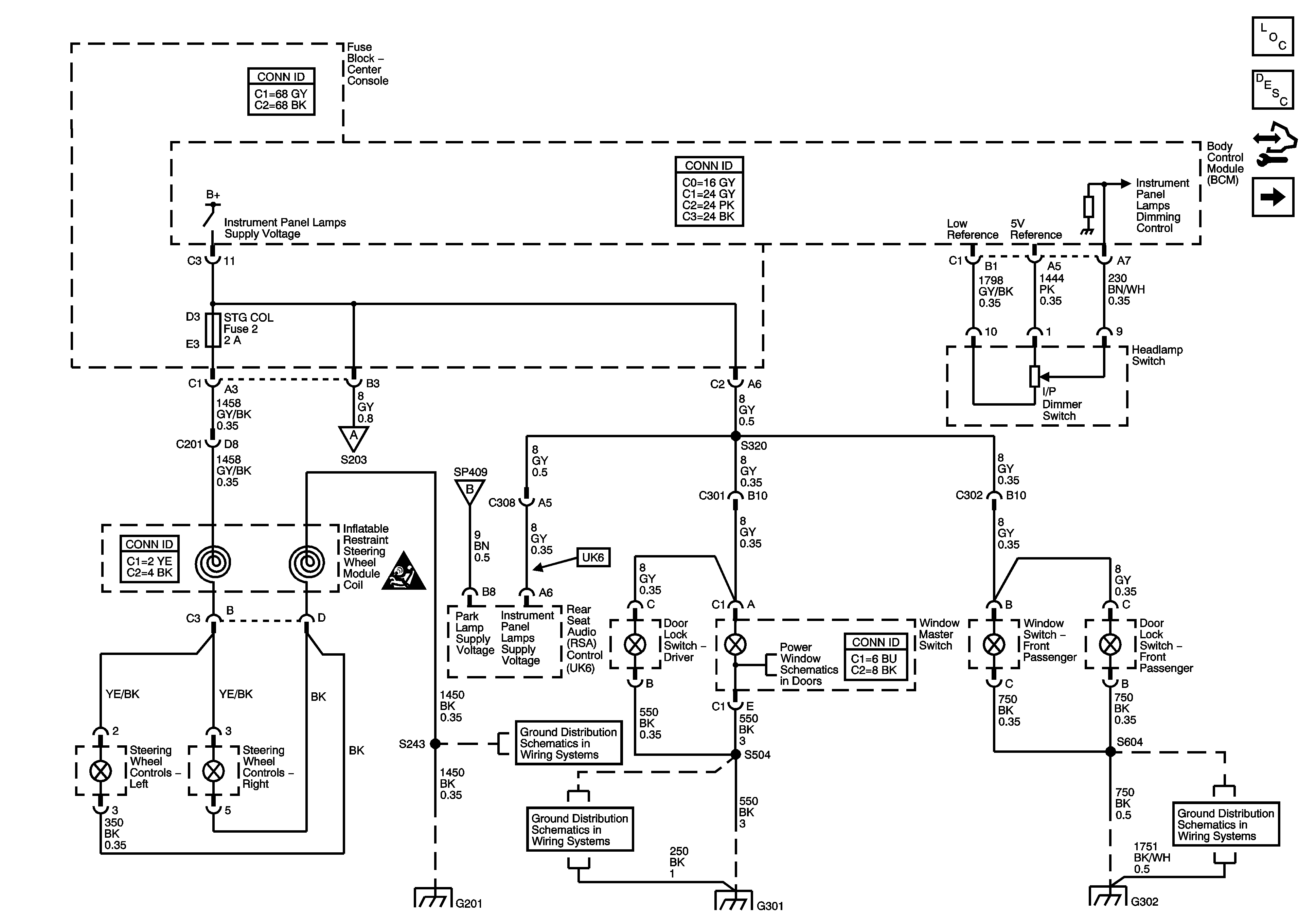
Figure 1:

Dimming Controls and Panel Lamps - Pontiac - 1 of 2


Object Number: 1499690  Size: FS
Master Electrical Component List
Interior Lighting Systems Description and Operation
Control Module References
Panel Lamps - Pontiac, Page 2 of 2
Panel Lamps - Pontiac, Page 2 of 2
Panel Lamps - Pontiac, Page 2 of 2
SIR Caution for Zoning
G201
G201
G301
G301
G302
Power Window Schematics
G302
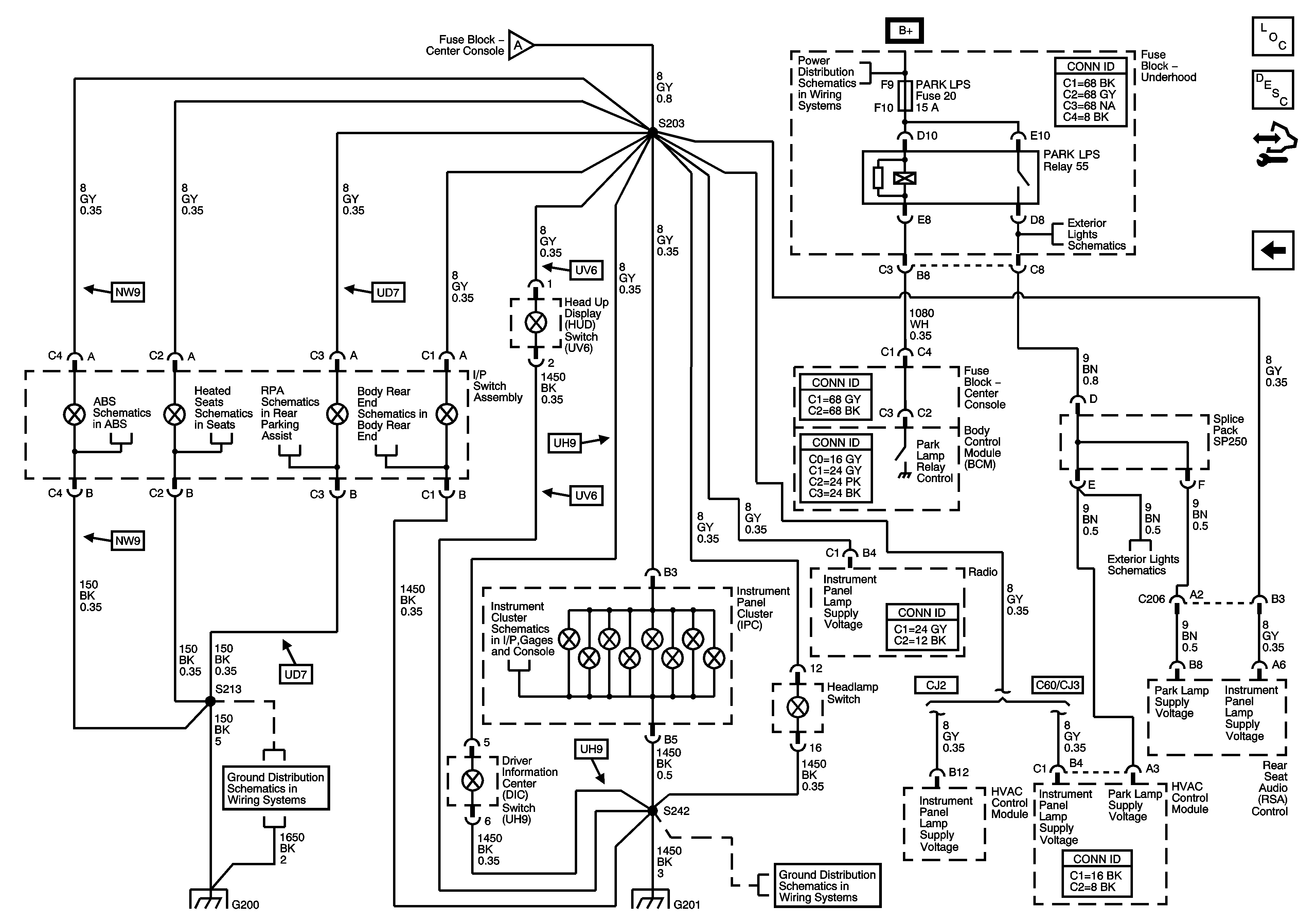
Figure 2:

Panel Lamps - Pontiac - 2 of 2


Object Number: 1499738  Size: FS
Master Electrical Component List
Interior Lighting Systems Description and Operation
Control Module References
Dimming Cont and Panel Lamps 1 of 2-Pontiac
Dimming Cont and Panel Lamps 1 of 2-Pontiac
B+ Bus 1 of 2
Driver Power and Heat Seat
Differential Lock Schematics
Indicators
Park Lamps - Pontiac (Early Production)
Park Lamps - Pontiac (Early Production)
G200
Park Lamps - Pontiac (Early Production)
Park Lamps - Pontiac (Early Production)
G200
G201
G201
Dimming Cont and Panel Lamps 1 of 2-Pontiac
Park Lamps - Pontiac (Early Production)
Figure 3:

Dimming Controls and Panel Lamps - Buick - 1 of 2


Object Number: 1500805  Size: FS
Master Electrical Component List
Interior Lighting Systems Description and Operation
Control Module References
Panel Lamps - Buick, Page 2 of 2
Panel Lamps - Buick, Page 2 of 2
SIR Caution for Zoning
G201
G201
G303
G303
G301
G301
Memory Seat
Power Window Schematics
G302
G302
Figure 4:

Panel Lamps - Buick - 2 of 2


Object Number: 1500806  Size: FS
Master Electrical Component List
Interior Lighting Systems Description and Operation
Control Module References
Dimming Control and Panel Lamps 1 of 2-Buick
Dimming Control and Panel Lamps 1 of 2-Buick
Data Link Connector (DLC)
Park Lamps - Pontiac (Early Production)
Differential Lock Schematics
Driver Power and Heat Seat
RPA Module Power and Ground
Lift Window, Endgate and Liftgate Actuators
Park Lamps - Pontiac (Early Production)
G200
G200
G201
G201