GM Service Manual Online
For 1990-2009 cars only
Makes
🢒
Buick
🢒
2006
🢒
Rendezvous - FWD
🢒
Vehicle Control Systems
🢒
Vehicle DTC Information
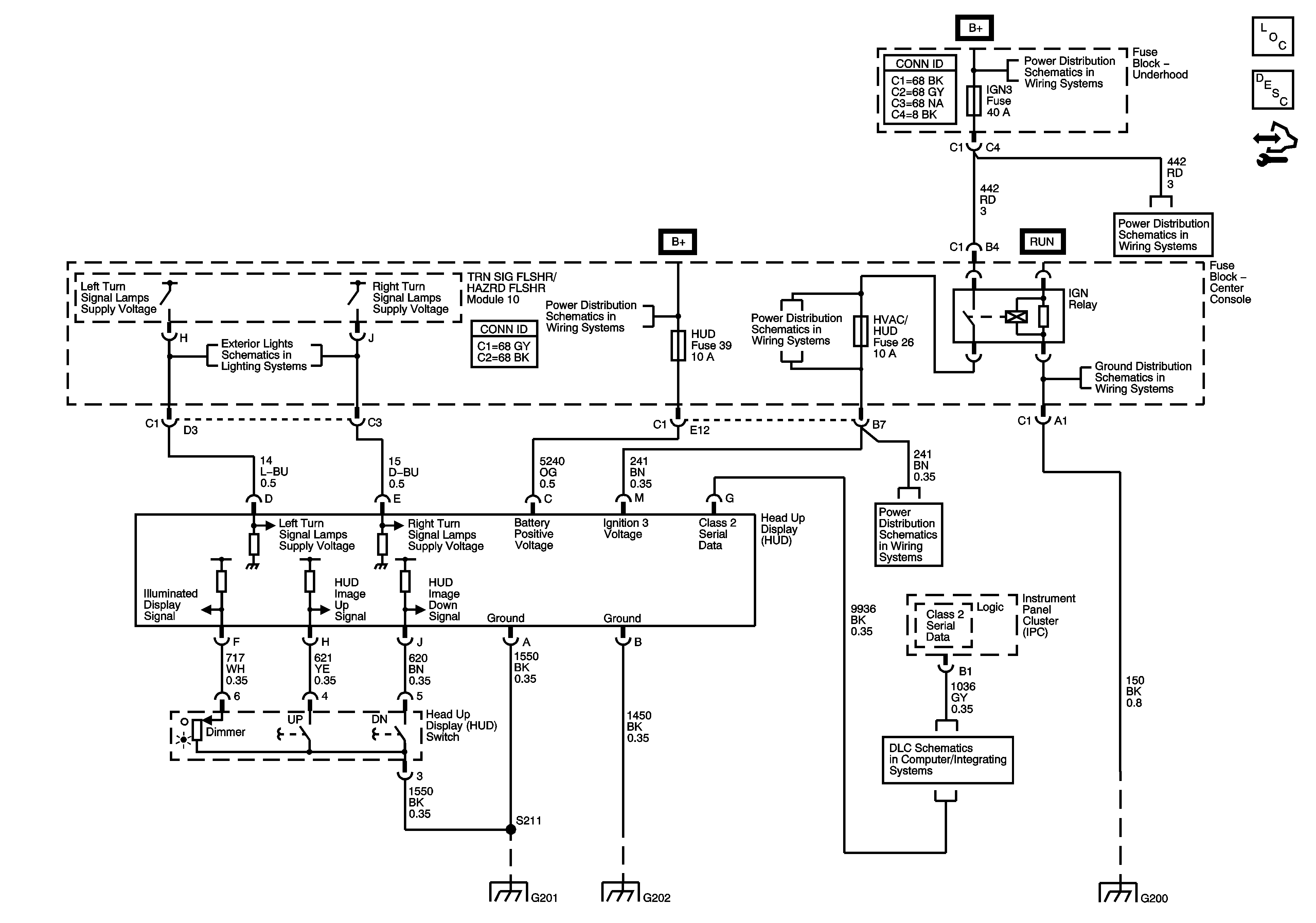
🢒 Head Up Display Schematics
Master Electrical Component List
Head Up Display (HUD) Description and Operation
Control Module References
Turn/Stop Lamps and Indicators
BATT 1, HAZRD LAMP, HUD, IPC/HVAC/SEC/RKE, IS LAMP, PK3, RDO and RDO AMP Fuses
HVAC/HUD Fuse
B+ Bus 1 of 2
Ignition Switch-ACCY/RUN/START and RUN and START Bus Bars, HVAC BLWR, IPC/BCM/PK3, PK3, and PRK LCK IGN Fuses
Ignition Switch-ACCY/RUN/START and RUN and START Bus Bars, HVAC BLWR, IPC/BCM/PK3, PK3, and PRK LCK IGN Fuses
G200
HVAC/HUD Fuse
G201
G202
DLC Schematics
G200