GM Service Manual Online
For 1990-2009 cars only
Makes
🢒
Buick
🢒
2006
🢒
Rendezvous - FWD
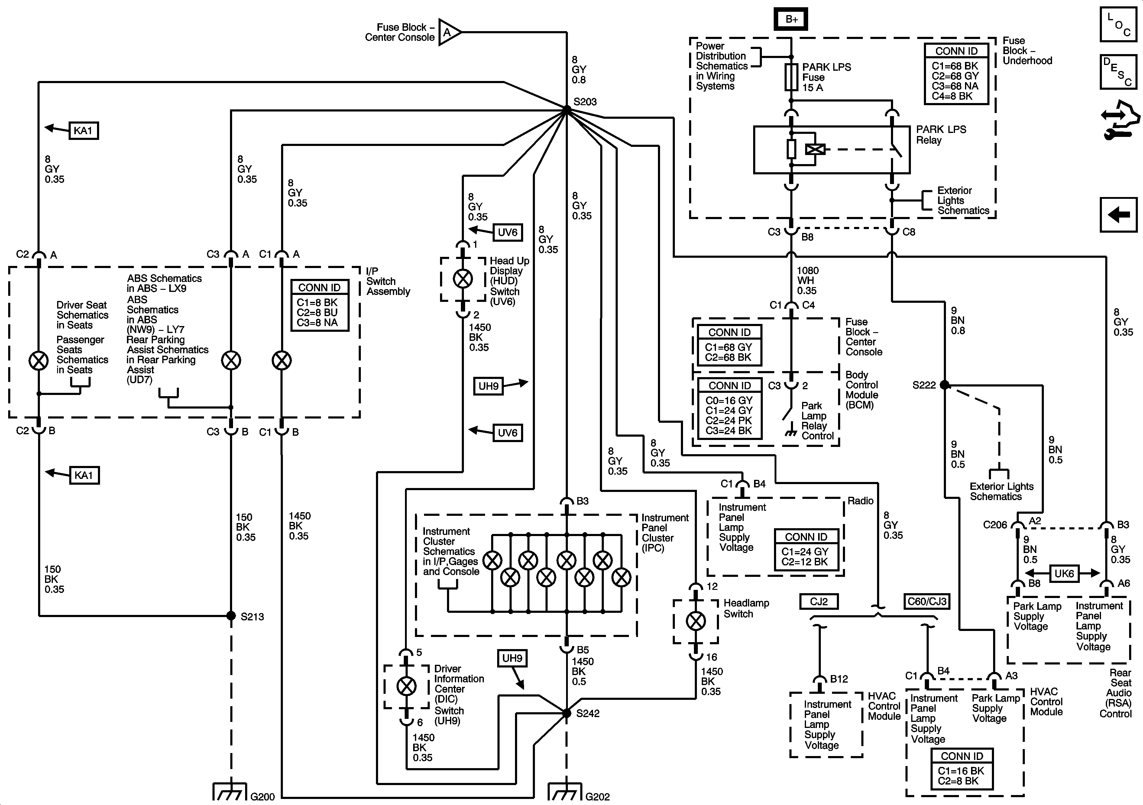
🢒 I/P and Console Lamps
I/P and Console Lamps
I/P and Console Lamps
Master Electrical Component List
Interior Lighting Systems Description and Operation
Control Module References
Dimming Controls and Door, Roof, and Steering Wheel Lamps
Dimming Controls and Door, Roof, and Steering Wheel Lamps
B+ Bus 1 of 2
Park Lamps
Power Seat and Heated Seat
Passenger Seat Schematics
DLC, Indicators, and Traction Control Switch-LX9
DLC, Indicators, and Traction Control Switch-LY7
Enabling, Ground, and Power
G200
G202
Park Lamps