GM Service Manual Online
For 1990-2009 cars only
Makes
🢒
Buick
🢒
2006
🢒
Rendezvous - FWD
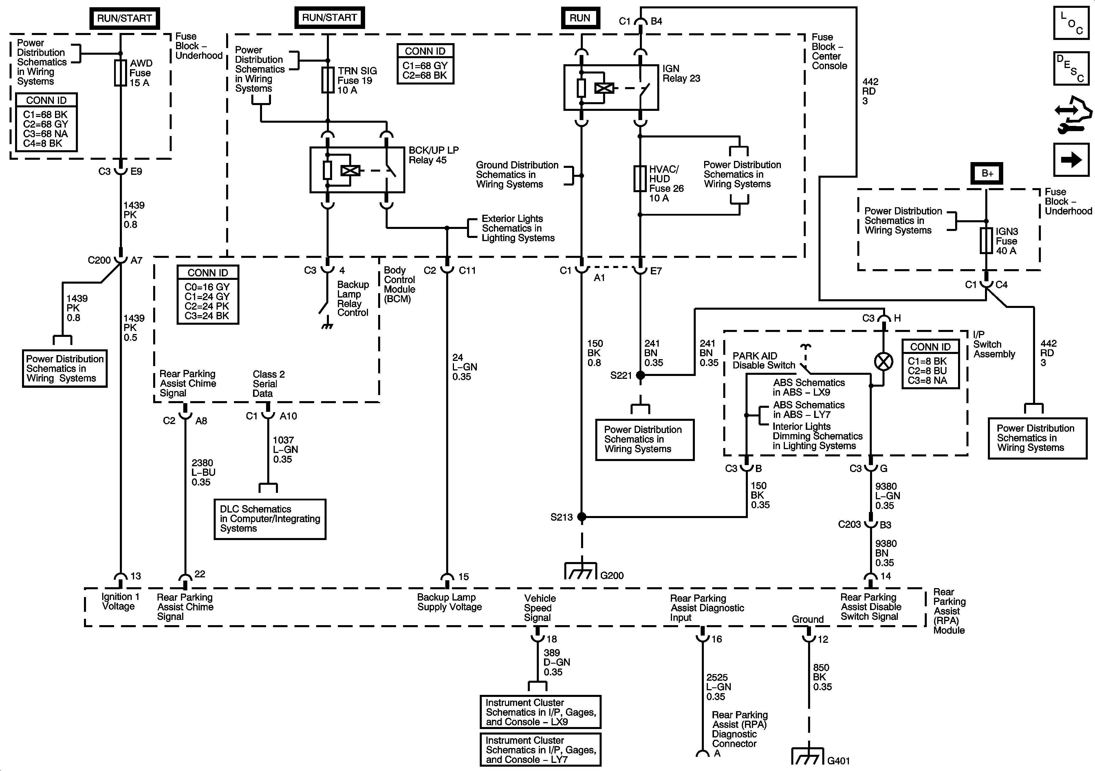
🢒 Enabling, Ground, and Power
Enabling, Ground, and Power
Enabling, Ground, and Power
Master Electrical Component List
Object Detection Description and Operation
Control Module References
Object Sensors
IGNITION Relay, ABS, AWD, ECM IGN1, and TRANS Fuses
CRUISE, IGN1 MAIN, and TRN SIG Fuses
G200
Backup Lamps
Ignition Switch-ACCY/RUN/START and RUN and START Bus Bars, HVAC BLWR, IPC/BCM/PK3, PK3, and PRK LCK IGN Fuses
HVAC/HUD Fuse
B+ Bus 1 of 2
IGNITION Relay, ABS, AWD, ECM IGN1, and TRANS Fuses
DLC Schematics
HVAC/HUD Fuse
G200
DLC, Indicators, and Traction Control Switch-LX9
DLC, Indicators, and Traction Control Switch-LY7
I/P and Console Lamps
B+ Bus 1 of 2
Gages-LX9
Gages-LY7
G401