GM Service Manual Online
For 1990-2009 cars only
Makes
🢒
Buick
🢒
2007
🢒
Rendezvous - FWD
🢒
Body Systems
🢒
Lighting
🢒 Headlights/Daytime Running Lights (DRL) Schematics
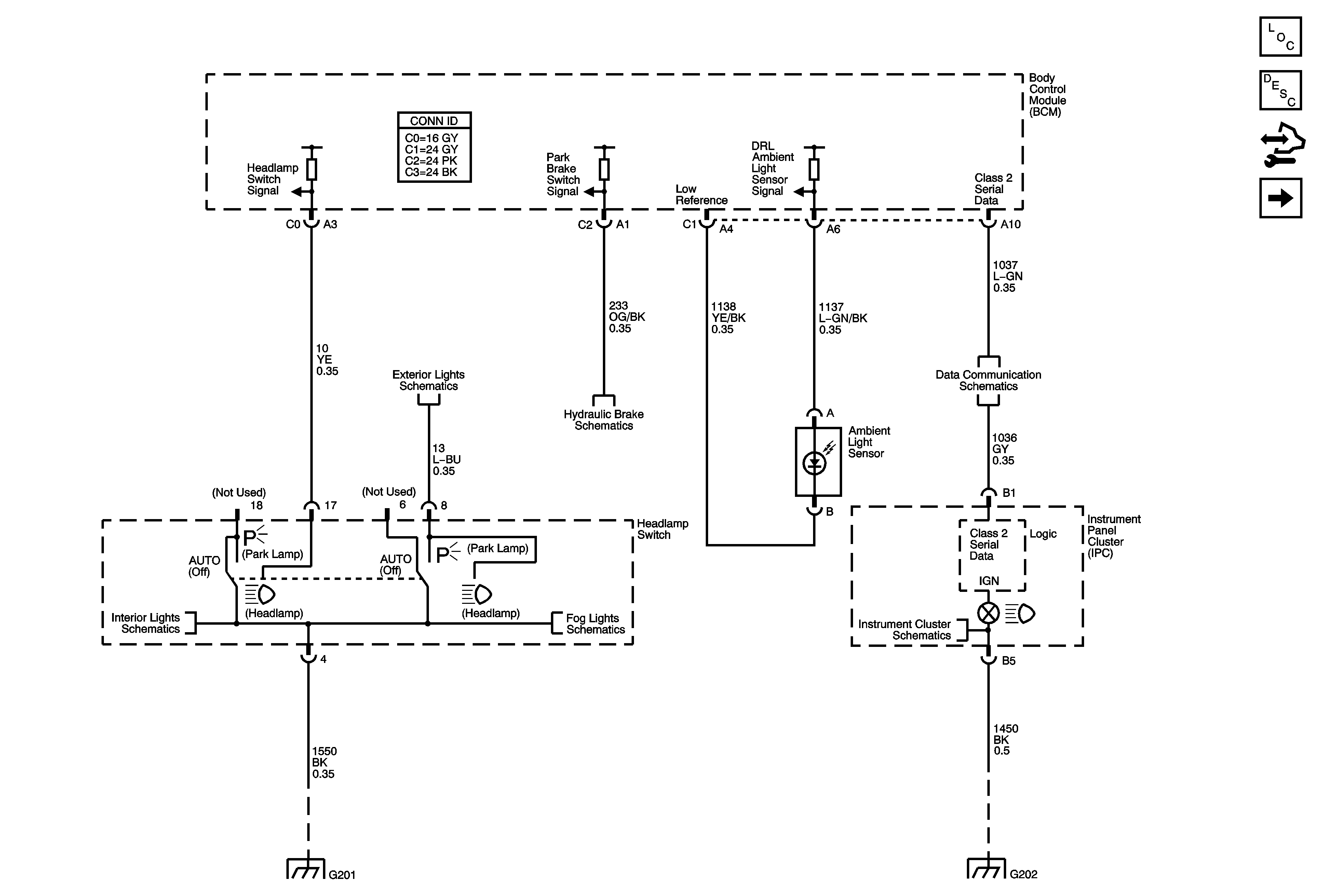
Figure
1:
Indicator, Lamp Control
Master Electrical Component List
Exterior Lighting Systems Description and Operation
Control Module References
Dimming, Lamps, Relays
I/P Lighting, Lamp Control
Park Lamps
Hydraulic Brake Schematics
Fog Lights Schematics
G201
G202
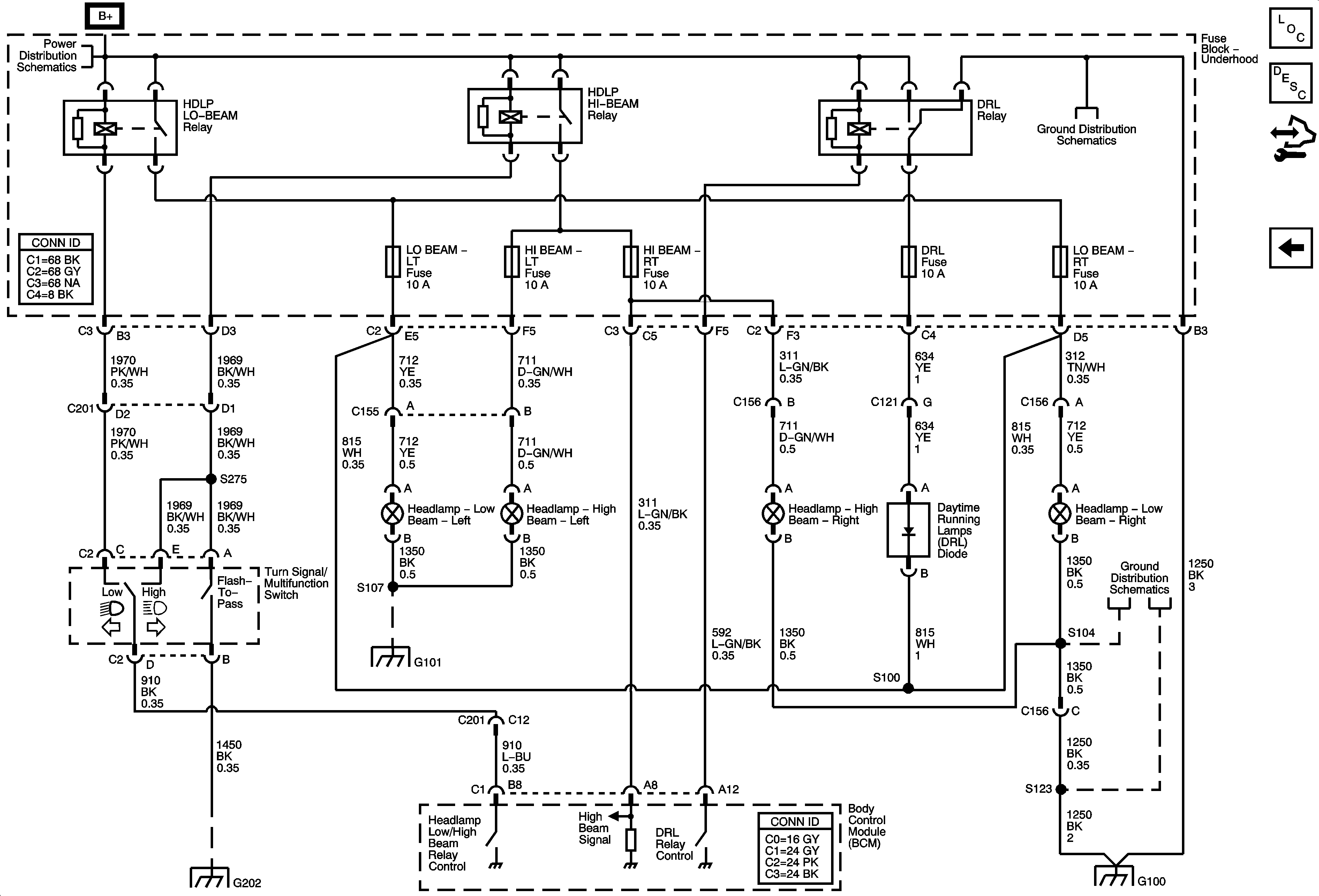
Figure
2:
Dimming, Lamps, Relays
Master Electrical Component List
Exterior Lighting Systems Description and Operation
Control Module References
Indicator, Lamp Control
B+ Bus 1 of 2
G100, and G111
G202
G101
G100, and G111
G100, and G111