GM Service Manual Online
For 1990-2009 cars only
Figure 1:

I/P Lighting, Lamp Control


Object Number: 1740954  Size: FS
Master Electrical Component List
Interior Lighting Systems Description and Operation
Control Module References
Roof Lighting
BATT 1, HAZRD LAMP, HUD, IPC/HVAC/SEC/RKE, IS LAMP, PK3, RDO and RDO AMP Fuses
Roof Lighting
Roof Lighting
Indicator, Lamp Control
Fog Lights Schematics
Park Lamps
G200
G201
Figure 2:

Roof Lighting


Object Number: 1740955  Size: FS
Master Electrical Component List
Interior Lighting Systems Description and Operation
Control Module References
Door and Liftgate Switches
I/P Lighting, Lamp Control
I/P Lighting, Lamp Control
G303-2 of 2
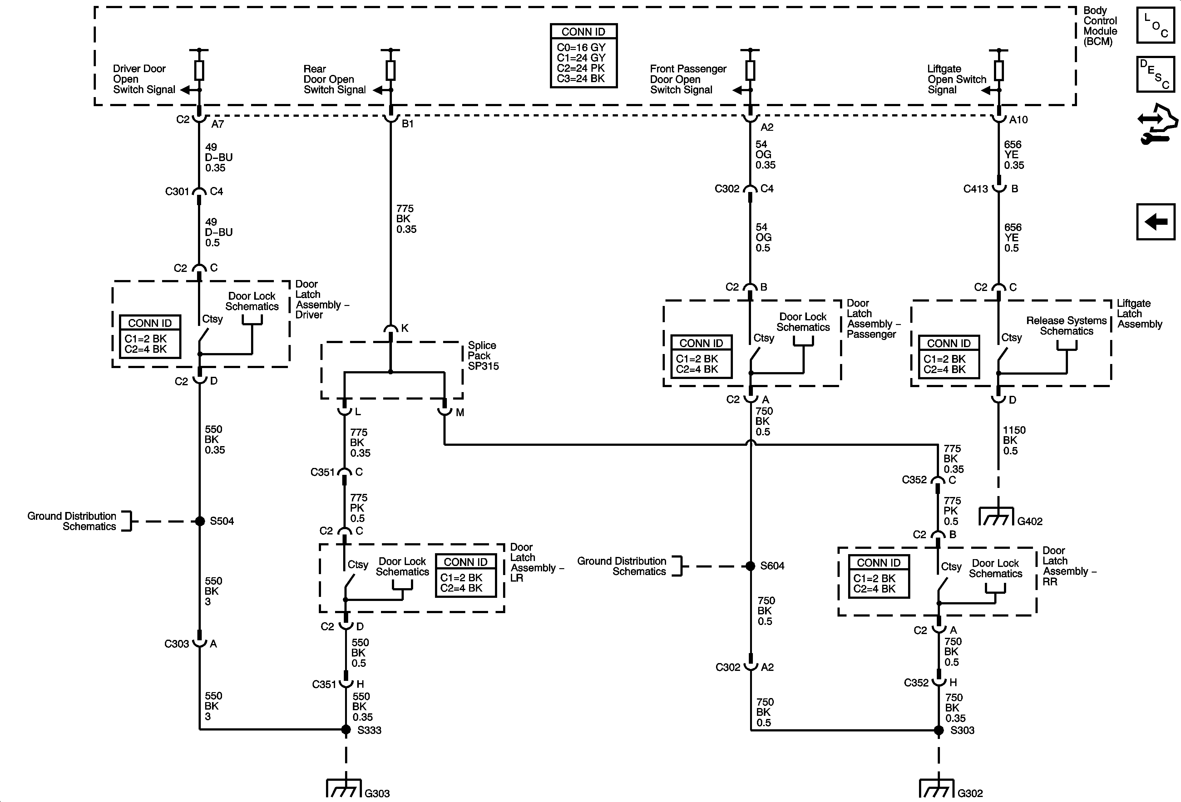
Figure 3:

Door and Liftgate Switches


Object Number: 1740957  Size: FS
Master Electrical Component List
Interior Lighting Systems Description and Operation
Control Module References
Roof Lighting
Indicator
Indicator
Release Systems Schematics
G303-1 of 2
Indicator
G302
Indicator
G303-1 of 2
G302