GM Service Manual Online
For 1990-2009 cars only
Makes
🢒
Buick
🢒
2007
🢒
Rendezvous - FWD
🢒
Safety and Security
🢒
Object Detection
🢒 Object Detection Schematics
Figure
1:
Enabling, Ground, and Power
Master Electrical Component List
Object Detection Description and Operation
Control Module References
Object Sensors and Display
IGNITION Relay, ABS, AWD, ECM IGN1, and TRANS Fuses
CRUISE, IGN1 MAIN, and TRN SIG Fuses
G200
Backup Lamps
Ignition Switch-ACCY/RUN/START and RUN and START Bus Bars, HVAC BLWR, IPC/BCM/PK3, PK3, and PRK LCK IGN Fuses
HVAC/HUD Fuse
B+ Bus 1 of 2
IGNITION Relay, ABS, AWD, ECM IGN1, and TRANS Fuses
Data Communication Schematics
HVAC/HUD Fuse
G200
DLC, Indicators, and Traction Control Switch
DLC, Indicators, and Traction Control Switch
I/P and Console Lamps
B+ Bus 1 of 2
Gages
G401
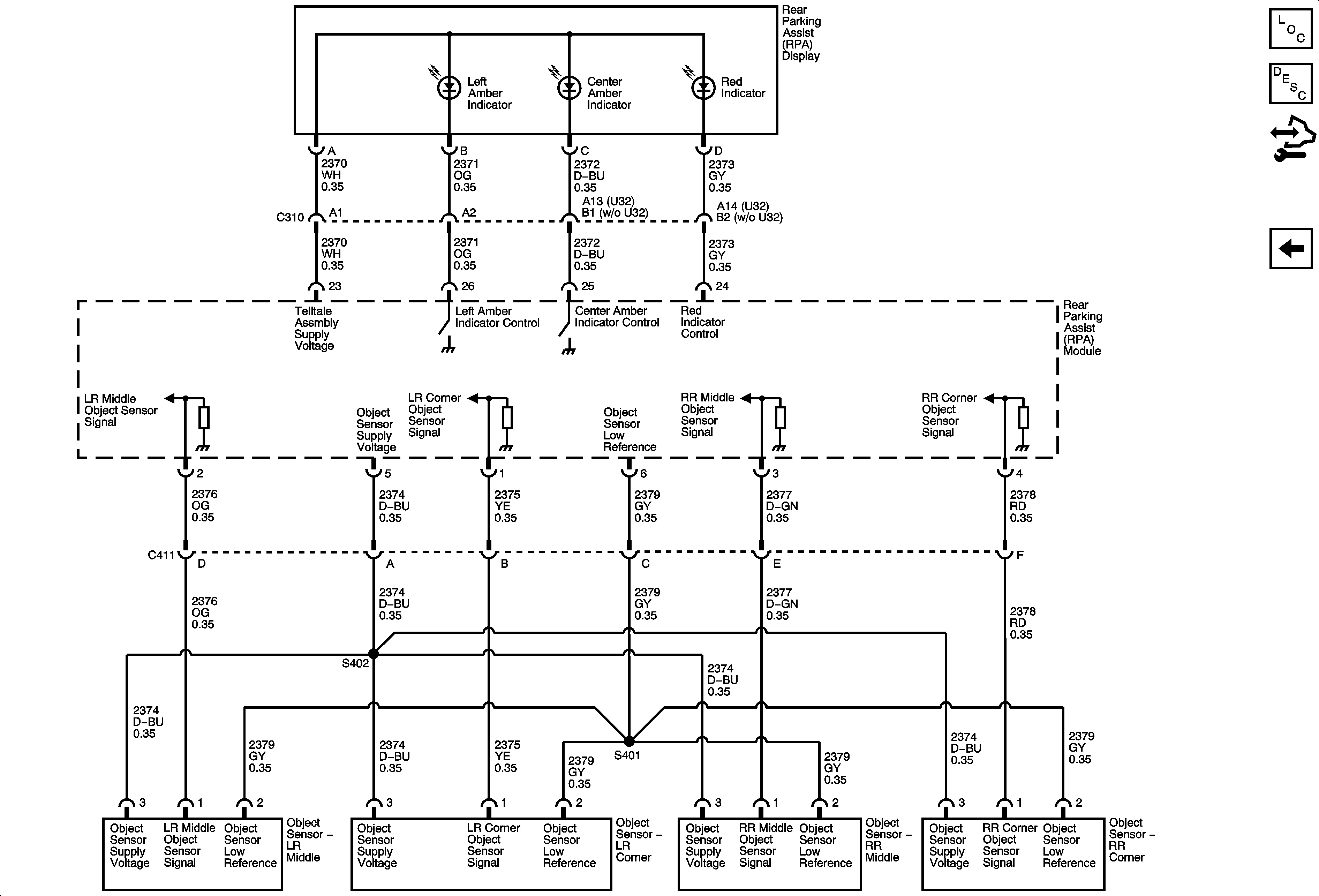
Figure
2:
Object Sensors and Display
Master Electrical Component List
Object Detection Description and Operation
Control Module References
Enabling, Ground, and Power