GM Service Manual Online
For 1990-2009 cars only
Makes
🢒
Buick
🢒
2007
🢒
Rendezvous - FWD
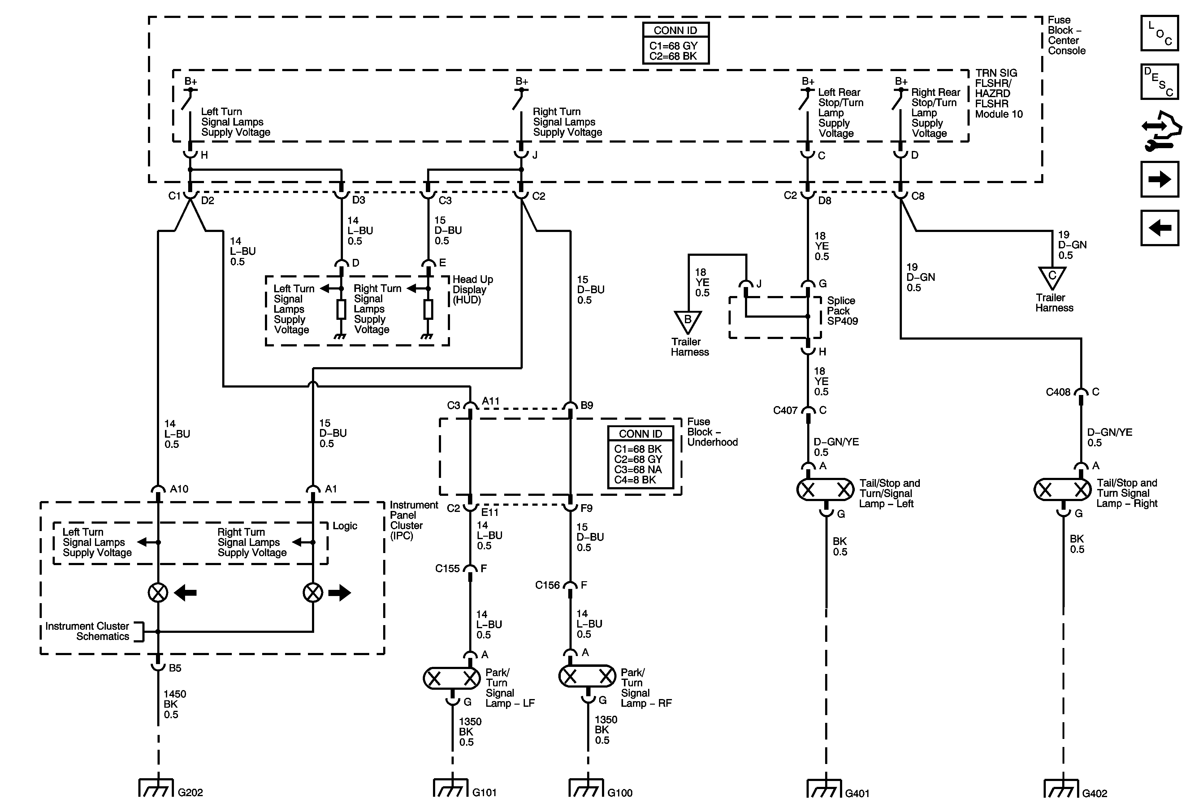
🢒 Turn/Stop Lamps and Indicators
Turn/Stop Lamps and Indicators
Turn/Stop Lamps and Indicators
Master Electrical Component List
Exterior Lighting Systems Description and Operation
Control Module References
Trailer Harness
Hazard, Stop, and Turn Signal Lamp Control
Trailer Harness
Trailer Harness
G202
G101
G100, and G111
G401
G402