GM Service Manual Online
For 1990-2009 cars only

Exterior Lights Schematics Buick

Figure 1:

Cell 110: Headlamp Switch and Park Lamp Control


Object Number: 341982  Size: FS
Lighting Systems Components
Exterior Lights Circuit Description
Cell 110: Turn/Hazard Switch and Stoplamp/BTSI Switch
Ground Distribution Schematics
Ground Distribution Schematics
Power Distribution Schematics
Power Distribution Schematics
Power Distribution Schematics
Cell 110: RH Lamps
Cell 110: LH Lamps
Handling ESD Sensitive Parts Notice
Lighting Systems Connector End Views
Figure 2:

Cell 110: Turn/Hazard Switch and Stoplamp/BTSI Switch


Object Number: 341995  Size: FS
Lighting Systems Components
Exterior Lights Circuit Description
Cell 110: RH Lamps
Cell 110: Headlamp Switch and Park Lamp Control
Ground Distribution Schematics
Cell 34: Cruise Control Module - Power, Ground and VSS
Cell 44: Stoplamp/BTSI Switch, Inlet/Outlet Solenoid Valve, and WHEEl Speed Sensors
Cell 81: Traction Off Indicator
Cell 76: IP Fuse Block
Power Distribution Schematics
Power Distribution Schematics
Cell 110: LH Lamps
Cell 110: RH Lamps
Cell 110: LH Lamps
Cell 110: RH Lamps
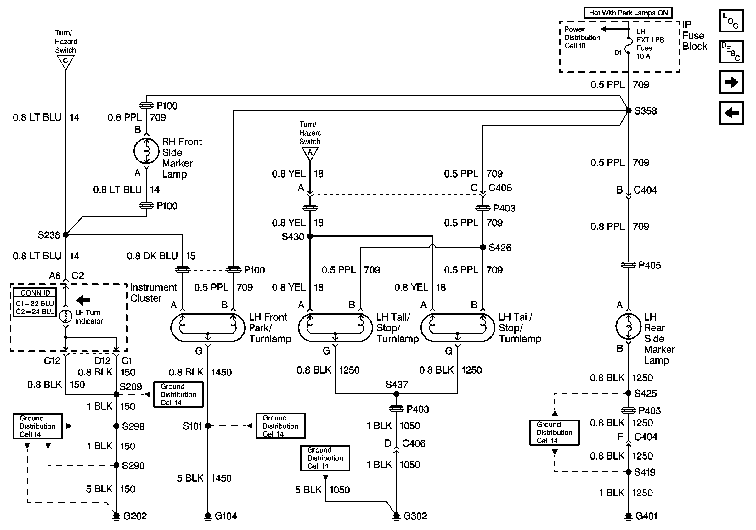
Figure 3:

Cell 110: RH Lamps


Object Number: 341992  Size: FS
Lighting Systems Components
Exterior Lights Circuit Description
Cell 110: LH Lamps
Cell 110: Turn/Hazard Switch and Stoplamp/BTSI Switch
Ground Distribution Schematics
Ground Distribution Schematics
Ground Distribution Schematics
Ground Distribution Schematics
Cell 110: Turn/Hazard Switch and Stoplamp/BTSI Switch
Cell 110: Turn/Hazard Switch and Stoplamp/BTSI Switch
Power Distribution Schematics
Instrument Panel, Gages, and Console Connector End Views
Figure 4:

Cell 110: LH Lamps


Object Number: 341994  Size: FS
Lighting Systems Components
Exterior Lights Circuit Description
Cell 110: Cornering Lights
Cell 110: RH Lamps
Ground Distribution Schematics
Ground Distribution Schematics
Ground Distribution Schematics
Ground Distribution Schematics
Cell 110: Turn/Hazard Switch and Stoplamp/BTSI Switch
Cell 110: Turn/Hazard Switch and Stoplamp/BTSI Switch
Power Distribution Schematics
Instrument Panel, Gages, and Console Connector End Views
Figure 5:

Cell 110: Cornering Lights


Object Number: 341999  Size: FS
Lighting Systems Components
Exterior Lights Circuit Description
Cell 110: LH Lamps
Handling ESD Sensitive Parts Notice
Ground Distribution Schematics
Ground Distribution Schematics
Power Distribution Schematics
Cell 112

Exterior Lights Schematics Oldsmobile

Figure 1:

Cell 110: Headlamp Switch and Park Lamp Control


Object Number: 341980  Size: FS
Lighting Systems Components
Exterior Lights Circuit Description
Cell 110: Turn/Hazard Switch and Stoplamp/BTSI Switch
Handling ESD Sensitive Parts Notice
Ground Distribution Schematics
Cell 110: LH Lamps
Cell 110: RH Lamps
Power Distribution Schematics
Power Distribution Schematics
Power Distribution Schematics
Lighting Systems Connector End Views
Figure 2:

Cell 110: Turn/Hazard Switch and Stoplamp/BTSI Switch


Object Number: 341997  Size: FS
Lighting Systems Components
Exterior Lights Circuit Description
Cell 110: RH Lamps
Cell 110: Headlamp Switch and Park Lamp Control
Power Distribution Schematics
Power Distribution Schematics
Cell 44: Stoplamp/BTSI Switch, Inlet/Outlet Solenoid Valve, and WHEEl Speed Sensors
Cell 34: Cruise Control Module - Power, Ground and VSS
Cell 81: Traction Off Indicator
Ground Distribution Schematics
Cell 110: LH Lamps
Cell 110: RH Lamps
Cell 110: LH Lamps
Cell 110: RH Lamps
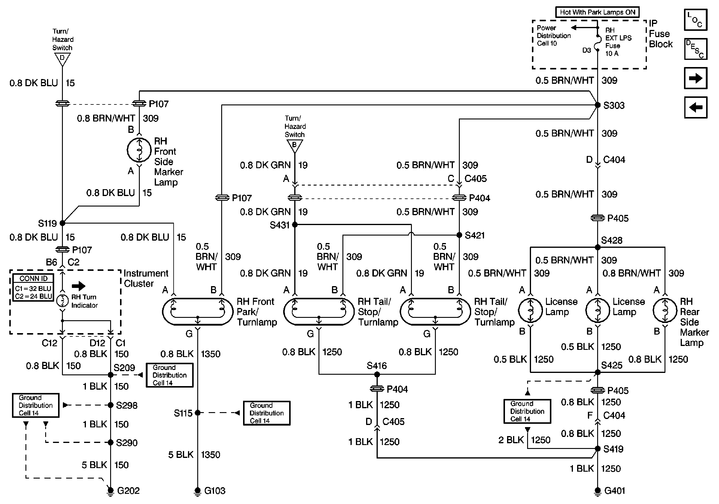
Figure 3:

Cell 110: RH Lamps


Object Number: 341985  Size: FS
Lighting Systems Components
Exterior Lights Circuit Description
Cell 110: LH Lamps
Cell 110: Turn/Hazard Switch and Stoplamp/BTSI Switch
Ground Distribution Schematics
Ground Distribution Schematics
Ground Distribution Schematics
Ground Distribution Schematics
Cell 110: Turn/Hazard Switch and Stoplamp/BTSI Switch
Cell 110: Turn/Hazard Switch and Stoplamp/BTSI Switch
Power Distribution Schematics
Instrument Panel, Gages, and Console Connector End Views
Figure 4:

Cell 110: LH Lamps


Object Number: 341987  Size: FS
Lighting Systems Components
Exterior Lights Circuit Description
Cell 110: Cornering Lights
Cell 110: RH Lamps
Power Distribution Schematics
Ground Distribution Schematics
Ground Distribution Schematics
Ground Distribution Schematics
Ground Distribution Schematics
Ground Distribution Schematics
Cell 110: Turn/Hazard Switch and Stoplamp/BTSI Switch
Cell 110: Turn/Hazard Switch and Stoplamp/BTSI Switch
Instrument Panel, Gages, and Console Connector End Views
Figure 5:

Cell 110: Cornering Lights


Object Number: 341999  Size: FS
Lighting Systems Components
Exterior Lights Circuit Description
Cell 110: LH Lamps
Handling ESD Sensitive Parts Notice
Ground Distribution Schematics
Ground Distribution Schematics
Power Distribution Schematics
Cell 112