GM Service Manual Online
For 1990-2009 cars only
Makes
🢒
Buick
🢒
1999
🢒
Riviera
🢒 Cell 117: Dimming Control
Cell 117: Dimming Control
Cell 117: Dimming Control
Lighting Systems Components
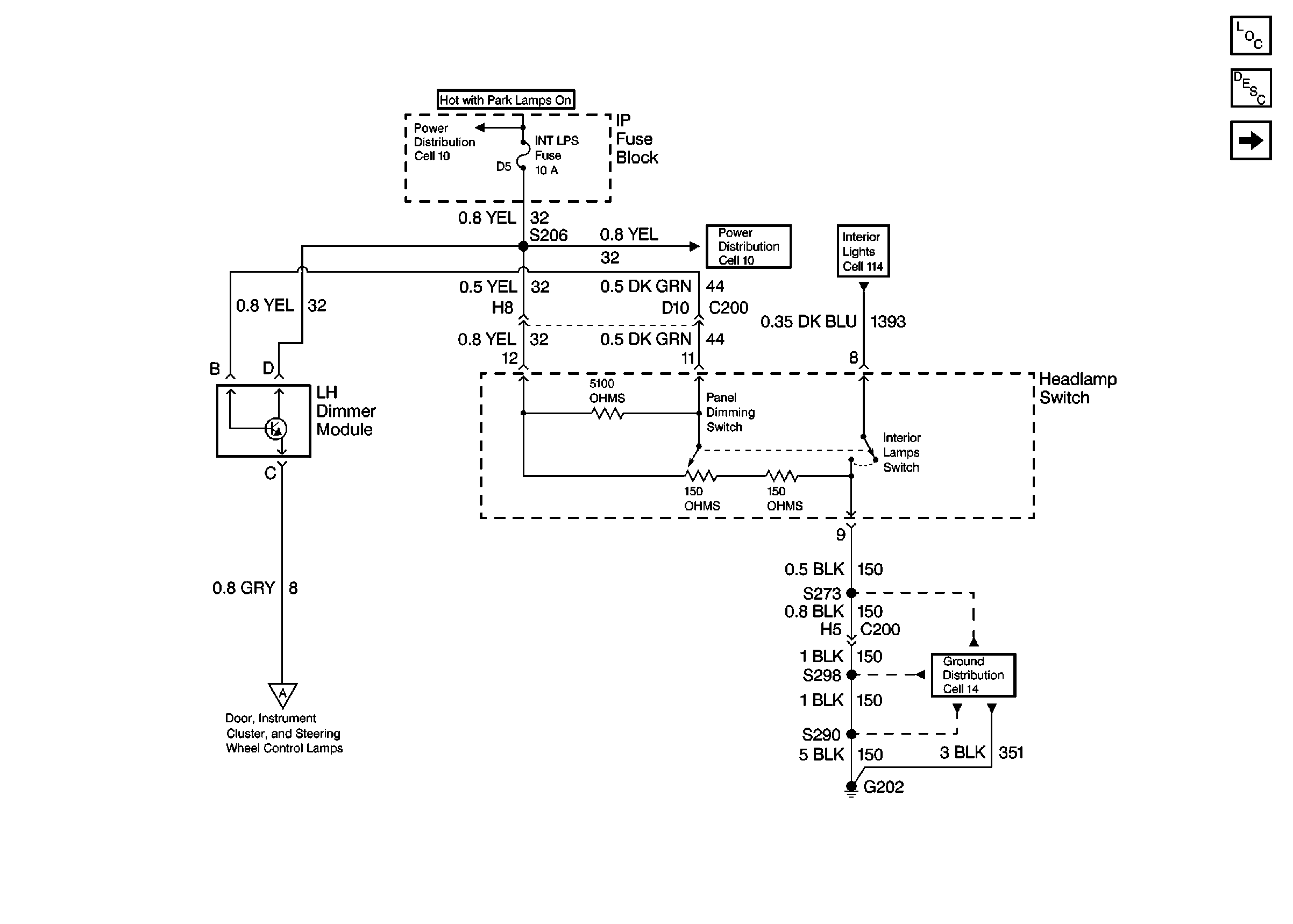
Interior Lights Dimming Circuit Description
Cell 117: Door, Instrument Cluster, and Steering Wheel Controls Lamps
Power Distribution Schematics
Power Distribution Schematics
Ground Distribution Schematics
Cell 114: PWR, GND, and Inputs
Cell 117: Door, Instrument Cluster, and Steering Wheel Controls Lamps