GM Service Manual Online
For 1990-2009 cars only

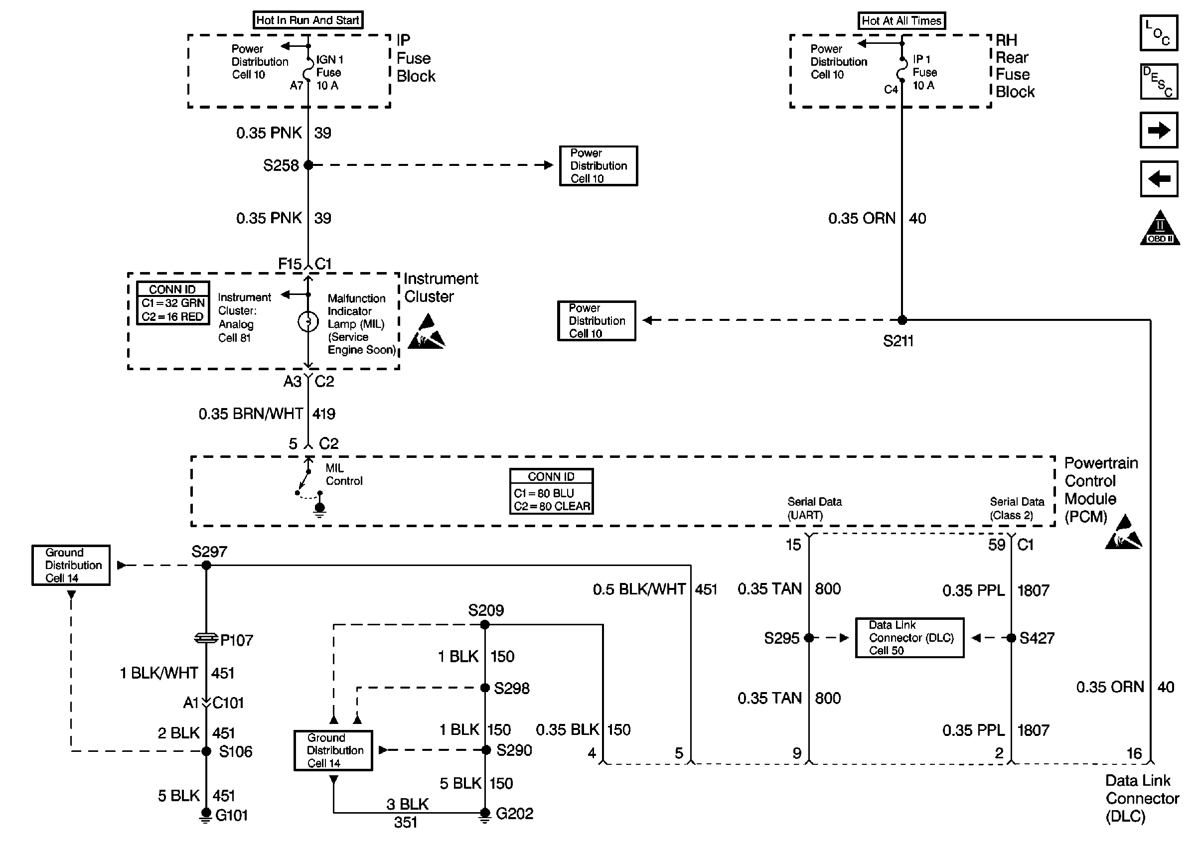
Refer to Engine Controls Schematics

Cell 20: MIL Control, DLC


Object Number: 380976  Size: FS
Engine Controls Components
Powertrain Control Module Description
Cell 20: Ignition Control Module
Cell 20: PCM Power and Grounds
OBD II Symbol Description Notice
Cell 10: Battery
Cell 10: HTD ST/IP Fuse and EXT LP Fuse
Cell 10: CHIME(IGN 1) Fuse (Buick)
Handling ESD Sensitive Parts Notice
Cell 10: IP 1 Fuse (Buick)
Powertrain Control Module Connector End Views
Handling ESD Sensitive Parts Notice
Data Link Connector Schematics
Ground Distribution Schematics
Cell 14: G100 and G101 (Buick)
for a wiring diagram.

Circuit Description

The PCM uses the UARTserial data line (CKT 800) to communicate with various other components and systems within the vehicle. If the PCM does not receive data from the Electronic Brake and Traction Control Module (EBTCM), the PCM will store DTC P1573 indicating loss of communication with the ABS/TCS system.

Conditions for Running the DTC

The ignition is on.

Conditions for Setting the DTC

The PCM has detected a PCM - EBTCM communication error for 0.5 second.

Action Taken When the DTC Sets

The PCM stores conditions which were present when the DTC set as Failure Records only. This information will not be stored as Freeze Frame Records.

Conditions for Clearing the MIL/DTC

    • The DTC becomes history when the conditions for setting the DTC are no longer present.
    • The history DTC clears after 40 malfunction free warm-up cycles.
    • The PCM receives a clear code command from the scan tool.

Diagnostic Aids

An intermittent may be caused by a poor connection, rubbed through wire insulation, or a wire broken inside the insulation. Check for the following conditions:

    • Poor Connection or Damaged Harness.
        Inspect the vehicle wiring harness for an open or short to ground in CKT 800, improper mating, broken locks, improperly formed or damaged terminals, poor terminal to wire connection, and damaged harness.
    • Intermittent Test.
        Observe ABS data on the scan tool while moving harness and related connectors. Refer to UART Data Line in Electrical for a complete mechanization of CKT 800 and devices using the UART serial data line. If failure is induced, the scan tool data will stop updating. This may help to isolate the location of the malfunction.
    • If the above items have been checked and no problem is found but DTC P1573 continues to set, replace the PCM.

Reviewing the Fail Records vehicle mileage after the diagnostic test last failed may help determine how often the condition that caused the DTC to be set occurs. This may assist in diagnosing the condition.

Test Description

Number(s) below refer to the step number(s) on the Diagnostic Table.

  1. Checks to see if the Electronic Brake and Traction Control Module (EBTCM) is able to transmit data and ensures that CKT 800 to the EBTCM is not open.

DTC P1573 - PCM/EBTCM Serial Data Circuit

Step

Action

Value(s)

Yes

No

1

Was the Powertrain On-Board Diagnostic (OBD) System Check performed?

--

Go to Step 2

Go to Powertrain On Board Diagnostic (OBD) System Check

2

Attempt to select ABS data with the scan tool.

Can ABS data be displayed?

--

Go to Step 3

Go to Step 4

3

  1. Turn OFF the ignition.
  2. Disconnect the PCM and the EBTCM.
  3. Check the UART serial data circuit for an open between the EBTCM and the PCM.
  4. If a problem is found, repair as necessary. Refer to Wiring Repairs .

Was a problem found?

--

Go to Step 8

Go to Step 5

4

  1. Turn OFF the ignition.
  2. Disconnect the EBTCM.
  3. Turn ON the ignition, with the engine OFF.
  4. Measure voltage between the serial data circuit at the EBTCM harness connector and ground, using a J 39200 digital multimeter.

Does voltage constantly vary between the specified values?

0-5V

Go to Step 6

Go to Data Link Connector Schematics

5

  1. Check the UART serial data circuit for a poor connection at the PCM.
  2. If a problem is found, repair as necessary. Refer to Intermittents and Poor Connections Diagnosis and Repairing Connector Terminals .

Was a problem found?

--

Go to Step 8

Go to Diagnostic Aids

6

  1. Check the UART serial data circuit for a poor connection at the EBTCM
  2. If a problem is found, repair as necessary. Refer to Intermittents and Poor Connections Diagnosis Repairing Connector Terminals .

Was a problem found?

--

Go to Step 8

Go to Step 7

7

Replace the EBTCM. Refer to Electronic Brake and Traction Control Module Replacement .

Is the action complete?

--

Go to Step 8

--

8

  1. Review and record scan tool Fail Records data.
  2. Clear the DTCs.
  3. Operate the vehicle within Fail Records conditions.
  4. Monitor Specific DTC info for DTC P1573, using a scan tool.

Does the scan tool indicate DTC P1573 failed?

--

Go to Step 2

System OK