GM Service Manual Online
For 1990-2009 cars only
Figure 1:

Power, Ground, MIL, and DLC


Object Number: 33689  Size: FS
Engine Controls Components
Information Sensors
Ignition Controls
Handling ESD Sensitive Parts Notice
OBD II Symbol Description Notice
Handling ESD Sensitive Parts Notice
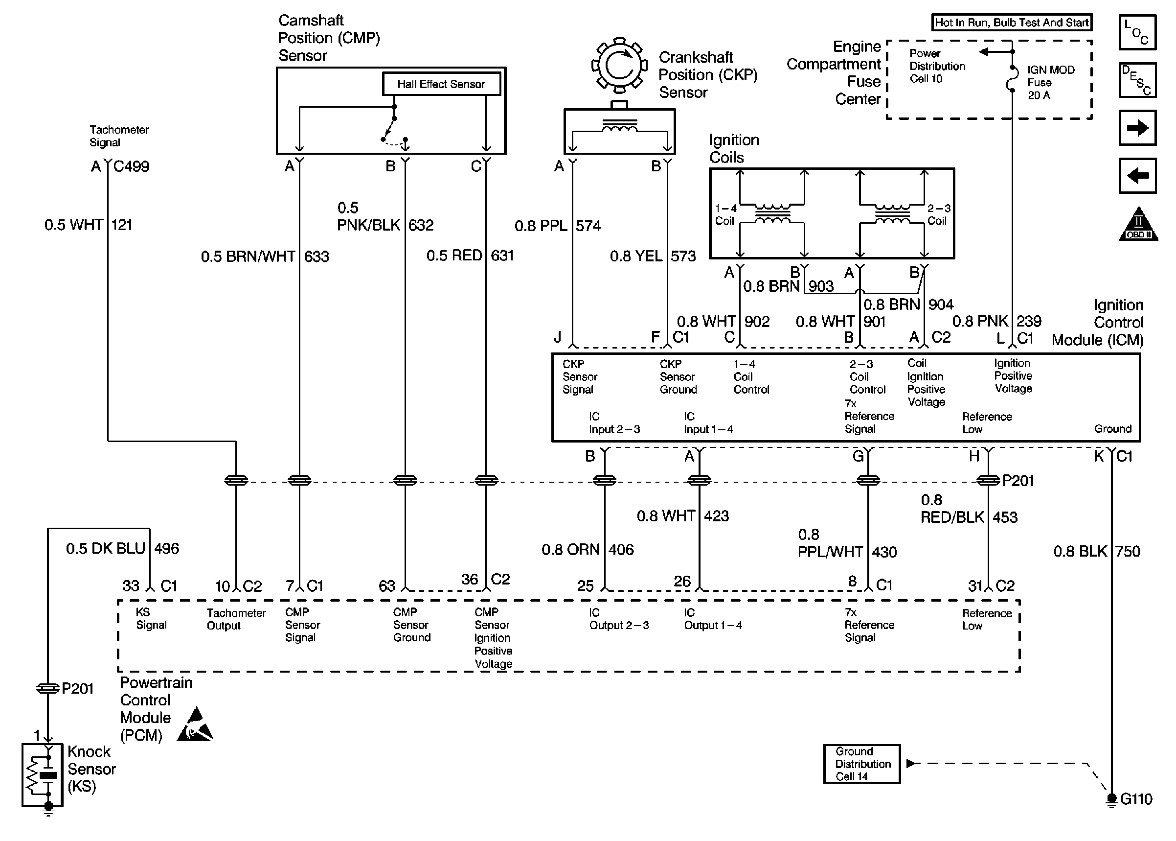
Figure 2:

Ignition Controls


Object Number: 33705  Size: FS
Engine Controls Components
Information Sensors
Fuel Controls
Power, Ground, MIL, and DLC
OBD II Symbol Description Notice
Handling ESD Sensitive Parts Notice
Figure 3:

Fuel Controls


Object Number: 33713  Size: FS
Engine Controls Components
Information Sensors
Engine Data Sensors
Ignition Controls
OBD II Symbol Description Notice
Handling ESD Sensitive Parts Notice
Figure 4:

Engine Data Sensors


Object Number: 33726  Size: FS
Engine Controls Components
Information Sensors
EVAP and EGR Controls
Fuel Controls
OBD II Symbol Description Notice
Handling ESD Sensitive Parts Notice
Handling ESD Sensitive Parts Notice
Figure 5:

EVAP and EGR Controls


Object Number: 33729  Size: FS
Engine Controls Components
Information Sensors
Oxygen Sensors
Engine Data Sensors
OBD II Symbol Description Notice
Handling ESD Sensitive Parts Notice
Figure 6:

Oxygen Sensors


Object Number: 33731  Size: FS
Engine Controls Components
Information Sensors
IAC Valve, Generator, TR, Oil and Coolant Switches
EVAP and EGR Controls
OBD II Symbol Description Notice
Handling ESD Sensitive Parts Notice
Figure 7:

IAC Valve, Generator, TR, Oil and Coolant Switches


Object Number: 33735  Size: FS
Engine Controls Components
Information Sensors
VSS and Cruise Control
Oxygen Sensors
OBD II Symbol Description Notice
Handling ESD Sensitive Parts Notice
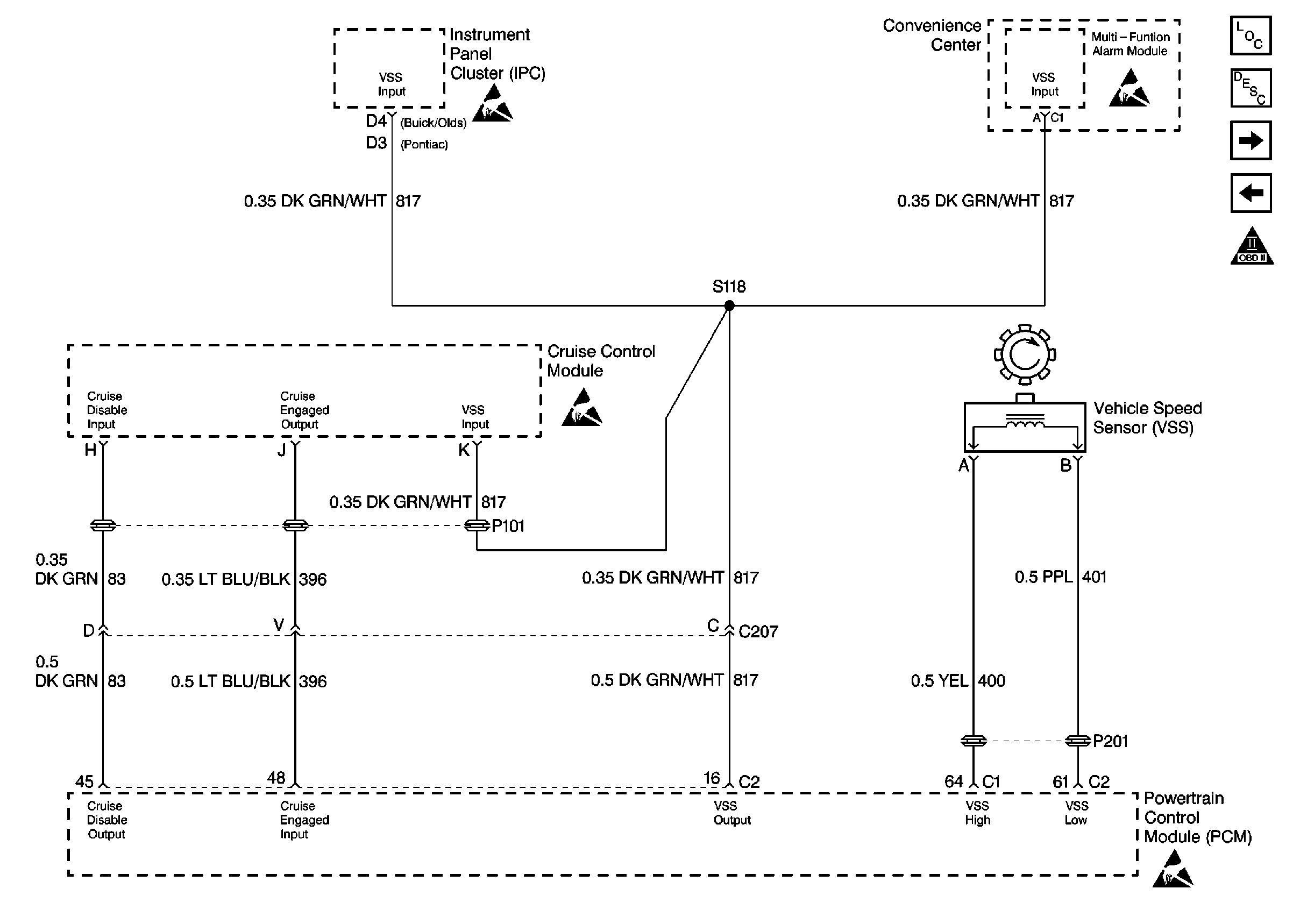
Figure 8:

VSS and Cruise Control


Object Number: 33742  Size: FS
Engine Controls Components
Information Sensors
Transaxle Controls
IAC Valve, Generator, TR, Oil and Coolant Switches
OBD II Symbol Description Notice
Handling ESD Sensitive Parts Notice
Handling ESD Sensitive Parts Notice
Handling ESD Sensitive Parts Notice
Handling ESD Sensitive Parts Notice
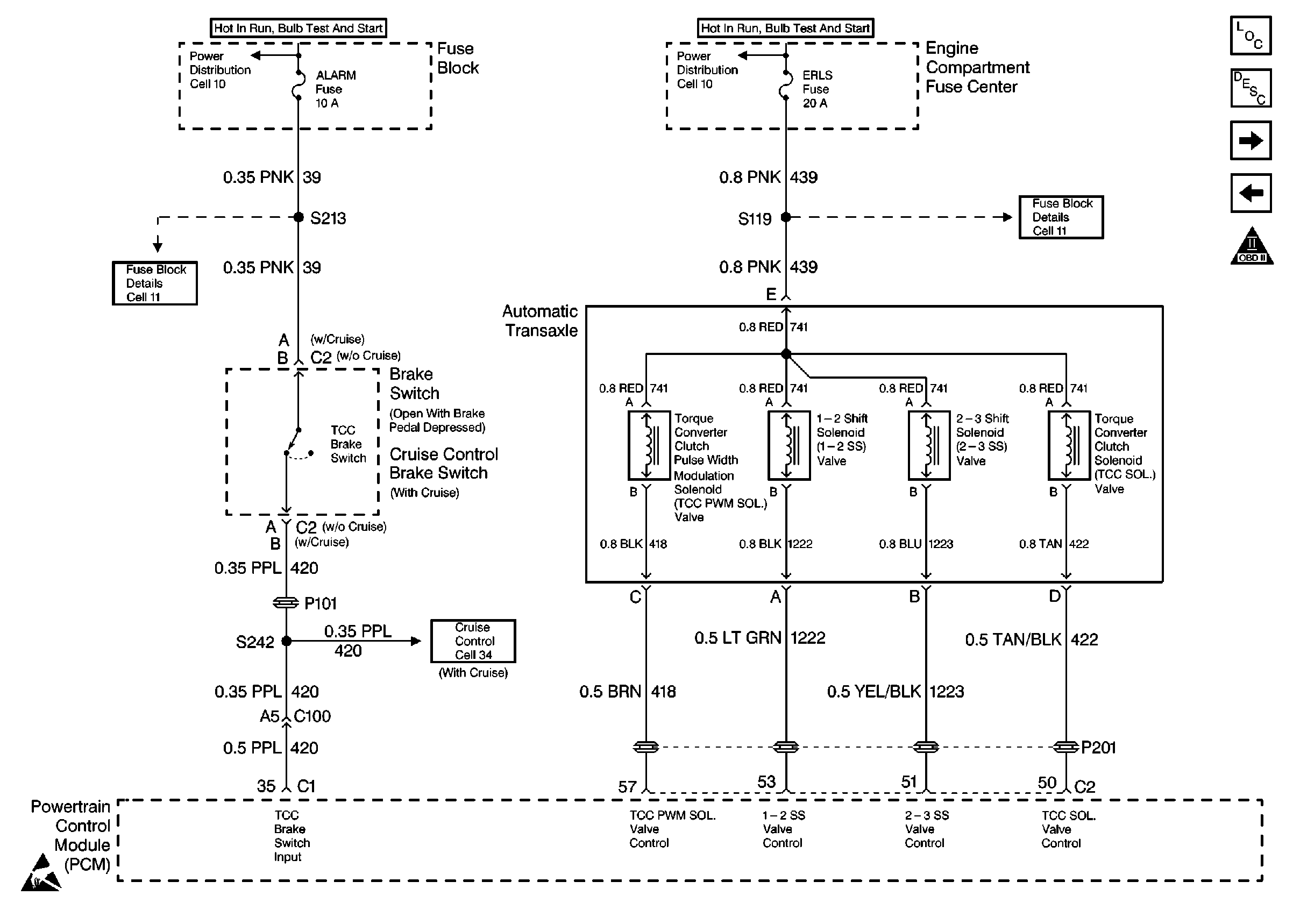
Figure 9:

Transaxle Controls


Object Number: 33744  Size: FS
Engine Controls Components
Information Sensors
A/C Controls
VSS and Cruise Control
OBD II Symbol Description Notice
Handling ESD Sensitive Parts Notice
Figure 10:

A/C Controls


Object Number: 33745  Size: FS
Engine Controls Components
Information Sensors
Cooling Fan Controls
Transaxle Controls
OBD II Symbol Description Notice
Handling ESD Sensitive Parts Notice
Figure 11:

Cooling Fan Controls


Object Number: 33746  Size: FS
Engine Controls Components
Information Sensors
A/C Controls
OBD II Symbol Description Notice
Handling ESD Sensitive Parts Notice