GM Service Manual Online
For 1990-2009 cars only
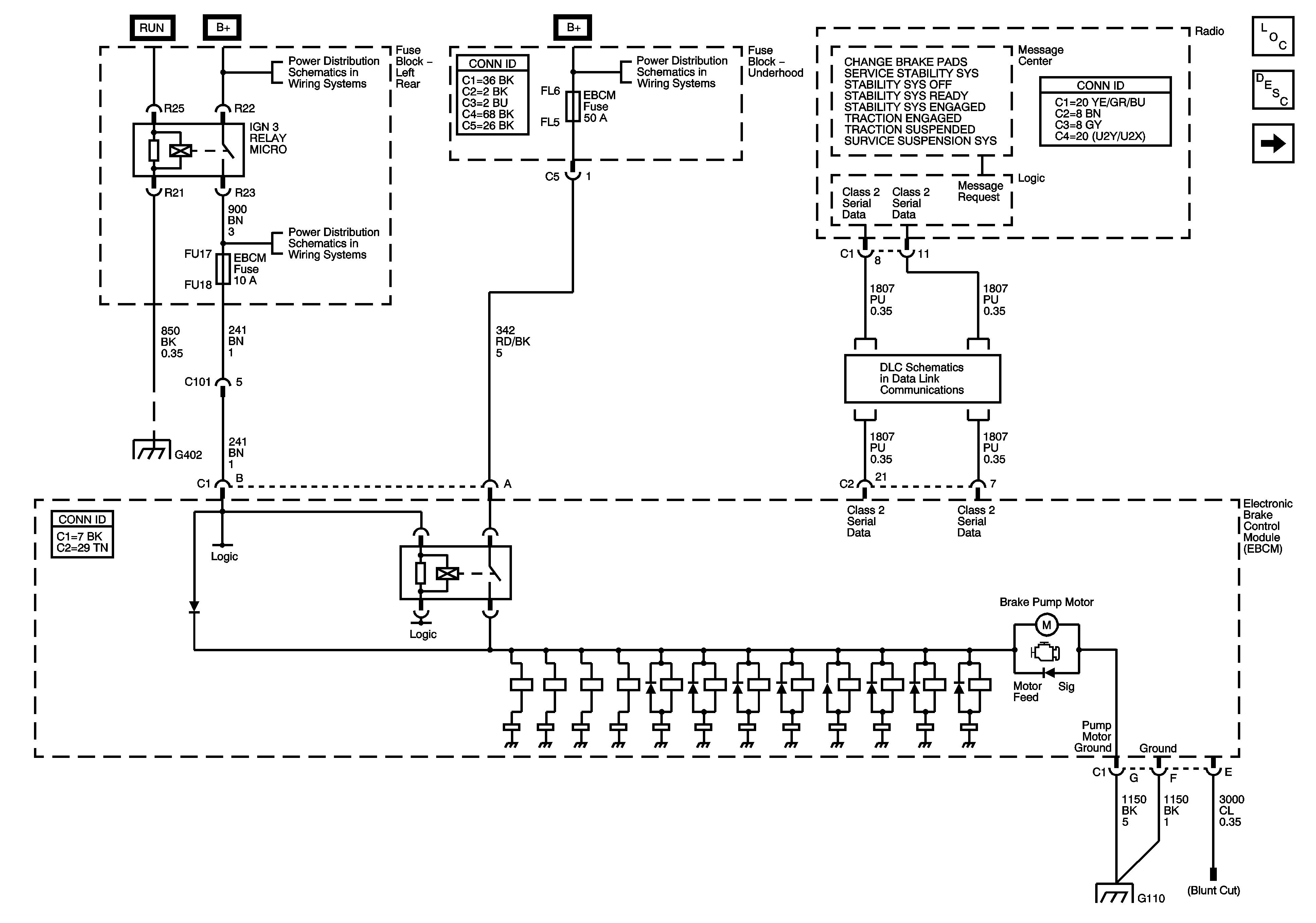
Figure 1:

Module Power, Ground, and Serial Data


Object Number: 788123  Size: FS
Master Electrical Component List
ABS Description and Operation
Vehicle Stability Enhancement System
Class 2 (LHD) 1 of 2
Underhood Fuse Block - L REAR Fuses
Battery Voltage to the Underhood Fuse Block
Left Rear Fuse Block - IGN-3 Relay, ABS, CCP, HDLP LVL, and IGN-3 Fuses
Ground Distribution Schematics (G402) ( 2 of 2)
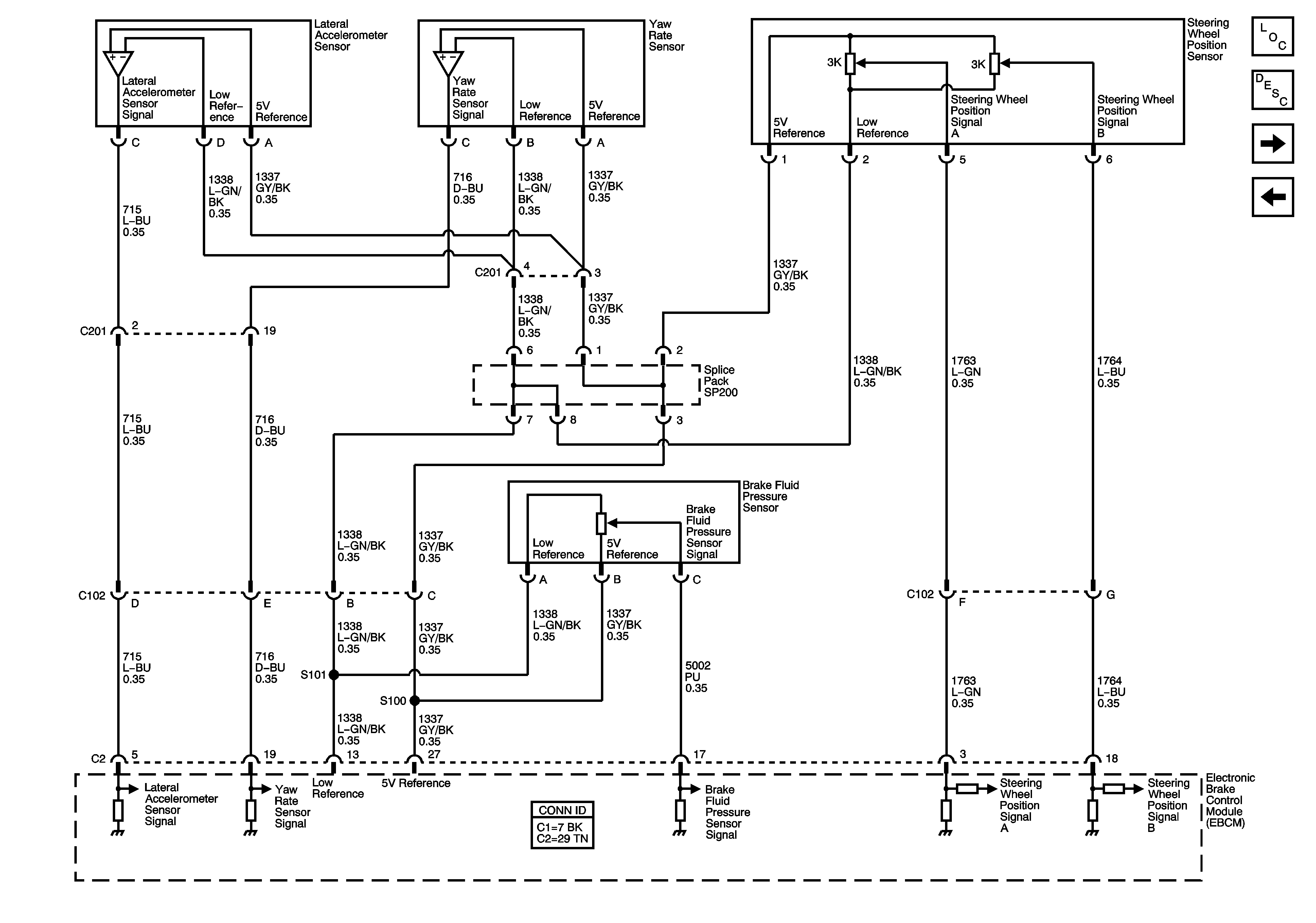
Figure 2:

Vehicle Stability Enhancement System


Object Number: 638833  Size: FS
Master Electrical Component List
ABS Description and Operation
Switches and Indicators
Module Power, Ground, and Serial Data
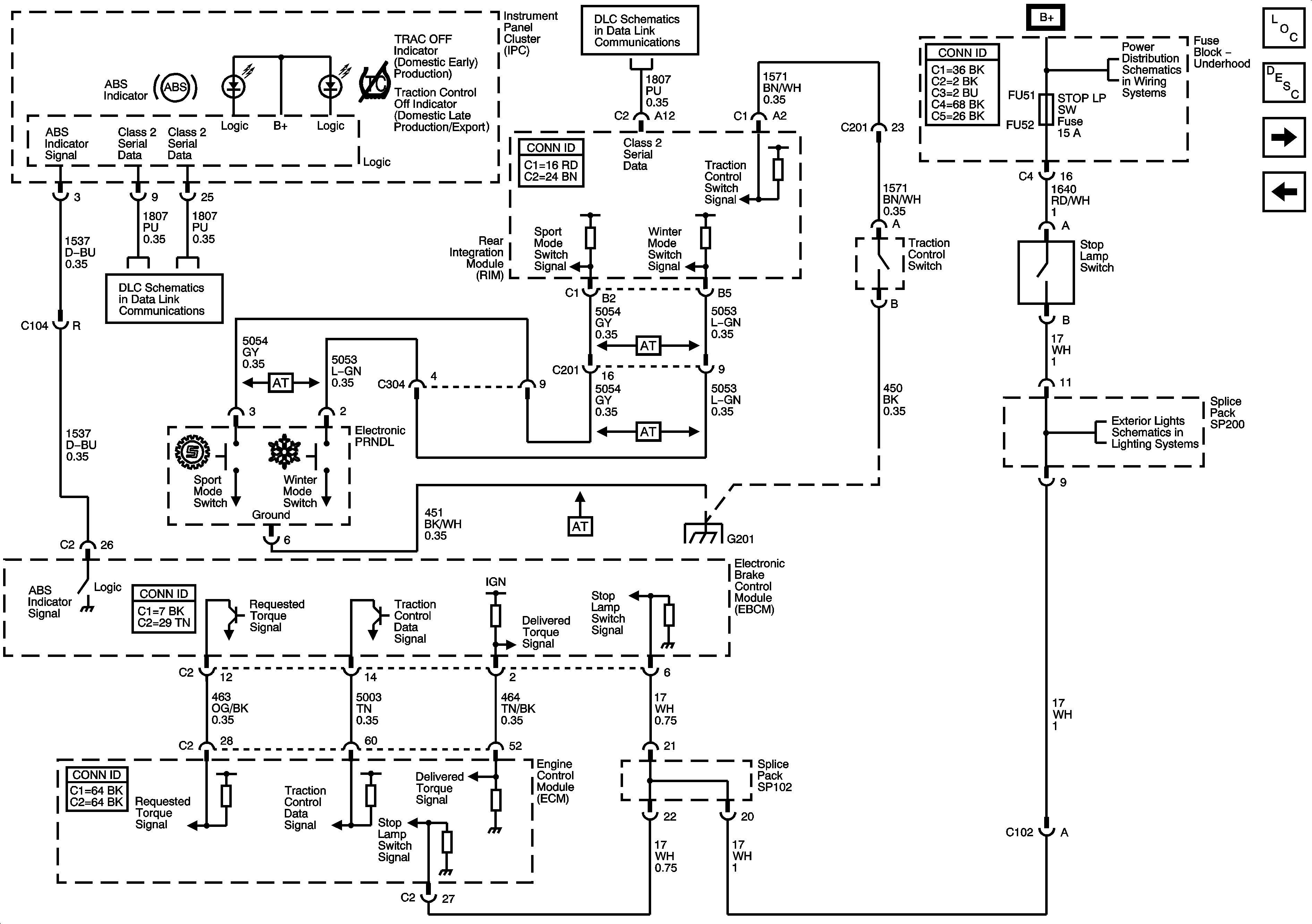
Figure 3:

Switches and Indicators


Object Number: 788126  Size: FS
Master Electrical Component List
ABS Description and Operation
Wheel Speed Sensors
Vehicle Stability Enhancement System
Class 2 (LHD) 1 of 2
Class 2 (LHD) 2 of 2
Battery Voltage to the Underhood Fuse Block
Exterior Lighting system Schematics ( Park/Stop Lamps )
G201
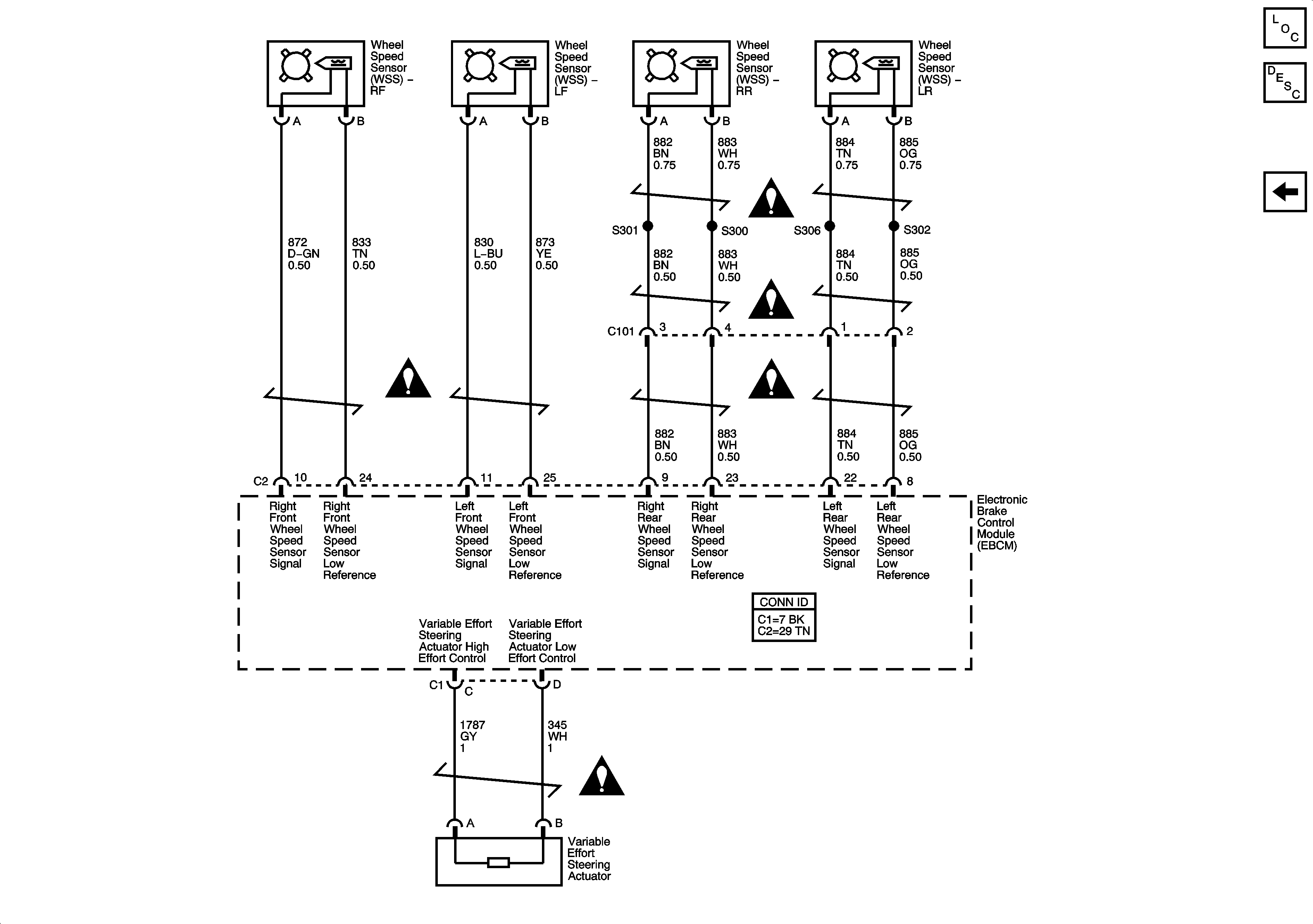
Figure 4:

Wheel Speed Sensors


Object Number: 880015  Size: FS
Master Electrical Component List
ABS Description and Operation
Switches and Indicators