GM Service Manual Online
For 1990-2009 cars only
Figure 1:

Power, Ground, and Wiper Switch


Object Number: 638876  Size: FS
Wiper/Washer System Schematics Power, Grounds, Washer Pump Motor
Wiper/Washer System Schematics Power, Grounds, Washer Pump Motor
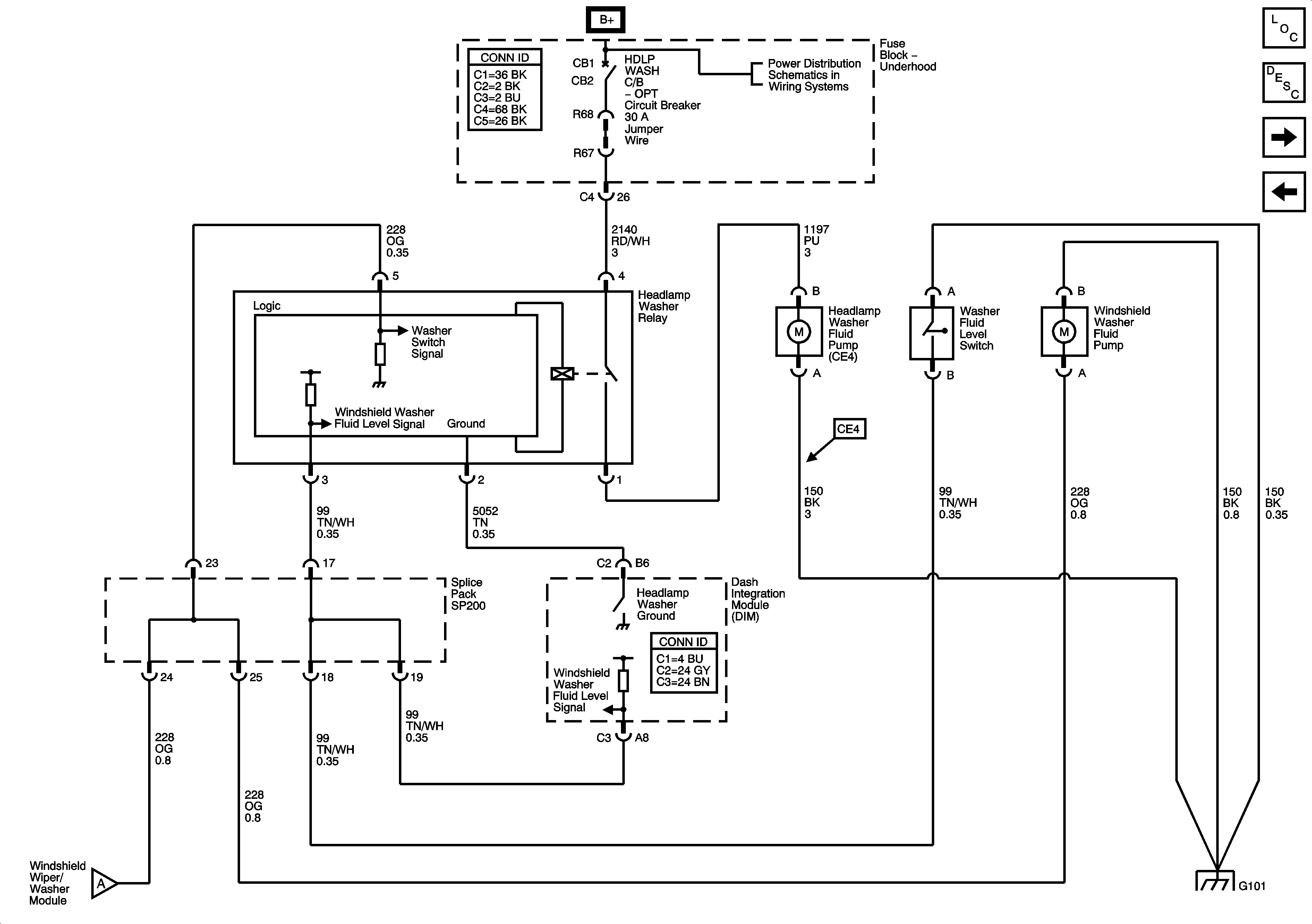
Figure 2:

Washer Motor and Headlamp Washer Relay ( Early Production- Before VIN 105858 )


Object Number: 861157  Size: FS
Figure 3:

Washer Motor and Headlamp Washer Relay (Late Production-VIN 105858 and After)


Object Number: 638910  Size: FS
Wiper/Washer System Schematics Wiper/Washer Switch and Wiper Module
Wiper/Washer System Schematics Wiper/Washer Switch and Wiper Module
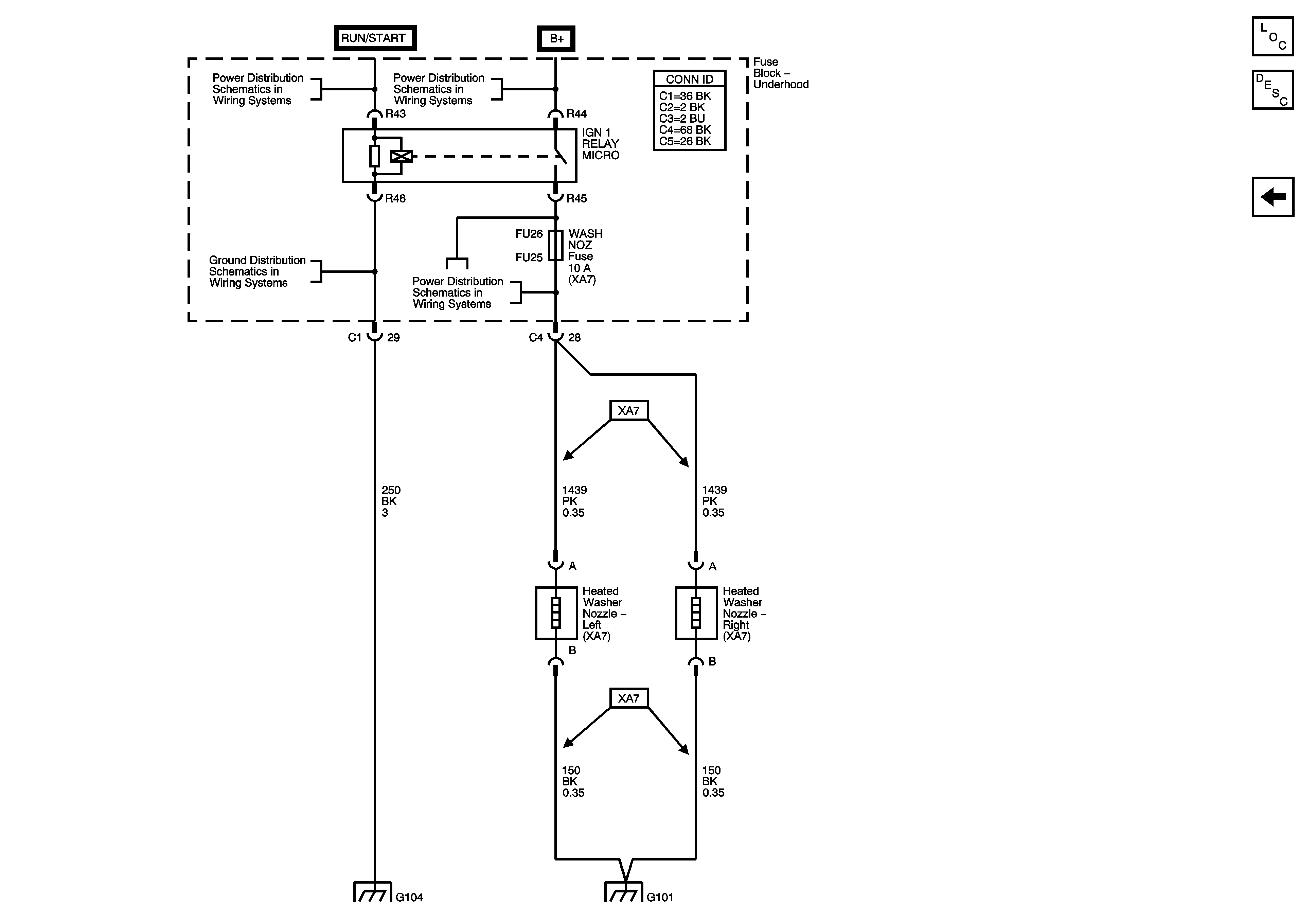
Figure 4:

Heated Washer Nozzles-XA7


Object Number: 639099  Size: FS