GM Service Manual Online
For 1990-2009 cars only
Makes
🢒
Cadillac
🢒
2005
🢒
CTS
🢒
Body
🢒
Wiring Systems
🢒 Cruise Control Schematics
Figure
1:
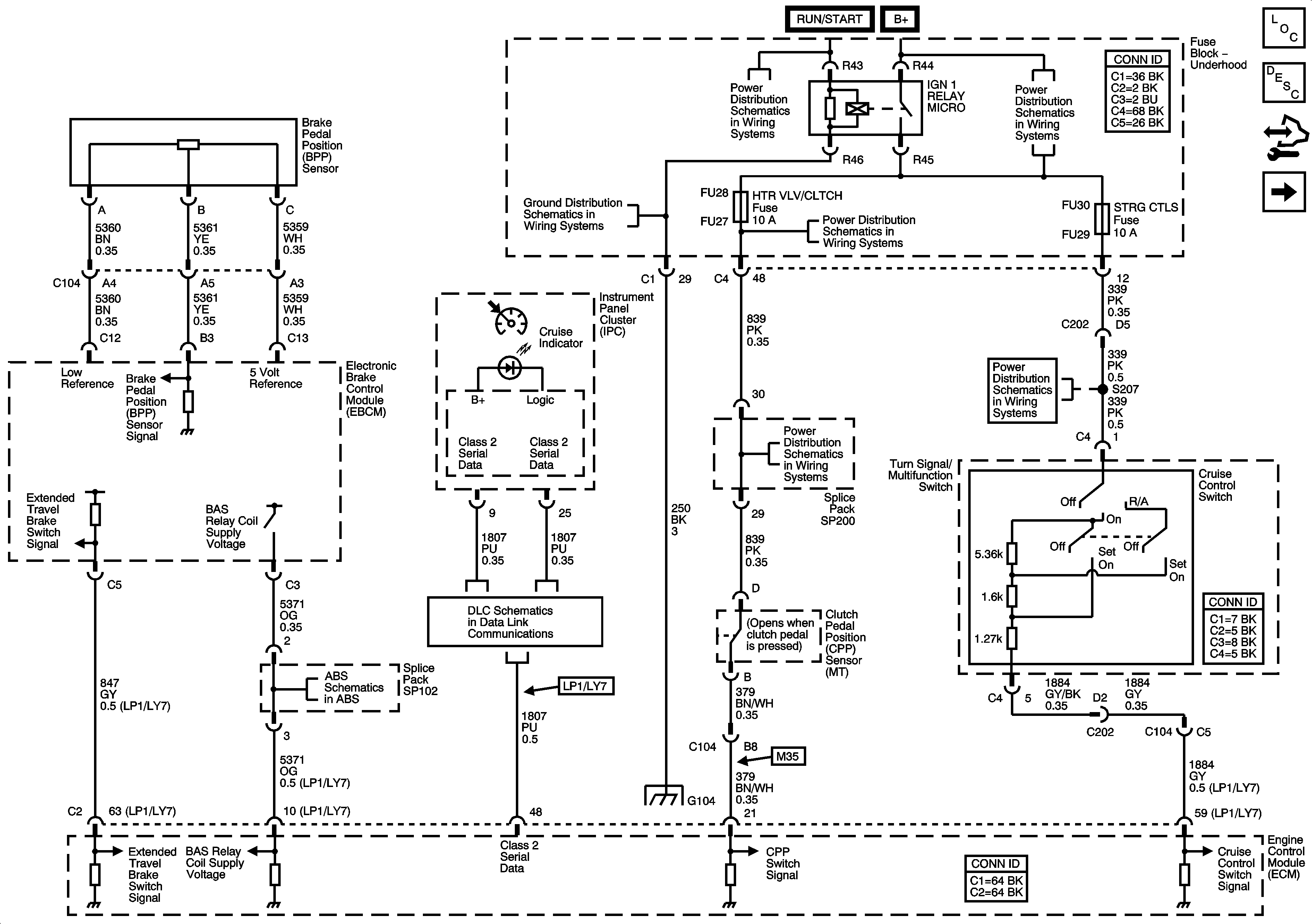
Cruise Control System - 2.8L/3.6L (LP1/LY7)
Master Electrical Component List
Cruise Control Description and Operation 2.8L and 3.6L
Control Module References
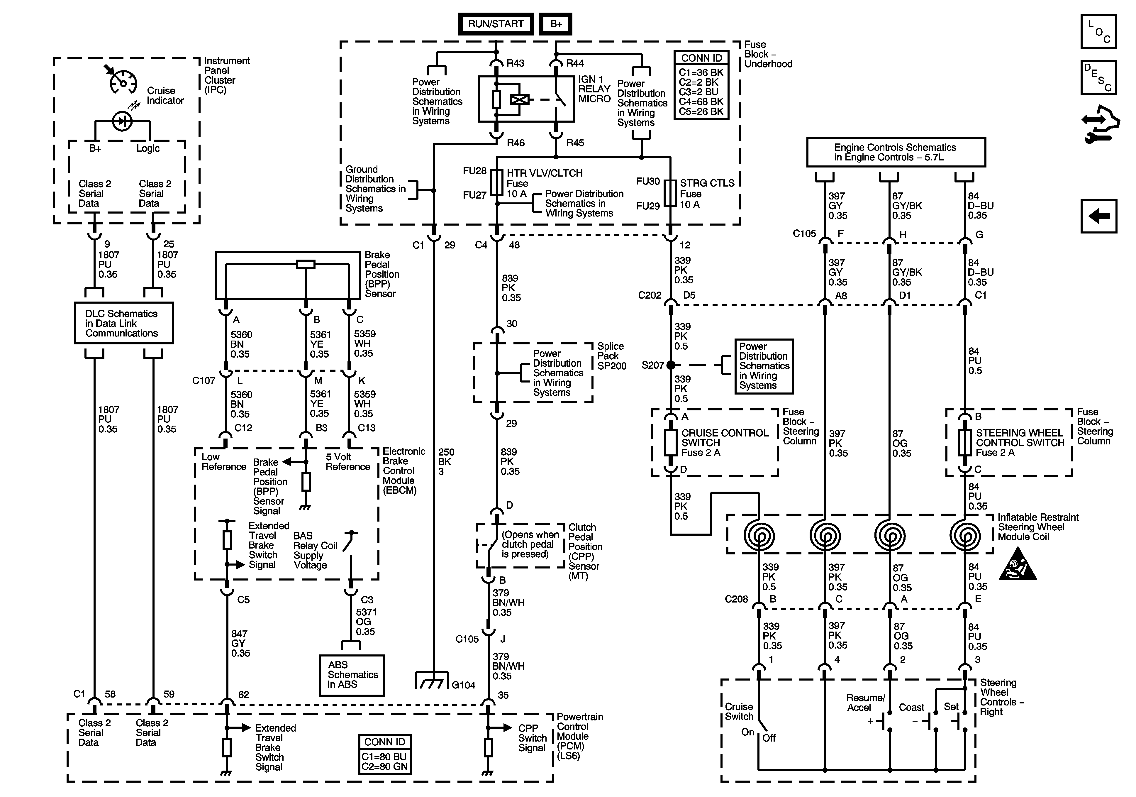
Cruise Control System - 5.7L (L56)
Ignition Switch - 2 of 2
Underhood Fuse Block B+ Bus - 2 of 2
G104 - 1 of 2
Underhood Fuse Block STARTER Relay, IGN 1 Relay, HTR VLV/CLTCH and TCM/IPC Fuses
Underhood Fuse Block STARTER Relay, IGN 1 Relay, HTR VLV/CLTCH and TCM/IPC Fuses
Underhood Fuse Block WASH NOZ, STRG CTLS and IGN MOD/MAF Fuses
BPP Sensor, Switches and Indicators - 2.8L/3.6L (LP1/LY7)
Class 2 Serial Data Bus - RHD - 1 of 2
G104 - 1 of 2
Figure
2:
Cruise Control System - 5.7L (LS6)
Master Electrical Component List
Cruise Control Description and Operation 5.7L
Control Module References
Cruise Control System - 2.8L/3.6L (LP1/LY7)
Ignition Switch - 2 of 2
Underhood Fuse Block B+ Bus - 2 of 2
G104 - 1 of 2
Underhood Fuse Block STARTER Relay, IGN 1 Relay, HTR VLV/CLTCH and TCM/IPC Fuses
Engine Data Sensors - Throttle Actuator Control (TAC) System
Class 2 Serial Data Bus - LHD - 1 of 2
Underhood Fuse Block STARTER Relay, IGN 1 Relay, HTR VLV/CLTCH and TCM/IPC Fuses
Underhood Fuse Block WASH NOZ, STRG CTLS and IGN MOD/MAF Fuses
BPP Sensor, Switches and Indicators - 2.8L/3.6L (LP1/LY7)
G104 - 1 of 2
SIR Caution for Zoning