GM Service Manual Online
For 1990-2009 cars only
Makes
🢒
Cadillac
🢒
2005
🢒
CTS
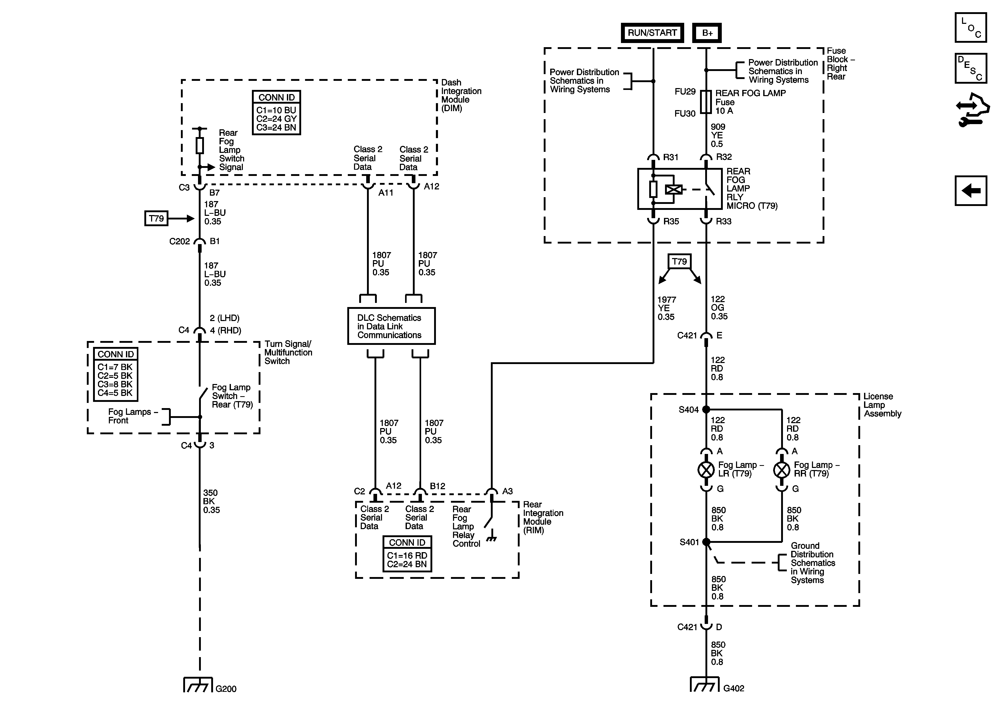
🢒 Fog Lamps - Rear (T79)
Fog Lamps - Rear (T79)
Fog Lamps - Rear (Export w/T79)
Master Electrical Component List
Exterior Lighting Systems Description and Operation
Control Module References
Fog Lamps - Front
Ignition Switch - 2 of 2
Right Rear Fuse Block B+ Bus
Fog Lamps - Front
Class 2 Serial Data Bus - RHD - 1 of 2
G200
G402 - 2 of 2
G402 - 2 of 2