GM Service Manual Online
For 1990-2009 cars only
Makes
🢒
Cadillac
🢒
2005
🢒
CTS
🢒 Rear Window Defogger
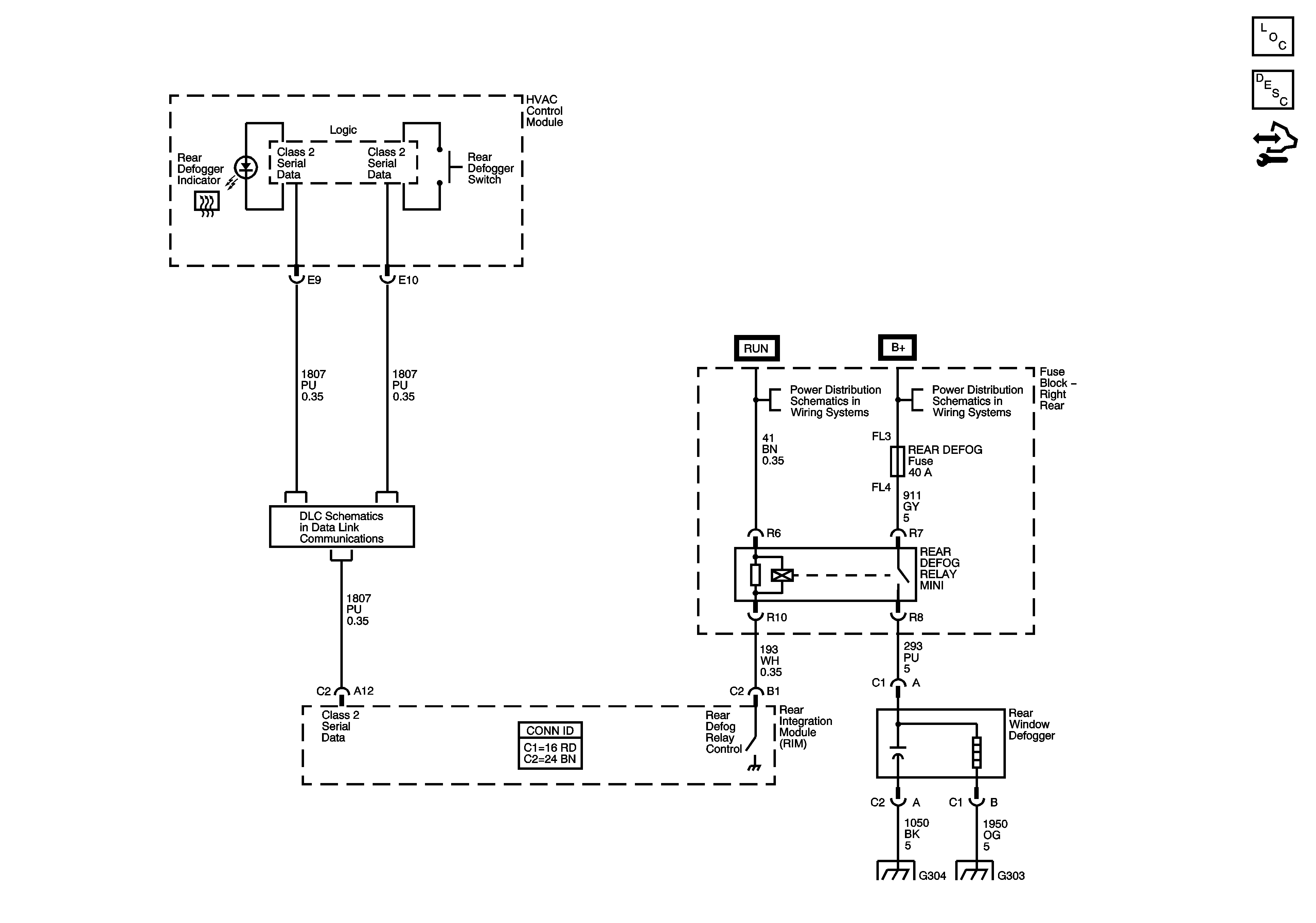
Rear Window Defogger
Master Electrical Component List
Rear Window Defogger Description and Operation
Control Module References
Class 2 Serial Data Bus - RHD - 2 of 2
Left Rear Fuse Block, IGN3 Relay, L FRT HTD SEAT MOD, MEM/ADAPT SEAT, CCP, HDLP LEVELING and IGN3 Fuses
Right Rear Fuse Block B+ Bus
G102, G105, G110, G303, G304 and G306
G102, G105, G110, G303, G304 and G306