GM Service Manual Online
For 1990-2009 cars only
Makes
🢒
Cadillac
🢒
2005
🢒
CTS
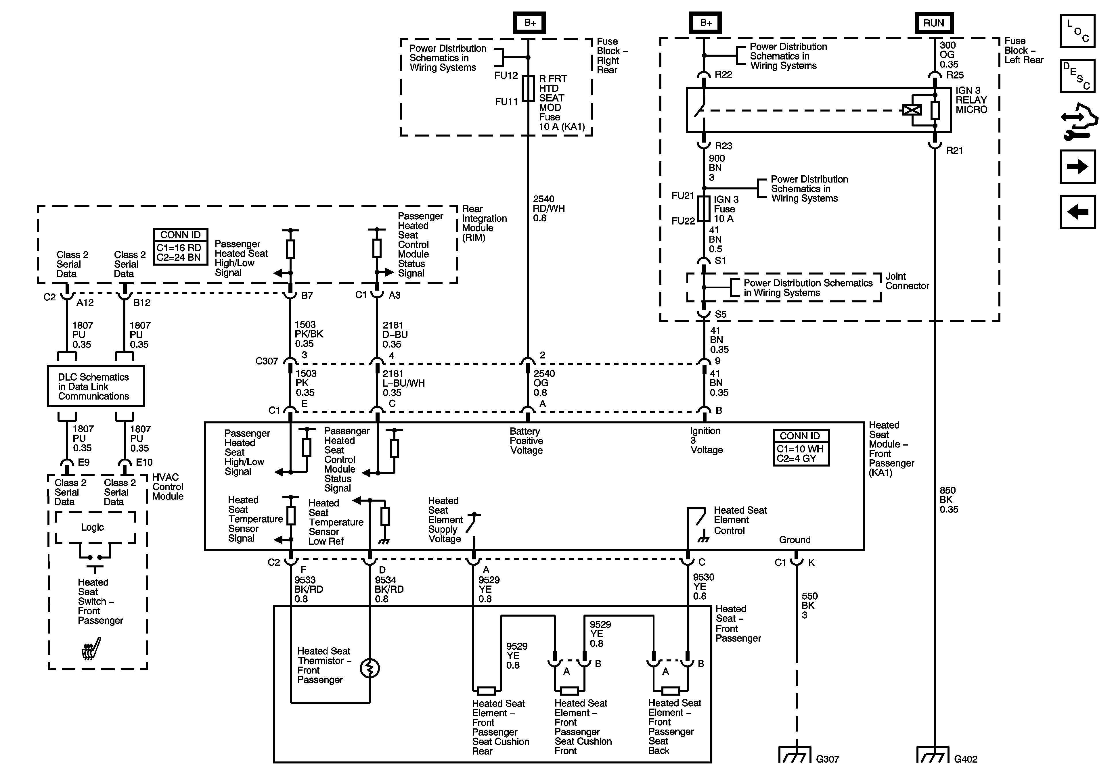
🢒 Heated Seat - Passenger (KA1)
Heated Seat - Passenger (KA1)
Heated Seat - Passenger (KA1)
Master Electrical Component List
Heated Seats Description and Operation
Control Module References
Power Lumbar - Passenger (AL2)
Power Seat - Passenger (AH8)
Right Rear Fuse Block B+ Bus
Left Rear Fuse Block B+ Bus
Left Rear Fuse Block, IGN3 Relay, L FRT HTD SEAT MOD, MEM/ADAPT SEAT, CCP, HDLP LEVELING and IGN3 Fuses
Left Rear Fuse Block, IGN3 Relay, L FRT HTD SEAT MOD, MEM/ADAPT SEAT, CCP, HDLP LEVELING and IGN3 Fuses
Class 2 Serial Data Bus - LHD - 2 of 2
G307
G402 - 2 of 2