GM Service Manual Online
For 1990-2009 cars only
Figure 1:

Power, Ground, Serial Data, DIC, and Indicators


Object Number: 1593330  Size: FS
Master Electrical Component List
Engine Control Module Description
Control Module References
Engine Data Sensors - 5-Volt Reference Bus
Engine Controls Schematic Icons
Underhood Fuse Block - COOLING FAN Fuses/Relays, MAIN Relay, ECM and TOS Fuses
Class 2 Serial Data Bus (LHD) - 2 of 2
G130, G131, G132, and G133 (LP1/LY7)
Underhood Fuse Block - DIM/ALDL, VOLT CHECK, FLASHER, CCP, ECM/TCM, and ABS Fuses
Class 2 Serial Data Bus (LHD) - 1 of 2
Underhood Fuse Block - DIM/ALDL, VOLT CHECK, FLASHER, CCP, ECM/TCM, and ABS Fuses
Power, Ground, and GMLAN Bus
Engine Controls Schematic Icons
Underhood Fuse Block B+ Bus - 2 of 2
Underhood Fuse Block B+ Bus - 2 of 2
Underhood Fuse Block B+ Bus - 2 of 2
Ignition Switch - 1 of 2
Ignition Switch - 2 of 2
G104 - 1 of 2
G104 - 1 of 2
Figure 2:

Engine Data Sensors - 5-Volt Reference Bus


Object Number: 1470689  Size: FS
Master Electrical Component List
Engine Control Module Description
Control Module References
Engine Data Sensors - Low Reference Bus
Power, Ground, Serial Data, DIC, and Indicators
Engine Controls Schematic Icons
Figure 3:

Engine Data Sensors - Low Reference Bus


Object Number: 1592597  Size: FS
Master Electrical Component List
Engine Control Module Description
Control Module References
Engine Data Sensors - BARO, ECT, MAF, and IAT Sensors
Engine Data Sensors - 5-Volt Reference Bus
Engine Controls Schematic Icons
Underhood Fuse Block B+ Bus - 2 of 2
Underhood Fuse Block - COOLING FAN Fuses/Relays, MAIN Relay, ECM and TOS Fuses
G130, G131, G132, and G133 (LP1/LY7)
Figure 4:

Engine Data Sensors - BARO, ECT, MAF, and IAT Sensors


Object Number: 1470693  Size: FS
Master Electrical Component List
Engine Control Module Description
Control Module References
Engine Data Sensors - Heated Oxygen Sensors (HO2S)
Engine Data Sensors - Low Reference Bus
Engine Controls Schematic Icons
Underhood Fuse Block B+ Bus - 2 of 2
G104 - 1 of 2
Underhood Fuse Block B+ Bus - 2 of 2
Underhood Fuse Block B+ Bus - 2 of 2
Engine Data Sensors - Low Reference Bus
Engine Data Sensors - 5-Volt Reference Bus
Engine Data Sensors - Low Reference Bus
Figure 5:

Engine Data Sensors - Heated Oxygen Sensors (HO2S)


Object Number: 1470698  Size: FS
Master Electrical Component List
Engine Control Module Description
Control Module References
Engine Data Sensors - Throttle Actuator Control (TAC) System
Engine Data Sensors - BARO, ECT, MAF, and IAT Sensors
Engine Controls Schematic Icons
Underhood Fuse Block - PRE O2/CAM Fuse
Underhood Fuse Block B+ Bus - 2 of 2
Underhood Fuse Block - PRE O2/CAM Fuse
Engine Controls Schematic Icons
Engine Controls Schematic Icons
Engine Controls Schematic Icons
Underhood Fuse Block B+ Bus - 2 of 2
Engine Controls Schematic Icons
Figure 6:

Engine Data Sensors - Throttle Actuator Control (TAC) System


Object Number: 1470699  Size: FS
Master Electrical Component List
Engine Control Module Description
Control Module References
Ignition Controls - Bank 1 Ignition Coils
Engine Data Sensors - Heated Oxygen Sensors (HO2S)
Engine Controls Schematic Icons
Engine Controls Schematic Icons
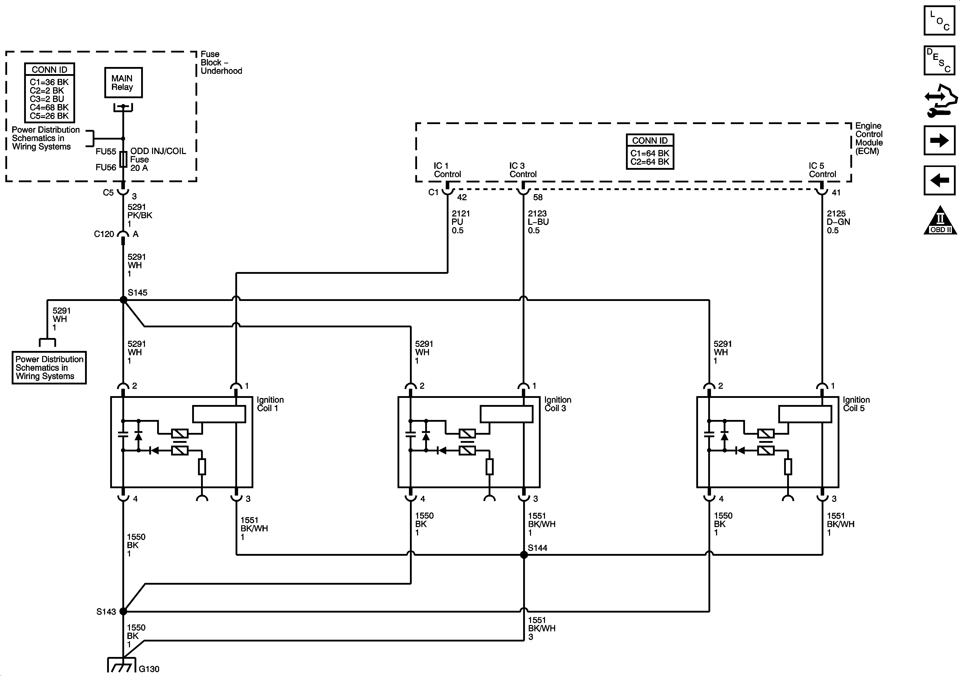
Figure 7:

Ignition Controls - Bank 1 Ignition Coils


Object Number: 1593335  Size: FS
Master Electrical Component List
Engine Control Module Description
Control Module References
Ignition Controls - Bank 2 Ignition Coils
Engine Data Sensors - Throttle Actuator Control (TAC) System
Engine Controls Schematic Icons
Underhood Fuse Block B+ Bus - 2 of 2
Underhood Fuse Block - ODD INJ/COIL Fuse
Underhood Fuse Block - ODD INJ/COIL Fuse
G130, G131, G132, and G133 (LP1/LY7)
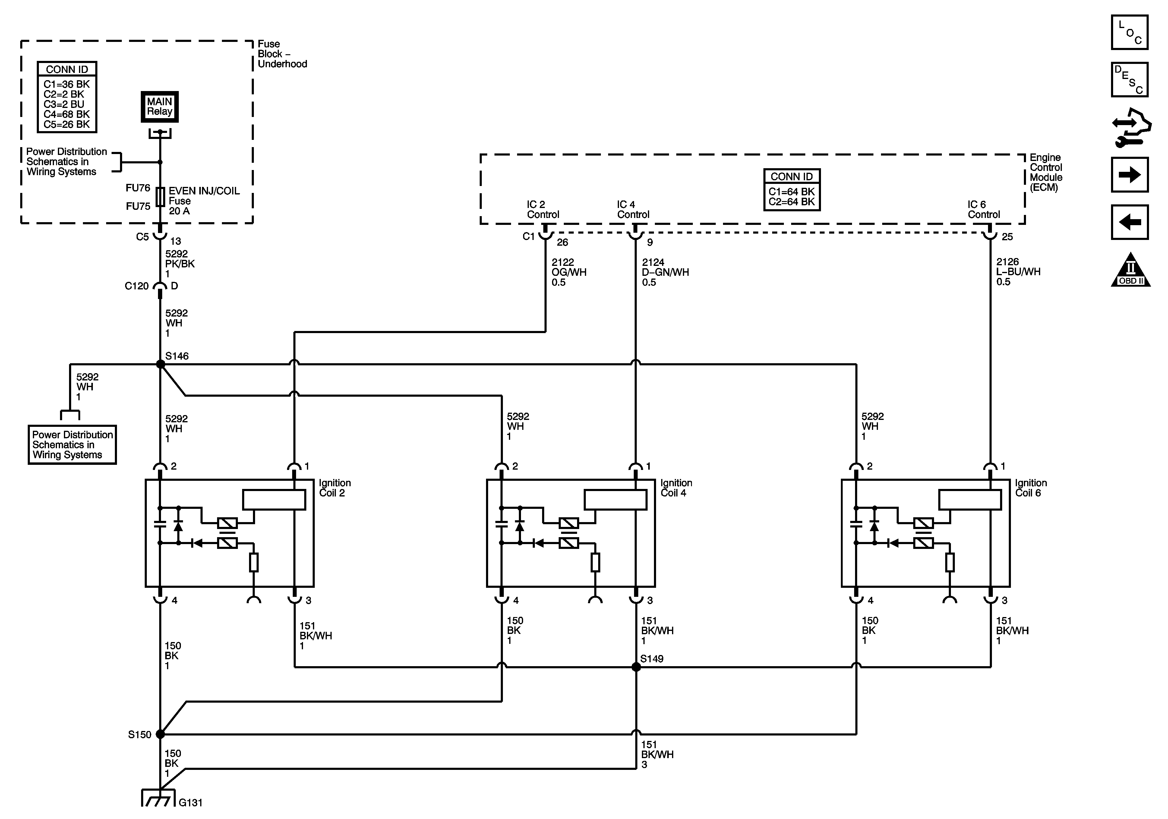
Figure 8:

Ignition Controls - Bank 2 Ignition Coils


Object Number: 1593342  Size: FS
Master Electrical Component List
Engine Control Module Description
Control Module References
Ignition Controls - Sensors and CMP Actuator Solenoids
Ignition Controls - Bank 1 Ignition Coils
Engine Controls Schematic Icons
Underhood Fuse Block EVEN INJ/COIL Fuse
Underhood Fuse Block EVEN INJ/COIL Fuse
G130, G131, G132, and G133 (LP1/LY7)
Figure 9:

Ignition Controls - Sensors and CMP Actuator Solenoids


Object Number: 1470702  Size: FS
Master Electrical Component List
Engine Control Module Description
Control Module References
Ignition Controls - Crankshaft Position Sensor and Knock Sensors
Ignition Controls - Bank 2 Ignition Coils
Engine Controls Schematic Icons
Underhood Fuse Block B+ Bus - 2 of 2
Underhood Fuse Block - PRE O2/CAM Fuse
Underhood Fuse Block - PRE O2/CAM Fuse
Engine Data Sensors - Pressure, Temperature, and MAF
Figure 10:

Ignition Controls - Crankshaft Position Sensor (CKP) and Knock Sensors (KS)


Object Number: 1470703  Size: FS
Master Electrical Component List
Engine Control Module Description
Control Module References
Fuel Controls - Fuel Injectors and Fuel Pump and Sender Assembly
Ignition Controls - Sensors and CMP Actuator Solenoids
Engine Controls Schematic Icons
Engine Controls Schematic Icons
Engine Controls Schematic Icons
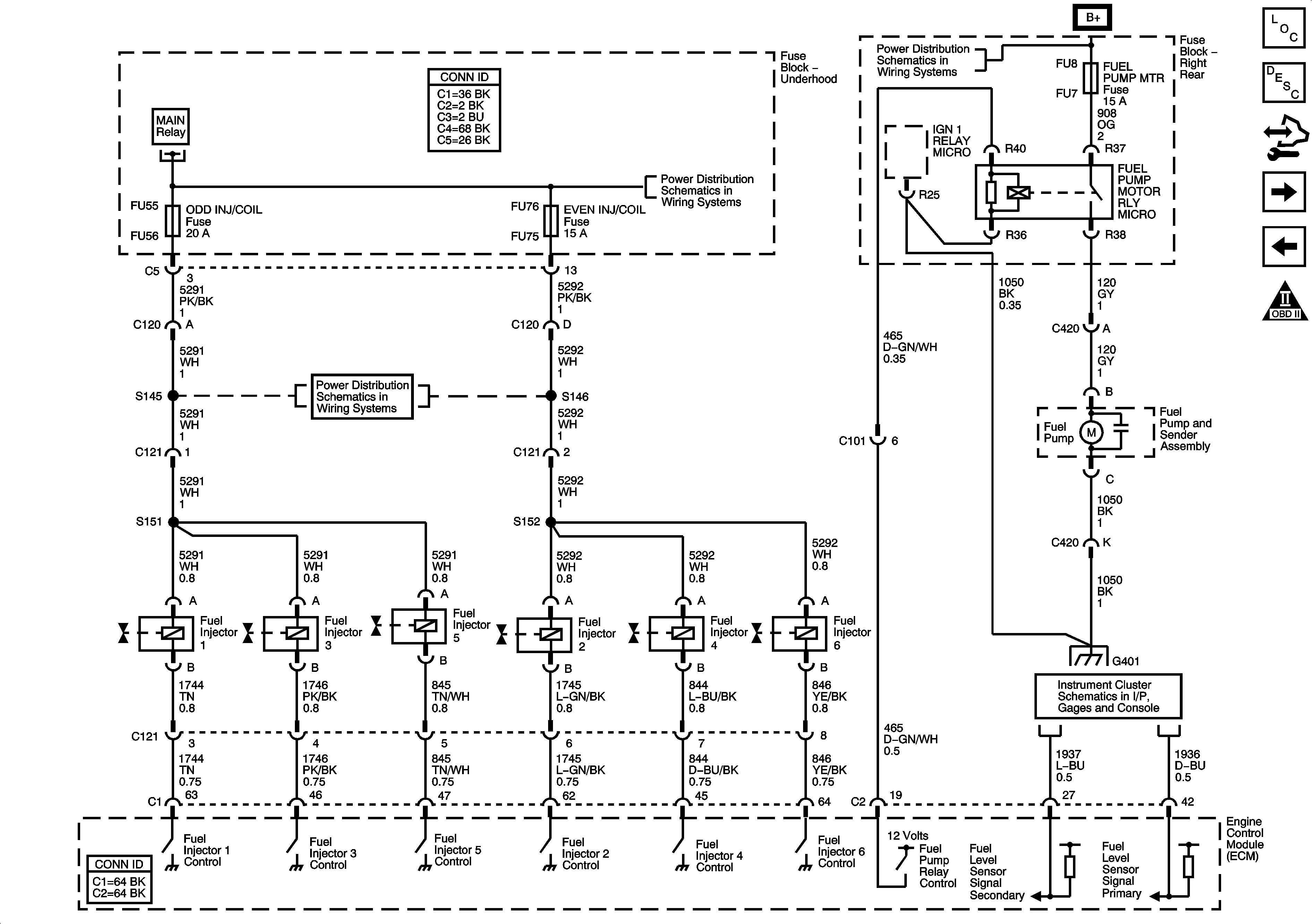
Figure 11:

Fuel Controls - Fuel Injectors and Fuel Pump and Sender Assembly


Object Number: 1593346  Size: FS
Master Electrical Component List
Engine Control Module Description
Control Module References
Fuel Controls - EVAP Controls and IMRC Solenoid
Ignition Controls - Crankshaft Position Sensor and Knock Sensors
Engine Controls Schematic Icons
Underhood Fuse Block B+ Bus - 2 of 2
Underhood Fuse Block - ODD INJ/COIL Fuse
Underhood Fuse Block B+ Bus - 2 of 2
Right Rear Fuse Block B+ Bus
G401
Gages - 2.8L/3.6L (LP1/LY7)
Figure 12:

Fuel Controls - EVAP Controls and IMRC Solenoid


Object Number: 1470705  Size: FS
Master Electrical Component List
Engine Control Module Description
Control Module References
Controlled/Monitored Subsystem References
Fuel Controls - Fuel Injectors and Fuel Pump and Sender Assembly
Engine Controls Schematic Icons
Underhood Fuse Block B+ Bus - 2 of 2
Underhood Fuse Block B+ Bus - 2 of 2
Underhood Fuse Block B+ Bus - 2 of 2
Underhood Fuse Block - PRE O2/CAM Fuse
Engine Data Sensors - Low Reference Bus
Engine Data Sensors - 5-Volt Reference Bus
Engine Data Sensors - Low Reference Bus
Right Rear Fuse Block - DR MOD PWR Circuit Breaker, CANISTER VENT, RIM/IGN SW, R FRT HTD SEAT MOD, and POWER SOUNDER Fuses
Figure 13:

Controlled/Monitored Subsystem References


Object Number: 1592593  Size: FS
Master Electrical Component List
Engine Control Module Description
Control Module References
Fuel Controls - EVAP Controls and IMRC Solenoid
Engine Controls Schematic Icons
Starting System - 2.8L/3.6L (LP1/LY7)
Power, Ground, Serial Data, and DIC
Engine Oil Pressure (EOP) sensor, Engine Oil Level/Temperature Sensor, TFT Indicator
A/C Compressor Controls - 2.8L/3.6L (LP1/LY7)
Cooling Fans 2.8L/3.6L (LP1/LY7)
BPP Sensor, Switches, and Indicators - 2.8L/3.6L (LP1/LY7)
Cruise Control System - 2.8L/3.6L (LP1/LY7)
Power, Ground, Serial Data, TCM, and Internal Mode Switch (IMS)