GM Service Manual Online
For 1990-2009 cars only
Makes
🢒
Cadillac
🢒
2007
🢒
CTS
🢒
Body Systems
🢒
Lighting
🢒 Fog Lights Schematics
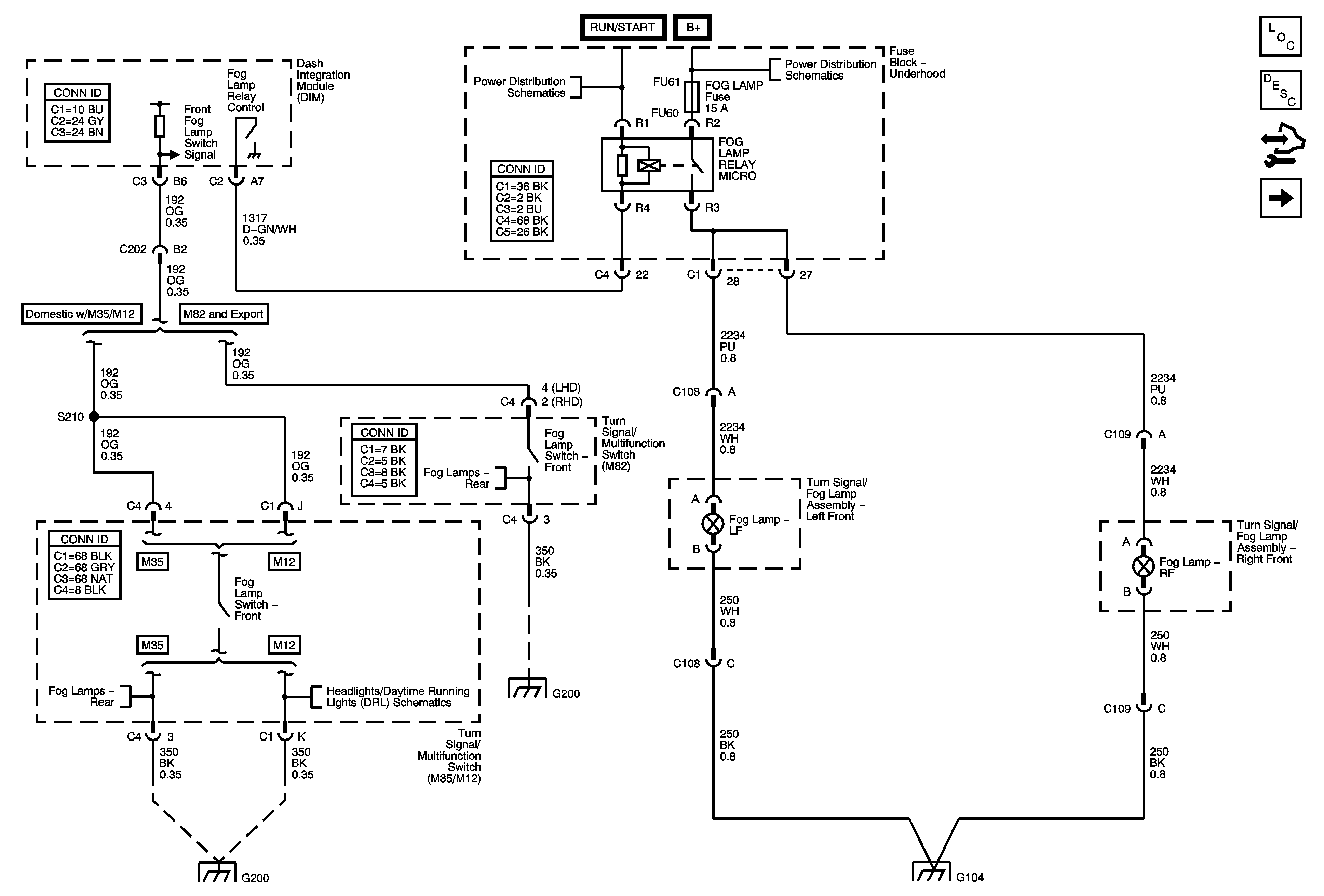
Figure
1:
Fog Lamps - Front
Master Electrical Component List
Exterior Lighting Systems Description and Operation
Control Module References
Fog Lamps - Rear (Export w/T79)
Ignition Switch 2 of 2
Underhood Fuse Block B+ 1 of 2
Fog Lamps - Rear (Export w/T79)
Fog Lamps - Rear (Export w/T79)
Headlamp Controls
G200
G200
G104 1 of 2
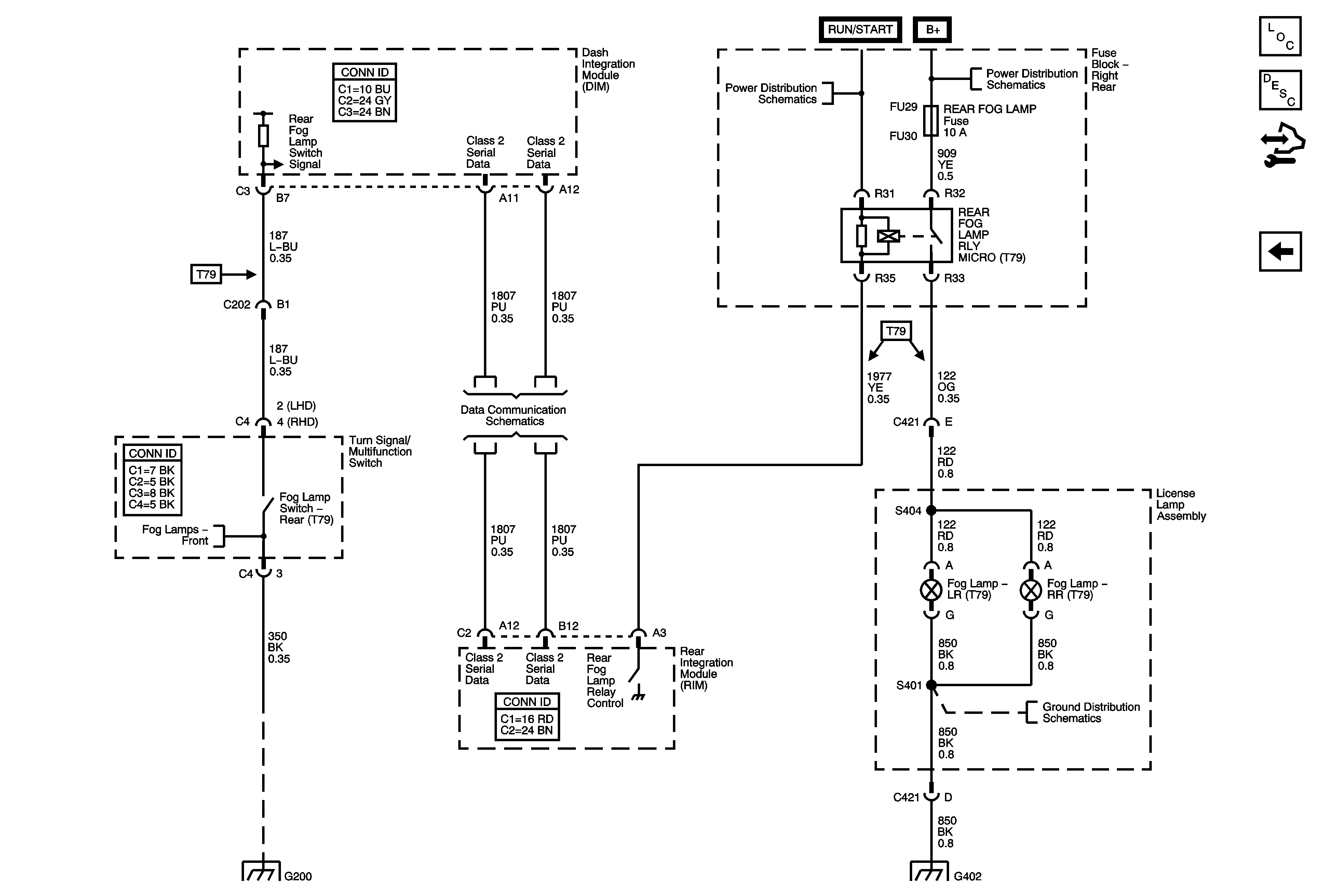
Figure
2:
Fog Lamps - Rear - Export w/T79
Master Electrical Component List
Exterior Lighting Systems Description and Operation
Control Module References
Fog Lamps - Front
Fog Lamps - Front
G200
Class 2 (1 of 2) Serial Data Bus - RHD
Ignition Switch 2 of 2
Right Rear Fuse Block B+ Bus
G402 (2 of 2)
G402 (2 of 2)