GM Service Manual Online
For 1990-2009 cars only
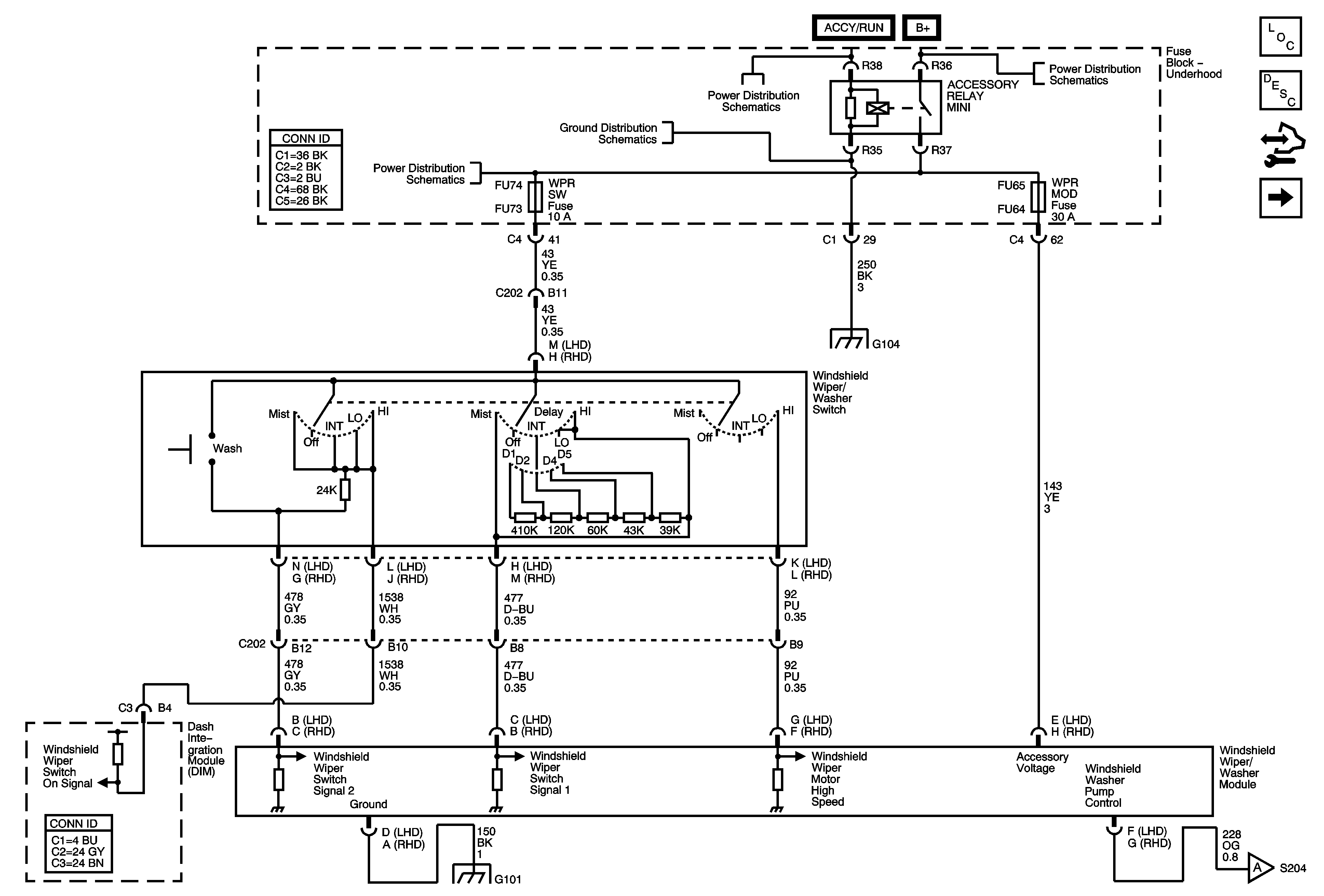
Figure 1:

Power, Ground, Windshield Wiper/Washer Switch, and Module


Object Number: 1788047  Size: FS
Master Electrical Component List
Wiper/Washer System Description and Operation
Control Module References
Windshield Washer Pump and Headlamp Waasher and Washer fluid Level Switch
Underhood Fuse Block Headlamp Relays/Fuses, Accessory relay, I/P Outlet, Outlet, Wiper Module, Wiperswitch, and Elec PRNDL Fuses
G104 1 of 2
Underhood Fuse Block Headlamp Relays/Fuses, Accessory relay, I/P Outlet, Outlet, Wiper Module, Wiperswitch, and Elec PRNDL Fuses
Underhood Fuse Block B+ BUS 2 of 2
G104 1 of 2
G101
Windshield Washer Pump and Headlamp Waasher and Washer fluid Level Switch
Figure 2:

Windshild Washer Pump and Headlamp Washer and Washer Fluid Level Switch


Object Number: 1788048  Size: FS
Master Electrical Component List
Wiper/Washer System Description and Operation
Control Module References
Heated Washer Nozzles (XA7)
Power, Ground, Windshield Wiper/Washer Switch and Module
Power, Ground, Windshield Wiper/Washer Switch and Module
Underhood Fuse Block B+ 1 of 2
G101
Class 2 Serial Data Bus - LHD (2 of 2)
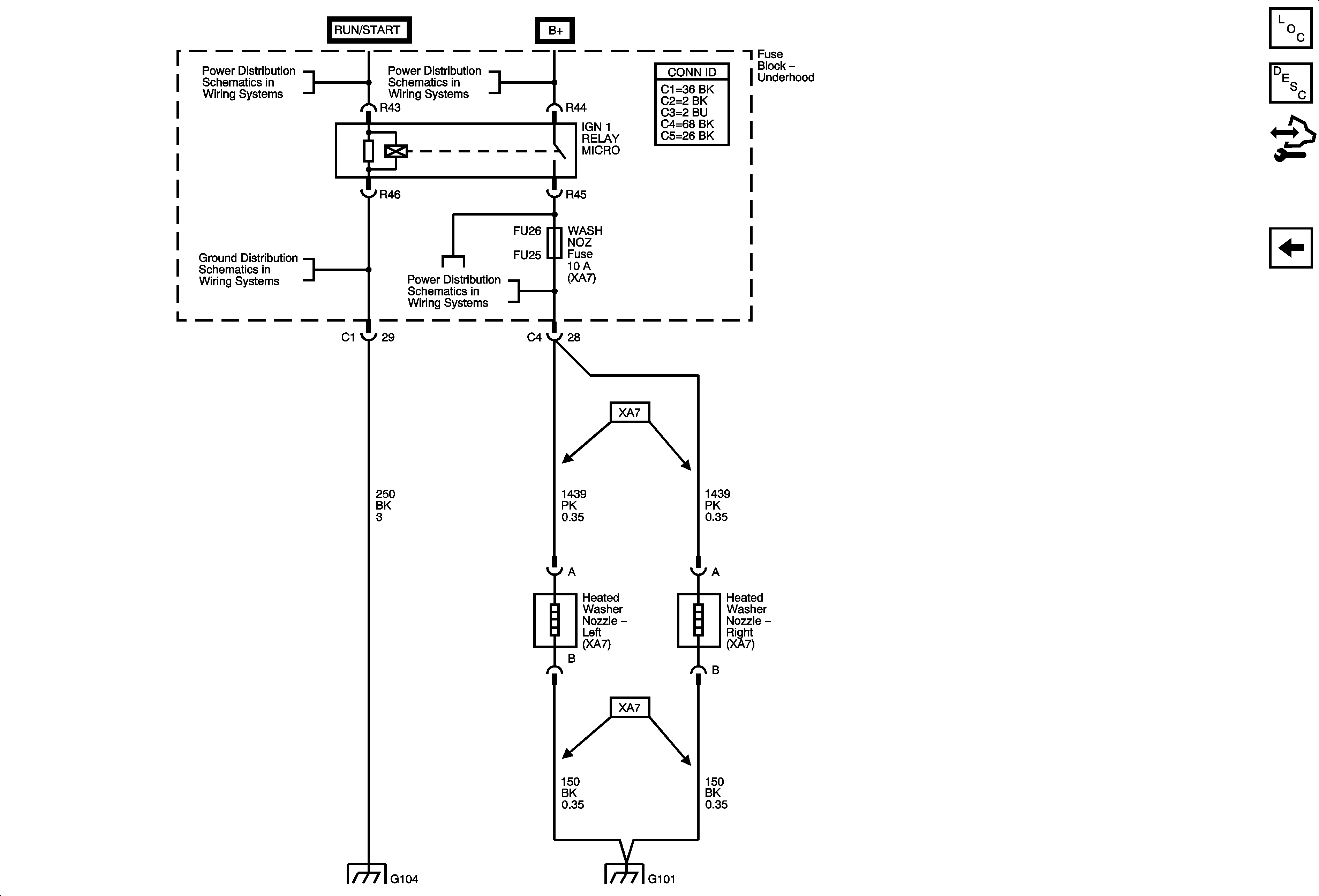
Figure 3:

Heated Washer Nozzles (XA7)


Object Number: 1788049  Size: FS
Master Electrical Component List
Wiper/Washer System Description and Operation
Control Module References
Windshield Washer Pump and Headlamp Waasher and Washer fluid Level Switch
Ignition Switch 2 of 2
Underhood Fuse Block B+ BUS 2 of 2
G104 1 of 2
Underhood Fuse Block Wash noz, Strg (TL) and IGN MOD/MAF Fuses
G104 1 of 2
G101