GM Service Manual Online
For 1990-2009 cars only
Makes
🢒
Cadillac
🢒
2007
🢒
CTS
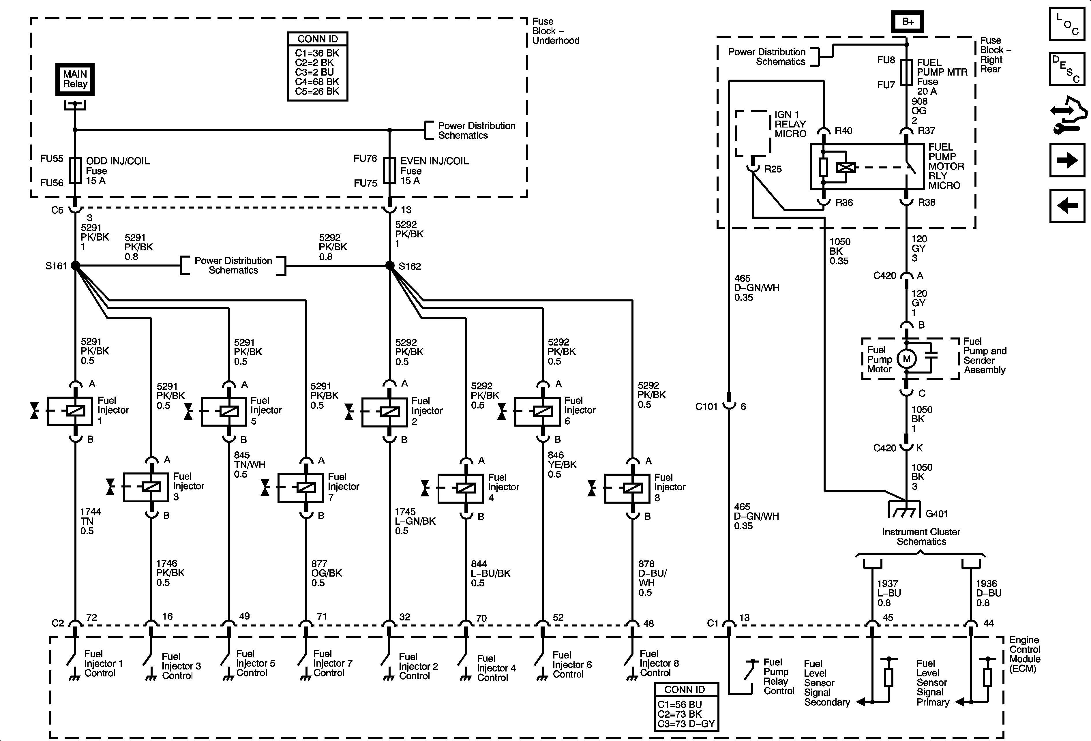
🢒 Fuel Controls - Fuel Injectors and Fuel Pump and Sender Assembly
Fuel Controls - Fuel Injectors and Fuel Pump and Sender Assembly
Fuel Controls - Fuel Injectors and Fuel Pump and Sender Assembly
Master Electrical Component List
Engine Control Module Description
Control Module References
Fuel Controls - EVAP Controls
Ignition Controls - Knock, CKP, and CMP Sensors
Underhood Fuse Block B+ BUS 2 of 2
Underhood Fuse Block Odd INJ/Coil Fuse
Underhood Fuse Block B+ BUS 2 of 2
Right Rear Fuse Block B+ Bus
G401
Gages - 6.0L (LS2)