GM Service Manual Online
For 1990-2009 cars only
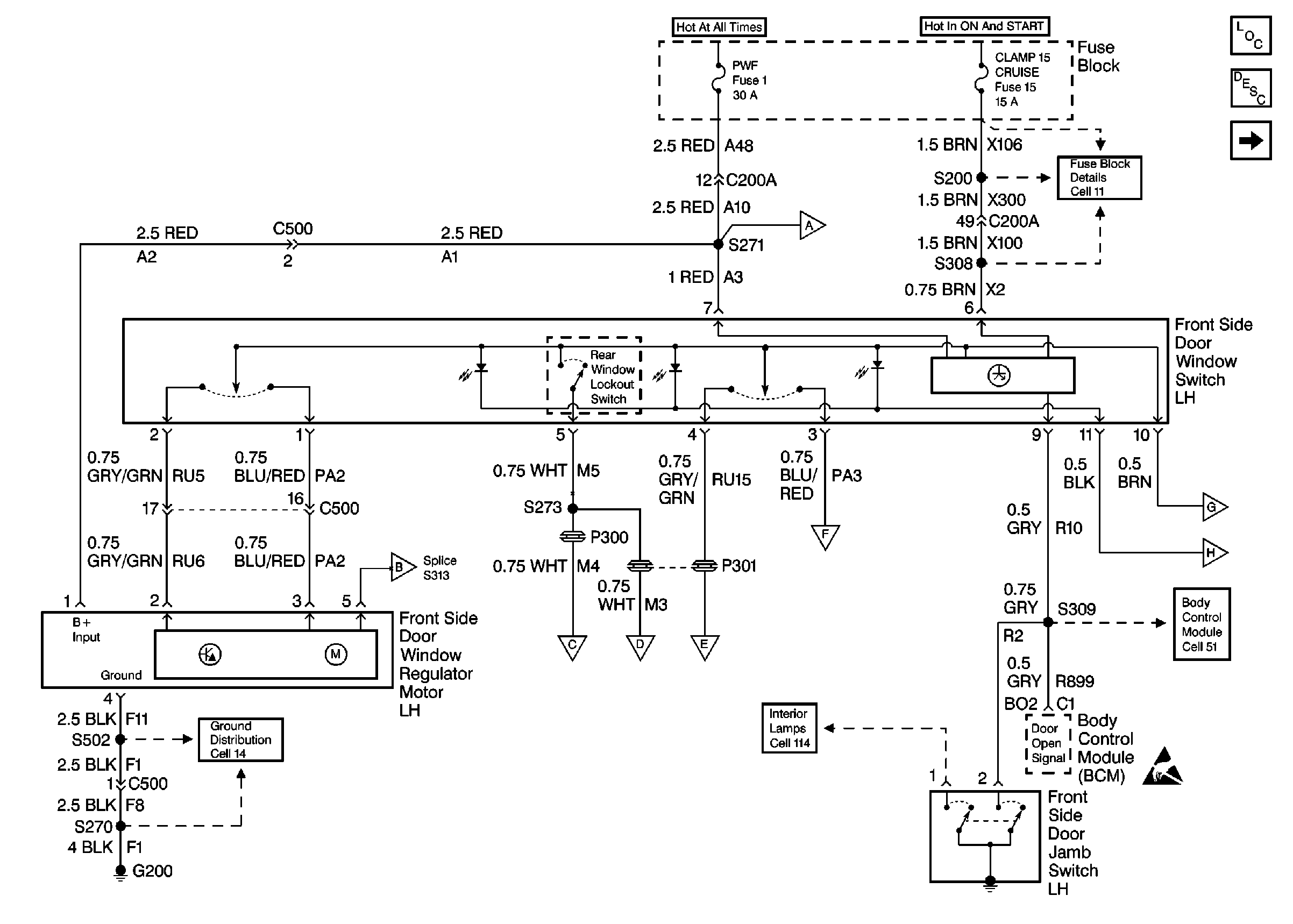
Figure 1:

Cell 120 LH Front Side Door Window Switch and Window Regulator Motor (MY 97 ONLY)


Object Number: 288741  Size: FS
Power Door Systems Components
Power Windows Circuit Description
Cell 120 S313 and Door Open Signal
Fuse Block Schematics Schematics
Body Control System Schematics
Interior Lights Schematics
Ground Distribution Schematics
Figure 2:

Cell 120 S313 and Door Open Signal


Object Number: 241922  Size: FS
Power Door Systems Components
Power Windows Circuit Description
Cell 120 LH Rear Side Door Window Switch and Window Regulator Motor
Cell 120 LH Front Side Door Window Switch and Window Regulator Motor
Figure 3:

Cell 120 LH Rear Side Door Window Switch and Window Regulator Motor


Object Number: 384052  Size: FS
Power Door Systems Components
Power Windows Circuit Description
Cell 120 RH Front Side Door Window Switch and Window Regulator Motor
Cell 120 S313 and Door Open Signal
Ground Distribution Schematics
Figure 4:

Cell 120 RH Front Side Door Window Switch and Window Regulator Motor


Object Number: 384059  Size: FS
Power Door Systems Components
Power Windows Circuit Description
Cell 120 RH Rear Side Door Window Switch and Window Regulator Motor
Cell 120 LH Rear Side Door Window Switch and Window Regulator Motor
Ground Distribution Schematics
Figure 5:

Cell 120 RH Rear Side Door Window Switch and Window Regulator Motor


Object Number: 384072  Size: FS
Power Door Systems Components
Power Windows Circuit Description
Cell 120 RH Front Side Door Window Switch and Window Regulator Motor
Ground Distribution Schematics