GM Service Manual Online
For 1990-2009 cars only
Figure 1:

Auxiliary Engine Coolant Fan #1


Object Number: 237469  Size: FS
Cooling System Component Views LH Side of Engine Compartment
Cooling Fan, Auxiliary Water Pump, and Heater Water Auxiliary Pump
Auxiliary Engine Cooling Fan #2
Power Distribution Schematics
Cooling Fan, Auxiliary Water Pump, and Heater Water Auxiliary Pump
Cooling Fan, Auxiliary Water Pump, and Heater Water Auxiliary Pump
Auxiliary Engine Cooling Fan #2
Auxiliary Engine Cooling Fan #2
Ground Distribution Schematics
Ground Distribution Schematics
Figure 2:

Cooling Fan, Auxiliary Water Pump, and Heater Water Auxiliary Pump


Object Number: 237471  Size: FS
Cooling System Component Views LH Side of Engine Compartment
Auxiliary Engine Cooling Fan #2
Auxiliary Engine Coolant Fan #1
Auxiliary Engine Coolant Fan #1
Auxiliary Engine Coolant Fan #1
Power Distribution Schematics
Ground Distribution Schematics
Ground Distribution Schematics
Figure 3:

Auxiliary Engine Coolant Fan #2


Object Number: 237472  Size: FS
Cooling System Component Views LH Side of Engine Compartment
Coolant Level Indicator
Cooling Fan, Auxiliary Water Pump, and Heater Water Auxiliary Pump
Power Distribution Schematics
Power Distribution Schematics
Power Distribution Schematics
Auxiliary Engine Coolant Fan #1
Auxiliary Engine Coolant Fan #1
HVAC Compressor Control Schematics
Auxiliary Engine Coolant Fan #1
Ground Distribution Schematics
Ground Distribution Schematics
Figure 4:

Coolant Level Indicator


Object Number: 237473  Size: FS
Cooling System Component Views LH Side of Engine Compartment
Auxiliary Engine Cooling Fan #2
Instrument Cluster: Analog Schematics
Ground Distribution Schematics
Ground Distribution Schematics
Figure 5:

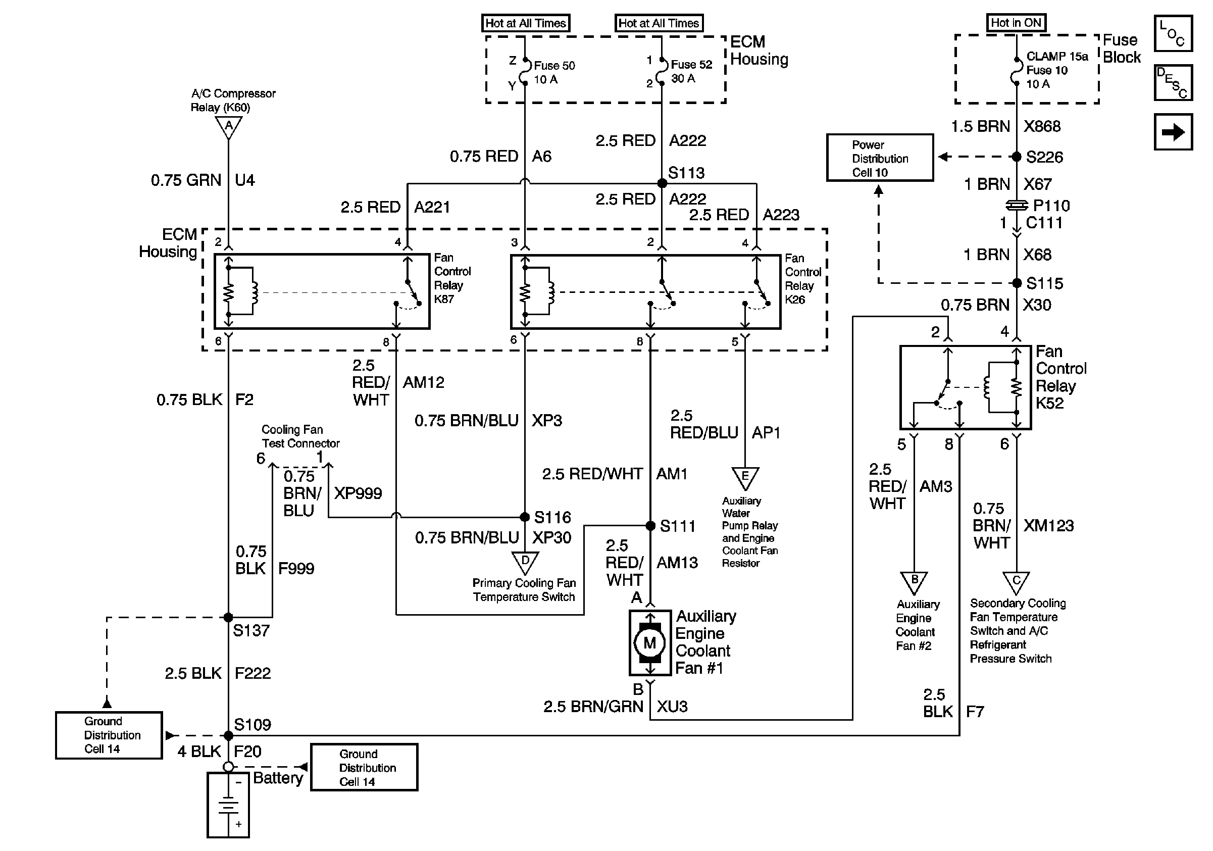
Cell 31 Auxiliary Coolant Fans and Cooling Fan Temperature Switches


Object Number: 237475  Size: FS
Cooling System Components
Cooling System Description
Cell 31 Electric Cooling Fan and Water Auxiliary Pump
Coolant Level Indicator
HVAC Compressor Control Schematics
Ground Distribution Schematics
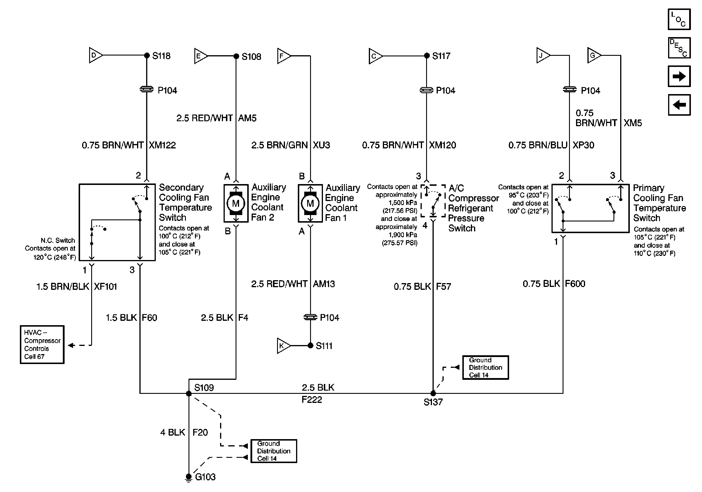
Figure 6:

Cell 31 Electric Cooling Fan and Water Auxiliary Pump


Object Number: 237476  Size: FS
Cooling System Components
Cooling System Description
Cell 31 Auxiliary Coolant Fans and Cooling Fan Temperature Switches
Ground Distribution Schematics