GM Service Manual Online
For 1990-2009 cars only
Makes
🢒
Cadillac
🢒
1998
🢒
Catera
🢒
Steering
🢒
Steering Wheel and Column - Tilt
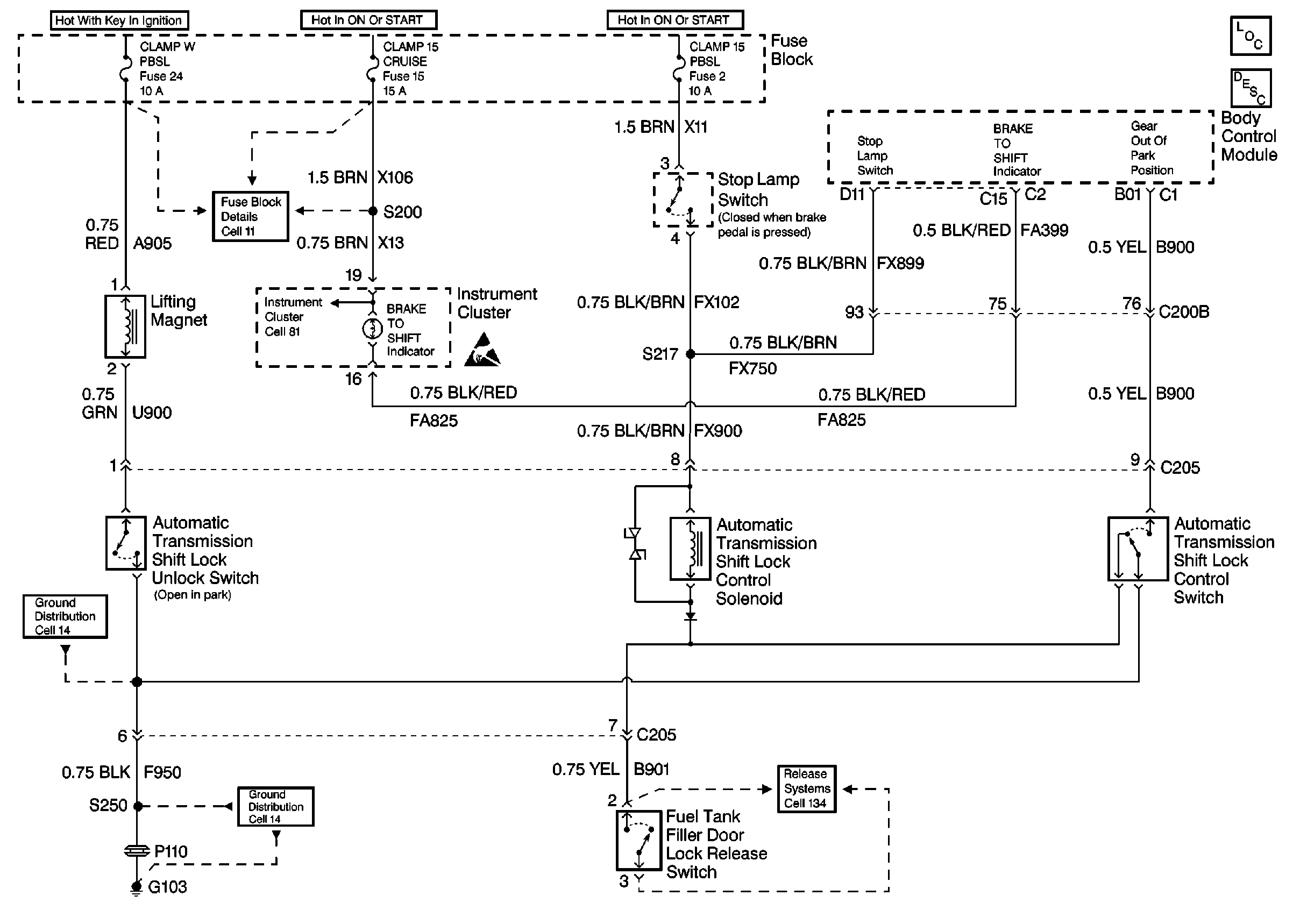
🢒 Shift Lock Control Schematics
Cell 138
Brake Transmission Shift Interlock Components
Automatic Transmission Shift Lock Control Circuit Description
Fuse Block Schematics Schematics
Ground Distribution Schematics
Release Systems Schematics