GM Service Manual Online
For 1990-2009 cars only
Makes
🢒
Cadillac
🢒
1998
🢒
Catera
🢒
Body and Accessories
🢒
Wipers/Washer Systems
🢒 Wiper/Washer System (Pulse) Schematics
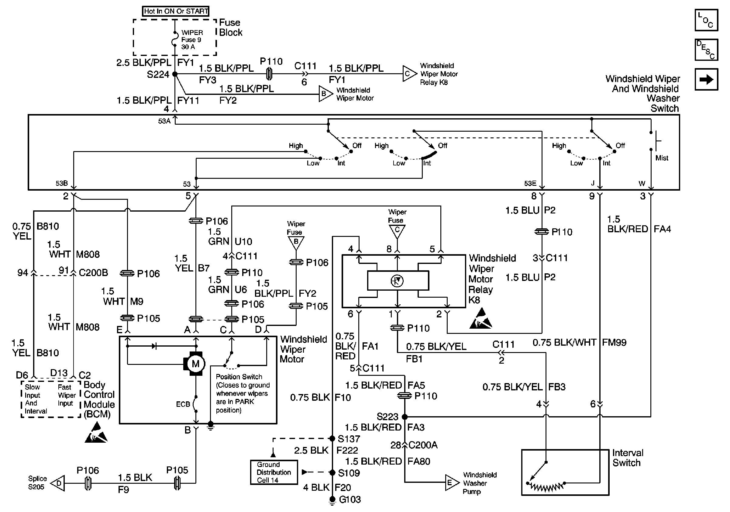
Figure
1:
Cell 91 WSWA Switch, Interval Switch, WSW Motor and Relay
Wiper/Washer System Components
Wiper/Washer System Circuit Description
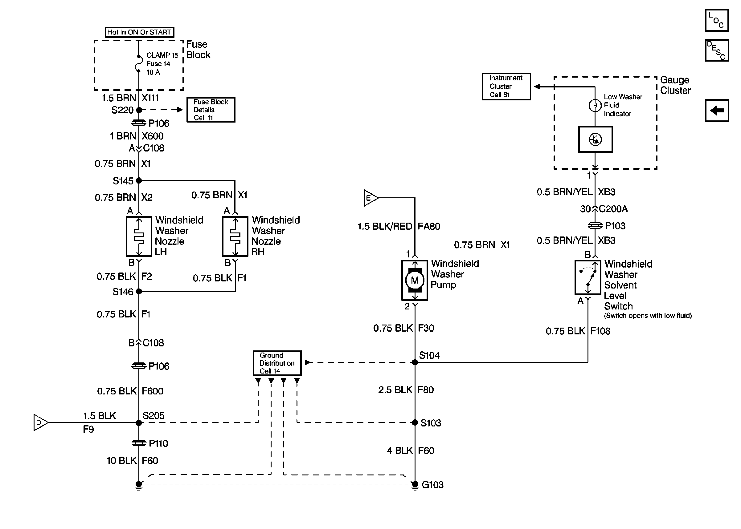
Cell 91 WSW Pump, WSW Nozzles, and Gauge Cluster
Ground Distribution Schematics
Figure
2:
Cell 91 WSW Pump, WSW Nozzles, and Gauge Cluster
Wiper/Washer System Components
Wiper/Washer System Circuit Description
Cell 91 WSWA Switch, Interval Switch, WSW Motor and Relay
Fuse Block Schematics Schematics
Instrument Cluster: Analog Schematics
Ground Distribution Schematics