GM Service Manual Online
For 1990-2009 cars only
Makes
🢒
Cadillac
🢒
1998
🢒
Catera
🢒
Body and Accessories
🢒
Entertainment
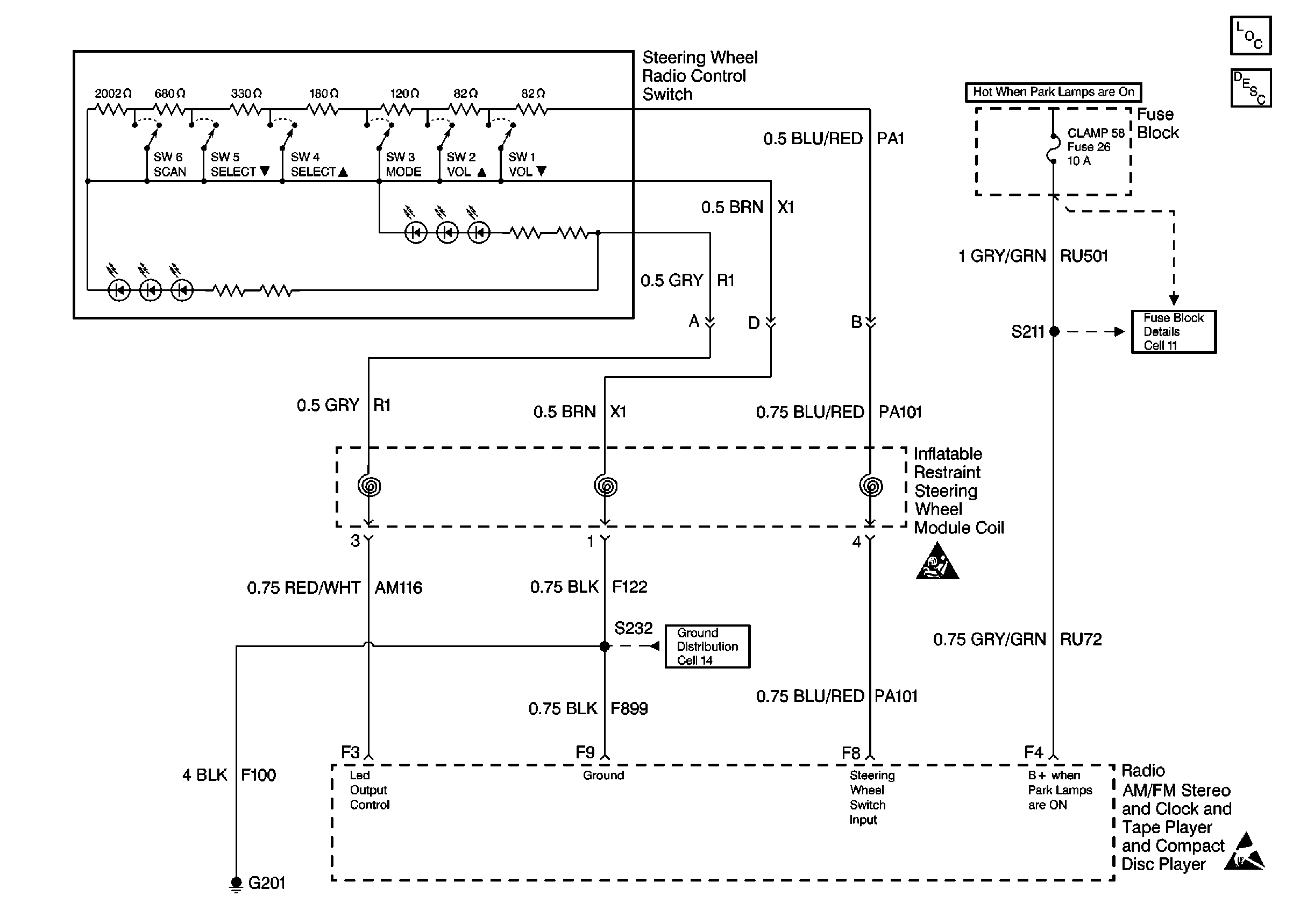
🢒 Steering Wheel Controls Schematics
Cell 152
Entertainment Components
Steering Wheel Controls System Circuit Description
Fuse Block Schematics Schematics
Ground Distribution Schematics