GM Service Manual Online
For 1990-2009 cars only
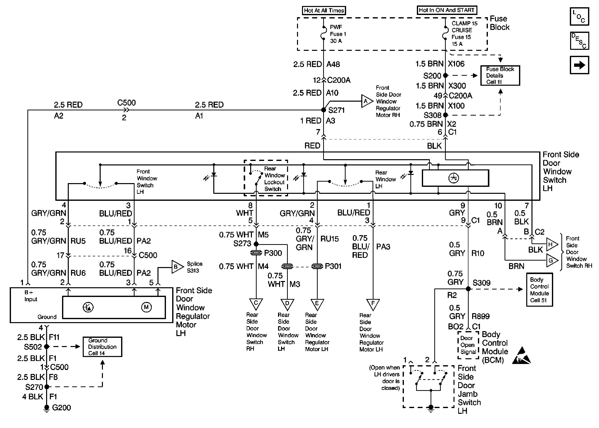
Figure 1:

Cell 120 LH Front Side Door Window Switch and Window Regulator Motor


Object Number: 487923  Size: FS
Power Door Systems Components
Power Windows Circuit Description
Cell 120 S313 and Door Open Signal
Fuse Block Schematics Schematics
Memory Seats Schematics
Body Control System Schematics
Instrument Cluster: Analog Schematics
Ground Distribution Schematics
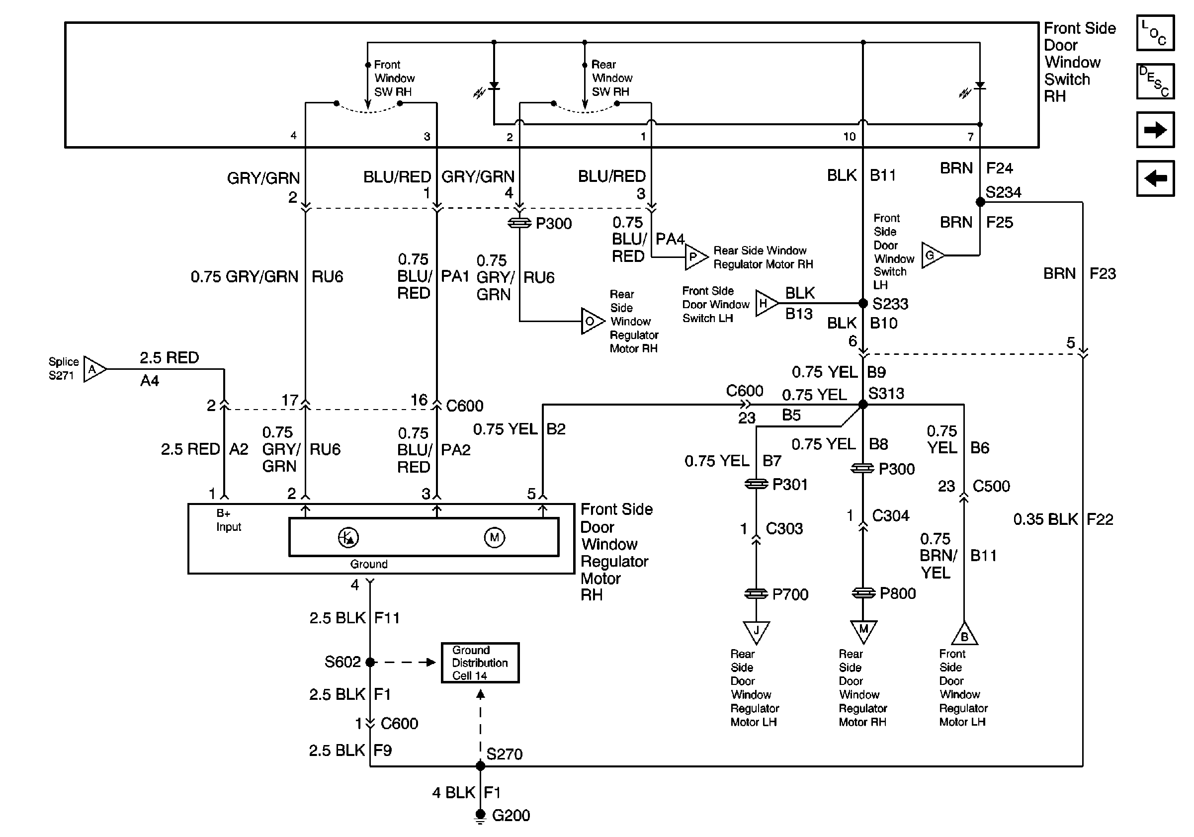
Figure 2:

Cell 120 RH Front Side Door Window Switch and Window Regulator Motor


Object Number: 384059  Size: FS
Power Door Systems Components
Power Windows Circuit Description
Cell 120 RH Rear Side Door Window Switch and Window Regulator Motor
Cell 120 LH Rear Side Door Window Switch and Window Regulator Motor
Ground Distribution Schematics
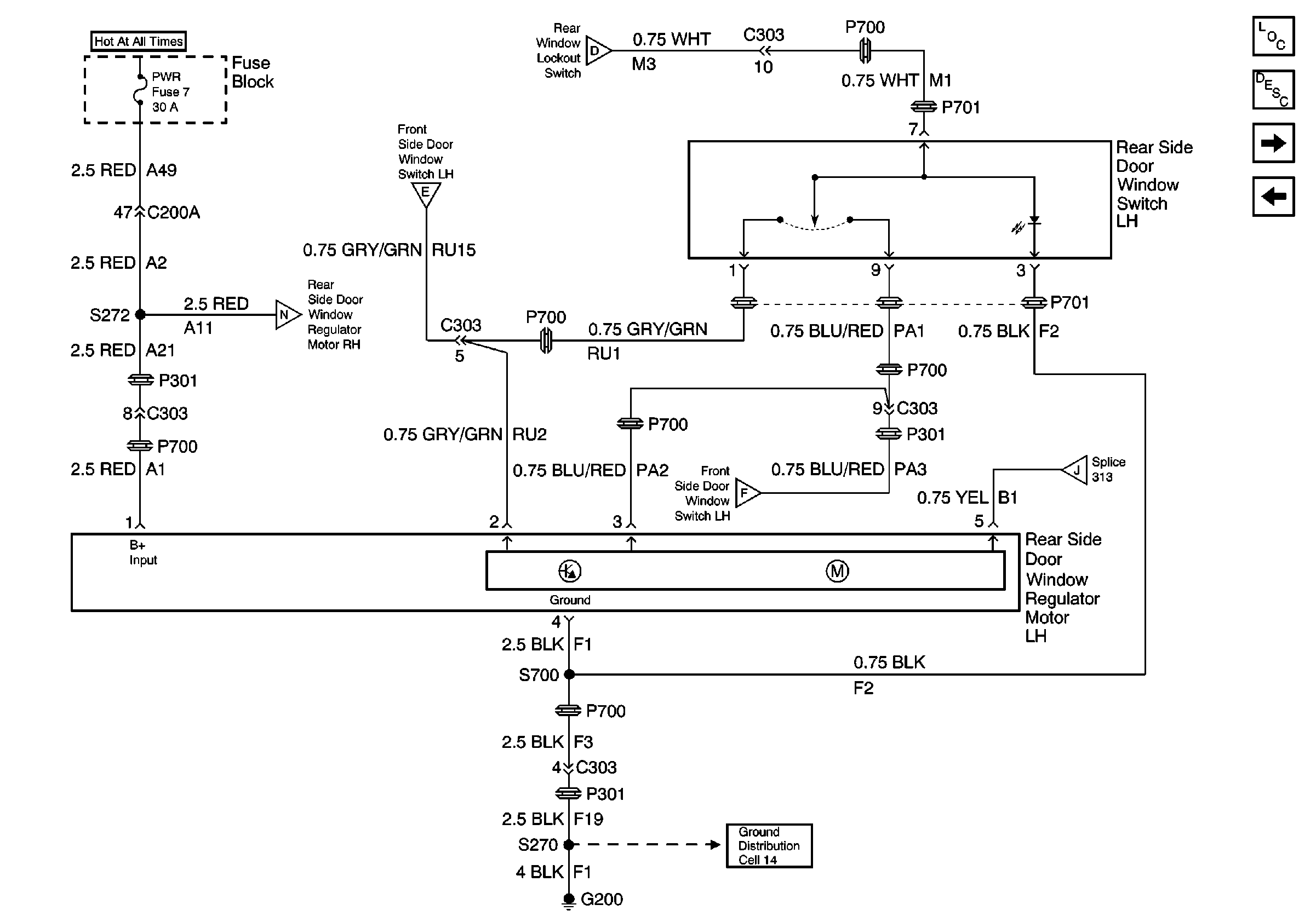
Figure 3:

Cell 120 LH Rear Side Door Window Switch and Window Regulator Motor


Object Number: 384052  Size: FS
Power Door Systems Components
Power Windows Circuit Description
Cell 120 RH Front Side Door Window Switch and Window Regulator Motor
Cell 120 S313 and Door Open Signal
Ground Distribution Schematics
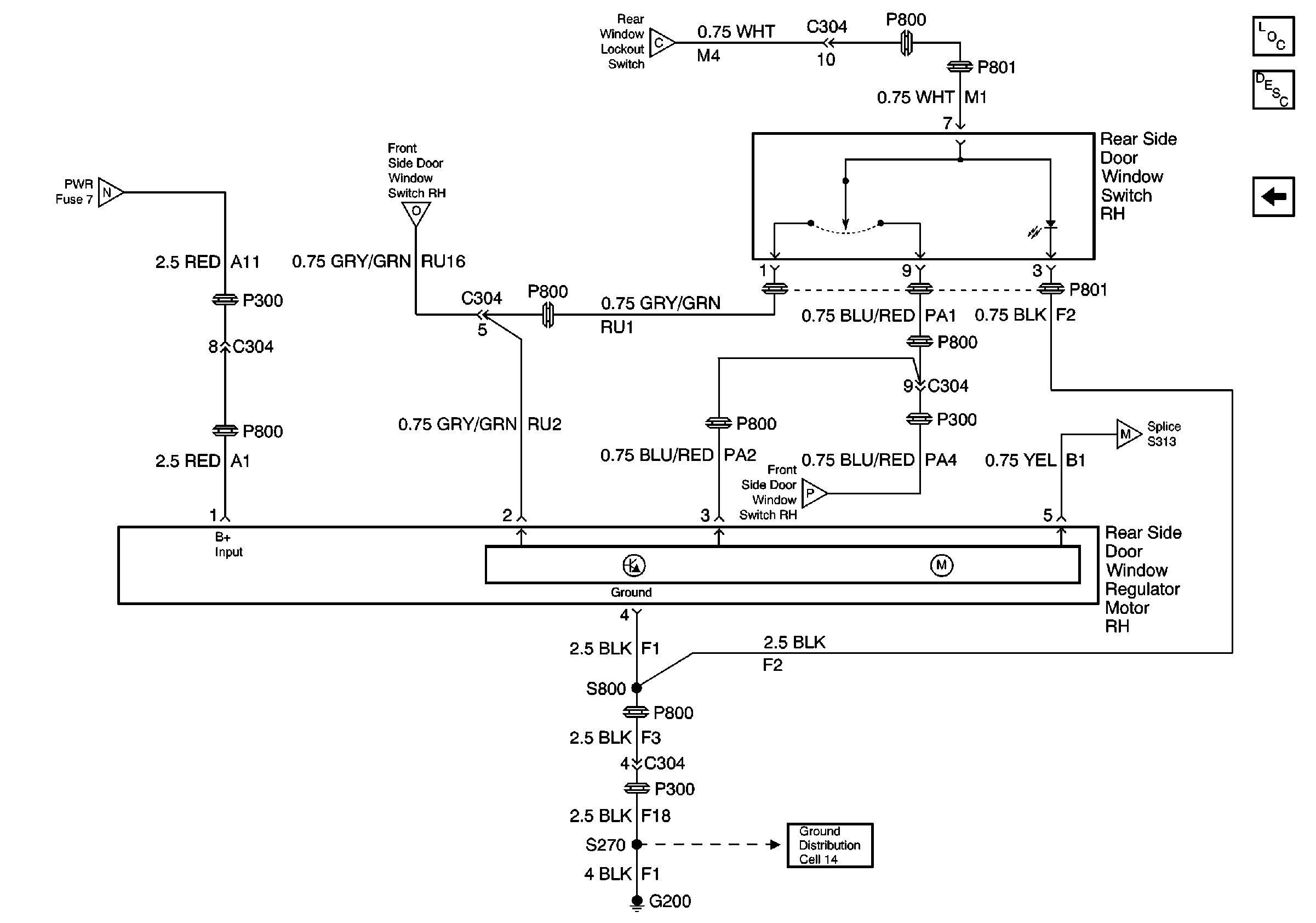
Figure 4:

Cell 120 RH Rear Side Door Window Switch and Window Regulator Motor


Object Number: 384072  Size: FS
Power Door Systems Components
Power Windows Circuit Description
Cell 120 RH Front Side Door Window Switch and Window Regulator Motor
Ground Distribution Schematics