GM Service Manual Online
For 1990-2009 cars only
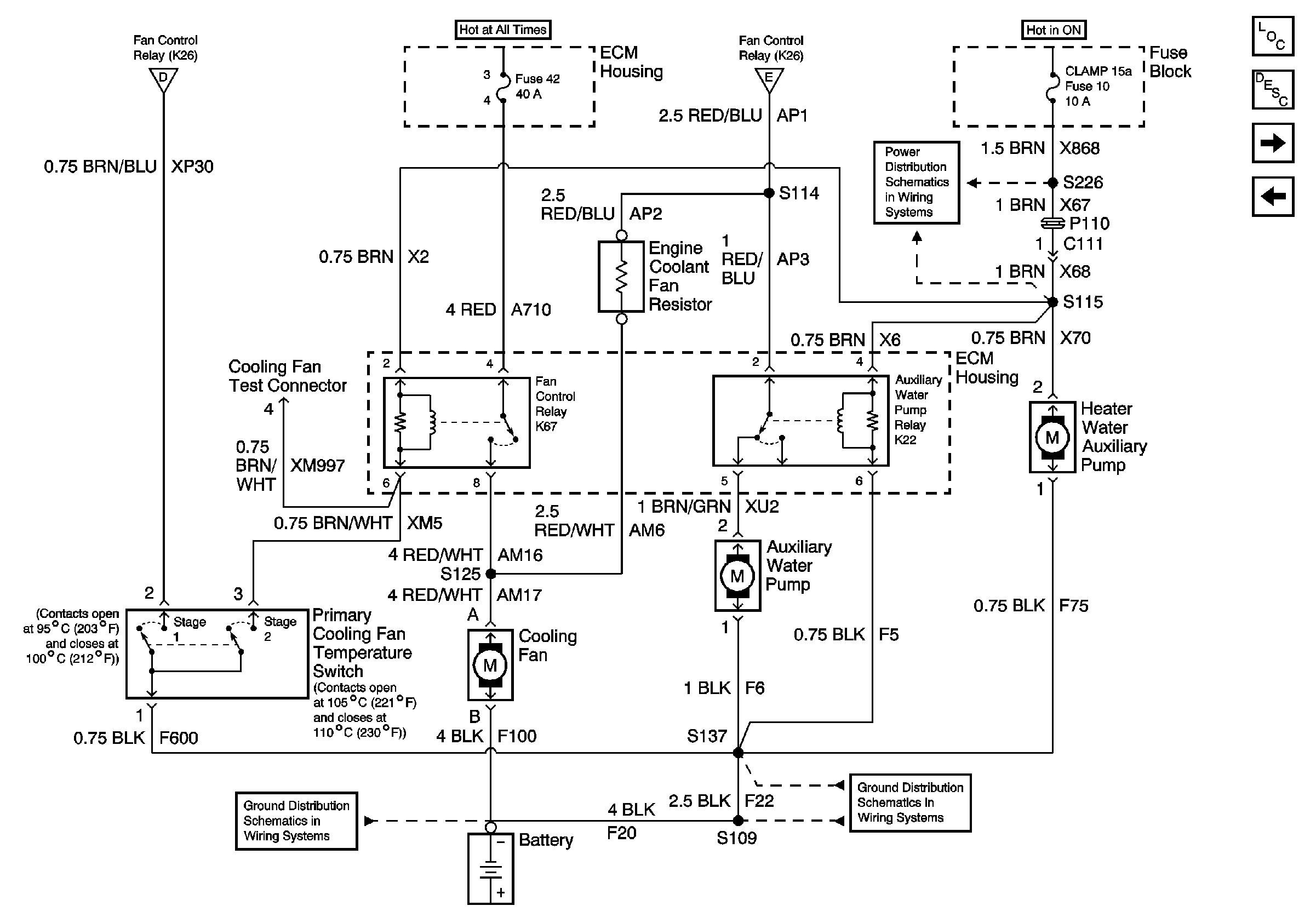
Figure 1:

Auxiliary Engine Coolant Fan #1


Object Number: 587022  Size: FS
Cooling System Component Views
Cooling Fan, Auxiliary Water Pump, and Heater Water Auxiliary Pump
Auxiliary Engine Cooling Fan #2
Power Distribution Schematics
Cooling Fan, Auxiliary Water Pump, and Heater Water Auxiliary Pump
Cooling Fan, Auxiliary Water Pump, and Heater Water Auxiliary Pump
Auxiliary Engine Cooling Fan #2
Auxiliary Engine Cooling Fan #2
Ground Distribution Schematics
Ground Distribution Schematics
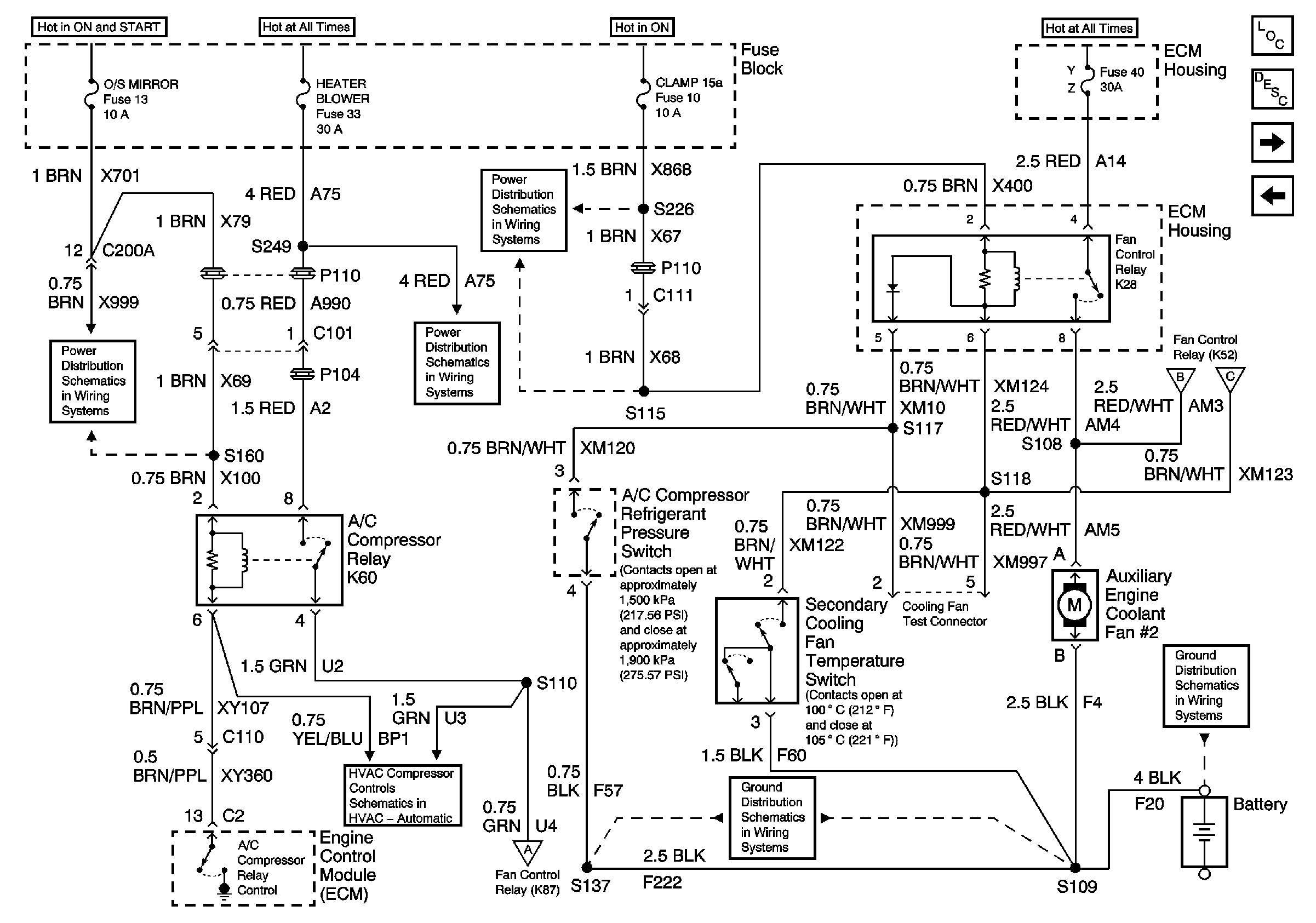
Figure 2:

Cooling Fan, Auxiliary Water Pump, and Heater Water Auxiliary Pump


Object Number: 587032  Size: FS
Cooling System Component Views
Auxiliary Engine Cooling Fan #2
Auxiliary Engine Coolant Fan #1
Auxiliary Engine Coolant Fan #1
Auxiliary Engine Coolant Fan #1
Power Distribution Schematics
Ground Distribution Schematics
Ground Distribution Schematics
Figure 3:

Auxiliary Engine Coolant Fan #2


Object Number: 657629  Size: FS
Cooling System Component Views
Coolant Level Indicator
Cooling Fan, Auxiliary Water Pump, and Heater Water Auxiliary Pump
Power Distribution Schematics
Power Distribution Schematics
Power Distribution Schematics
Auxiliary Engine Coolant Fan #1
Ground Distribution Schematics
HVAC Compressor Control Schematics
Auxiliary Engine Coolant Fan #1
Ground Distribution Schematics
Figure 4:

Coolant Level Indicator


Object Number: 657628  Size: FS
Cooling System Component Views
Auxiliary Engine Cooling Fan #2
Instrument Cluster: Analog Schematics
Ground Distribution Schematics
Ground Distribution Schematics
Figure 5:

Low Coolant Warning Indicator


Object Number: 726232  Size: FS