GM Service Manual Online
For 1990-2009 cars only
Makes
🢒
Cadillac
🢒
2001
🢒
Catera
🢒
Suspension
🢒
Automatic Level Control
🢒 Automatic Level Control Schematics
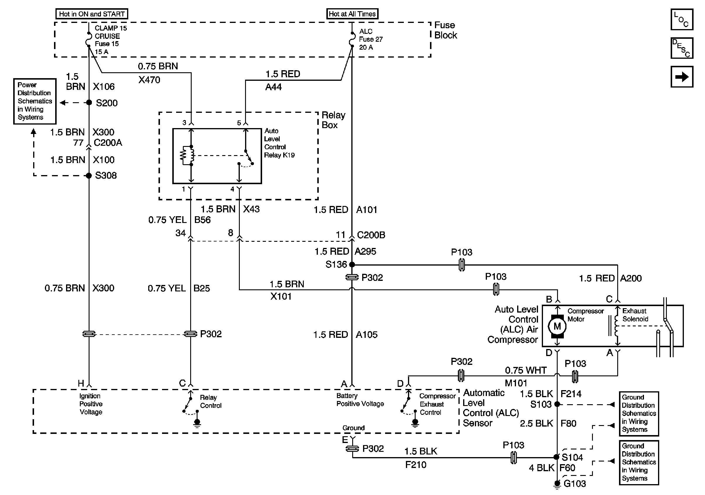
Figure
1:
Power, Ground, ALC Relay and Compressor
Master Electrical Component List
Automatic Level Control Description and Operation
Serial Data, VSS, and Indicator
Underhood Fuse Block Fuses V1 and V4, and Ignition Switch
Underhood Fuse Block Fuse V5 and Fuse Block Fuses 6, 7, 20, and 25
Fuse Block Fuse 15
G103 (4 of 8)
G103 (1 of 8)
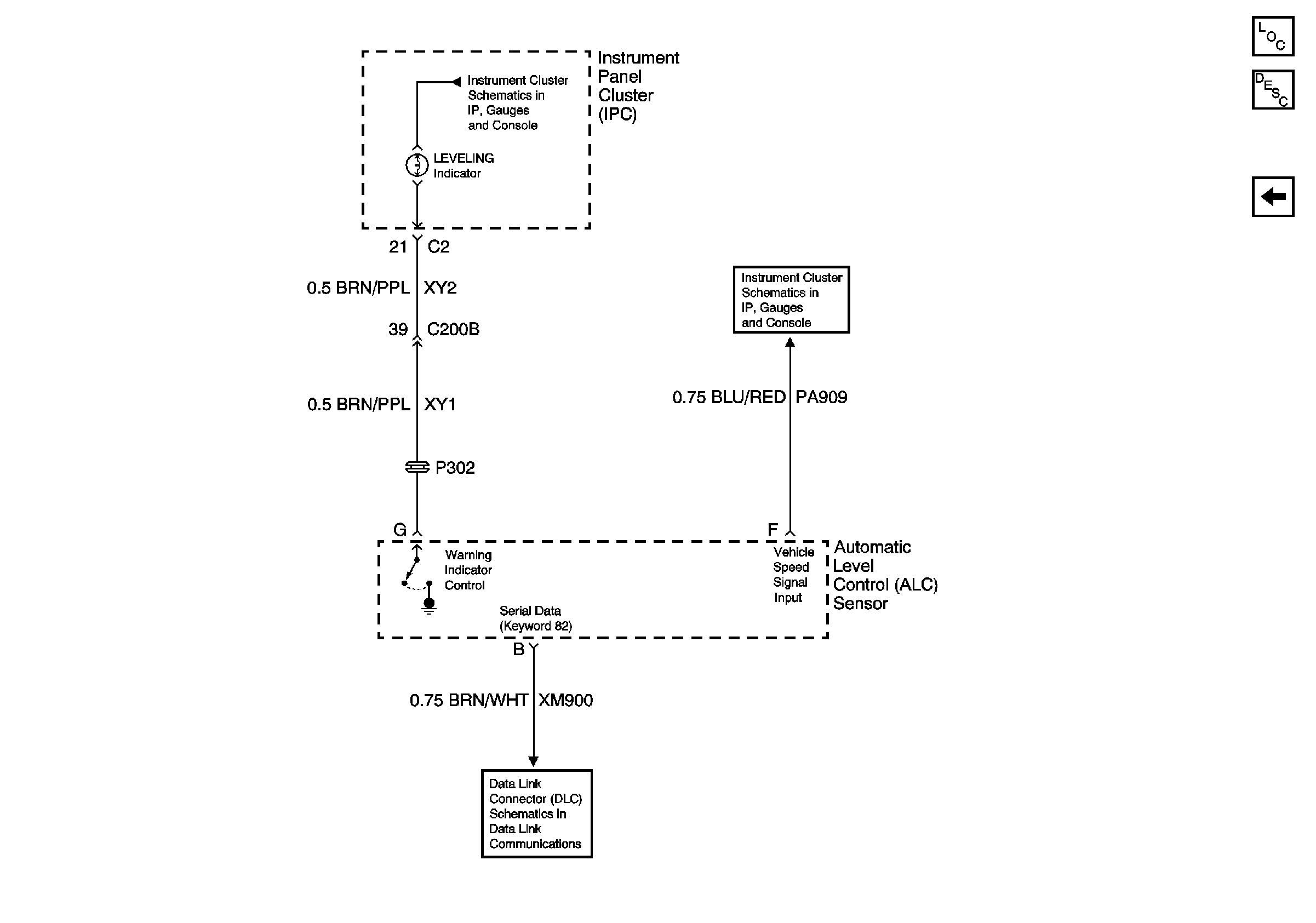
Figure
2:
Serial Data, VSS, and Indicator
Master Electrical Component List
Automatic Level Control Description and Operation
Power, Ground, ALC Relay and Compressor
Power, Headlamps On Required, ABS, Traction Control, Sport Mode, Check Engine, Brake To Shift, Air Bag, Charging System Brake Pad Wear, Low Washer Fluid, Seat Belt Leveling, Brake and Cruise Indicator
Tachometer, Speedometer and Overspeed Indicator
DLC Pins 8 and 12