GM Service Manual Online
For 1990-2009 cars only
Makes
🢒
Cadillac
🢒
2001
🢒
Catera
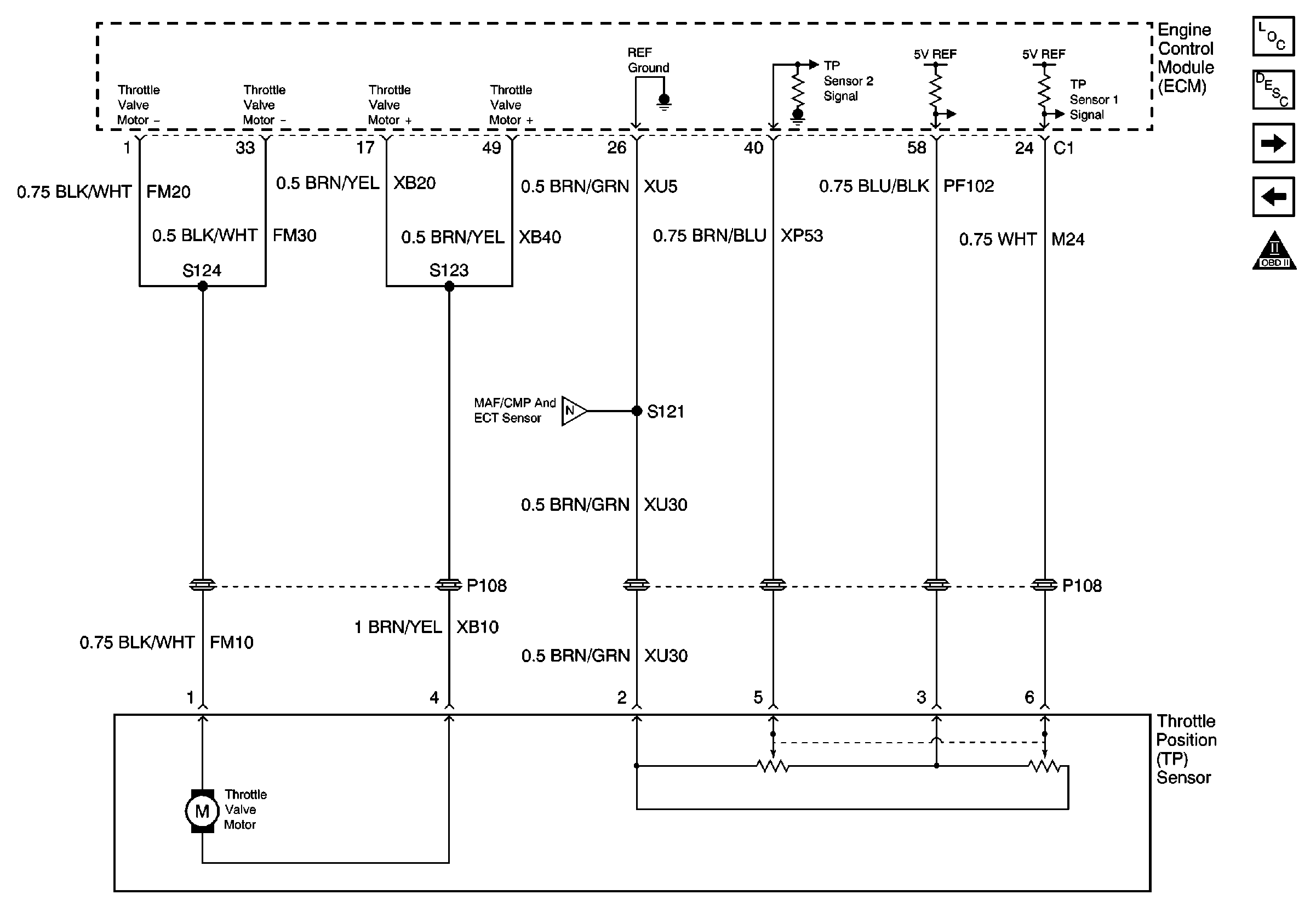
🢒 Engine Controls (Throttle Position (TP) Sensor)
Engine Controls (Throttle Position (TP) Sensor)
Engine Controls (Throttle Position (TP) Sensor)
Master Electrical Component List
Information Sensors
Accelerator Pedal Position (APP) Sensor
EVAP Tank, Purge and Intake Plenum, Resonance Solenoid Valves