GM Service Manual Online
For 1990-2009 cars only
Makes
🢒
Cadillac
🢒
2001
🢒
Catera
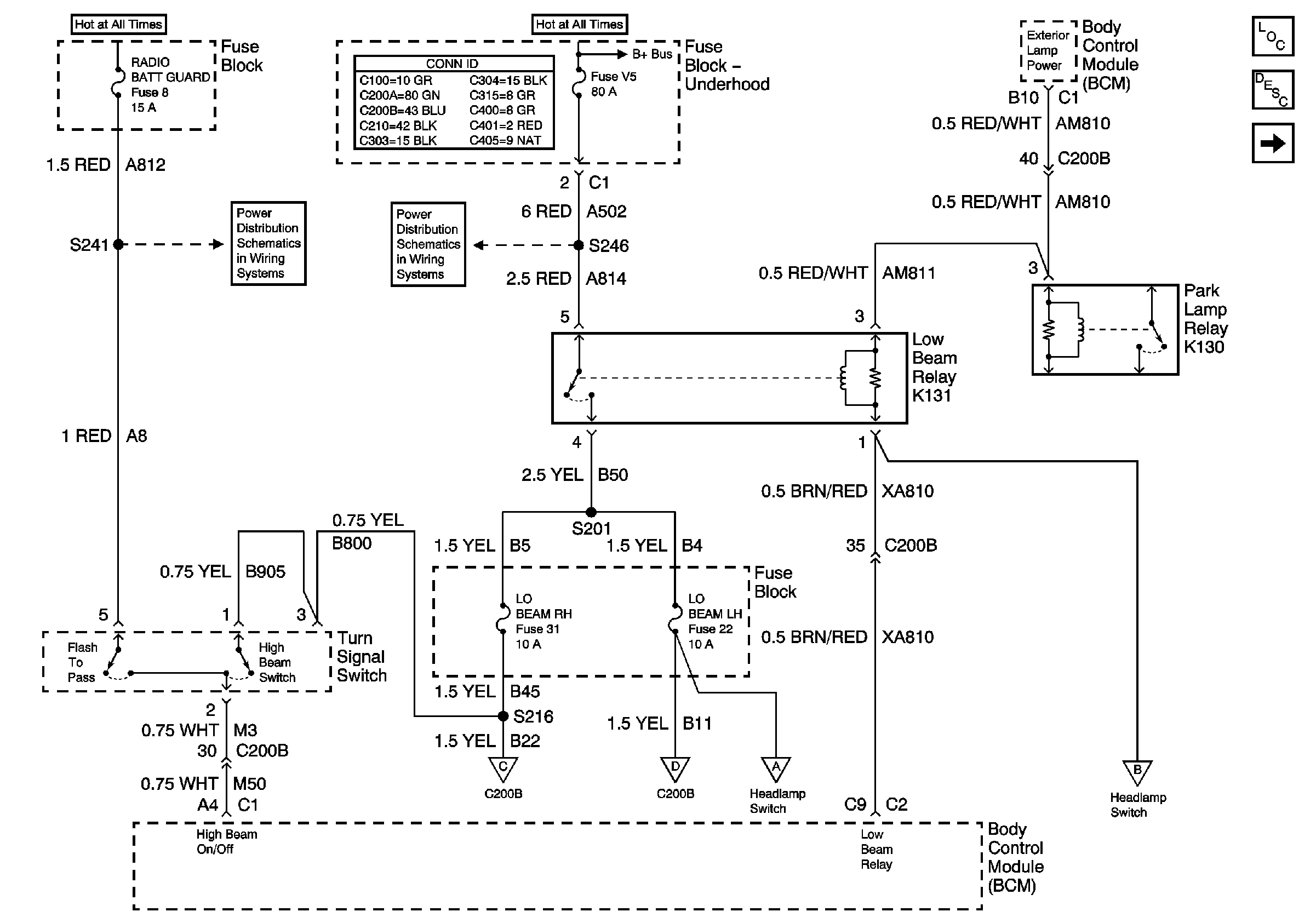
🢒 Low Beam Relay K131 and Turn Signal Switch
Low Beam Relay K131 and Turn Signal Switch
Low Beam Relay K131 and Turn Signal Switch
Master Electrical Component List
Air Temperature Description and Operation
Headlamp Switch, BCM, Heater and A/C Control and Instrument Cluster
Underhood Fuse Block Fuse V5 and Fuse Block Fuses 6, 7, 20, and 25
Battery Cable Bus
Fuse Block Fuses 1, 8, and 27
Underhood Fuse Block Fuse V5 and Fuse Block Fuses 6, 7, 20, and 25
Headlamps
Headlamps
Headlamp Switch, BCM, Heater and A/C Control and Instrument Cluster
Headlamp Switch, BCM, Heater and A/C Control and Instrument Cluster