GM Service Manual Online
For 1990-2009 cars only
Makes
🢒
Cadillac
🢒
2006
🢒
DTS
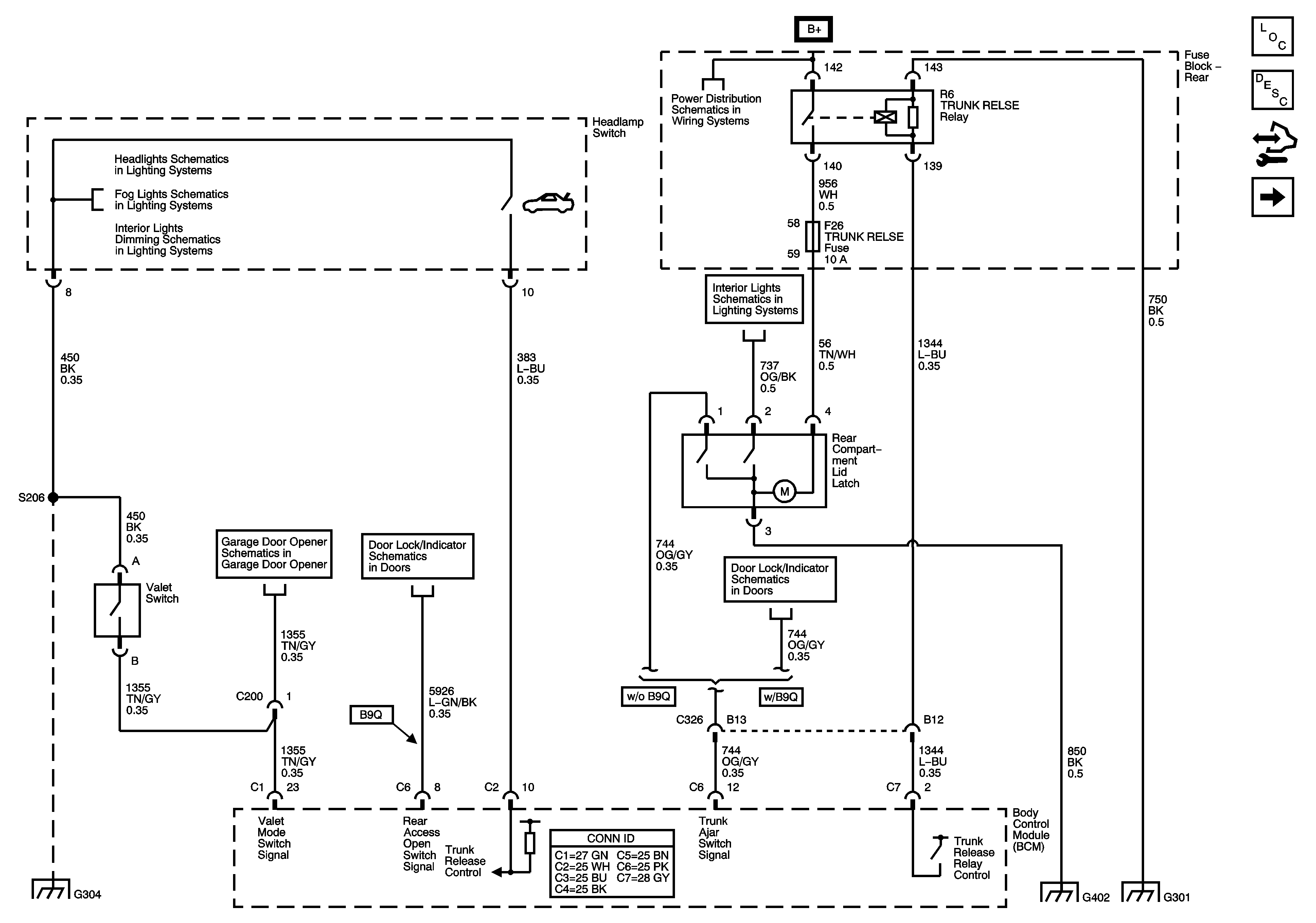
🢒 Trunk Release, Valet Switch, and Rear Compartment Lid Latch
Trunk Release, Valet Switch, and Rear Compartment Lid Latch
Trunk Release, Valet Switch, and Rear Compartment Lid Latch
Master Electrical Component List
Luggage Compartment Description and Operation
Control Module References
Rear Window Sunshade DE9
Garage Door Opener Schematic
Rear Door Latch Assembly - B9Q
Rear Fuse Block B+ Bus
Vanity Mirror, Rear Compartment Courtesy, I/P Compartment, Overhead Console
Rear Door Latch Assembly - B9Q
G402
G304
G301
Headlamp Switch
Fog Lamps
Hazard, Headlamp, Driver Information Display Switches, Ashtray, HVAC Control Module, Radio, Clock