GM Service Manual Online
For 1990-2009 cars only
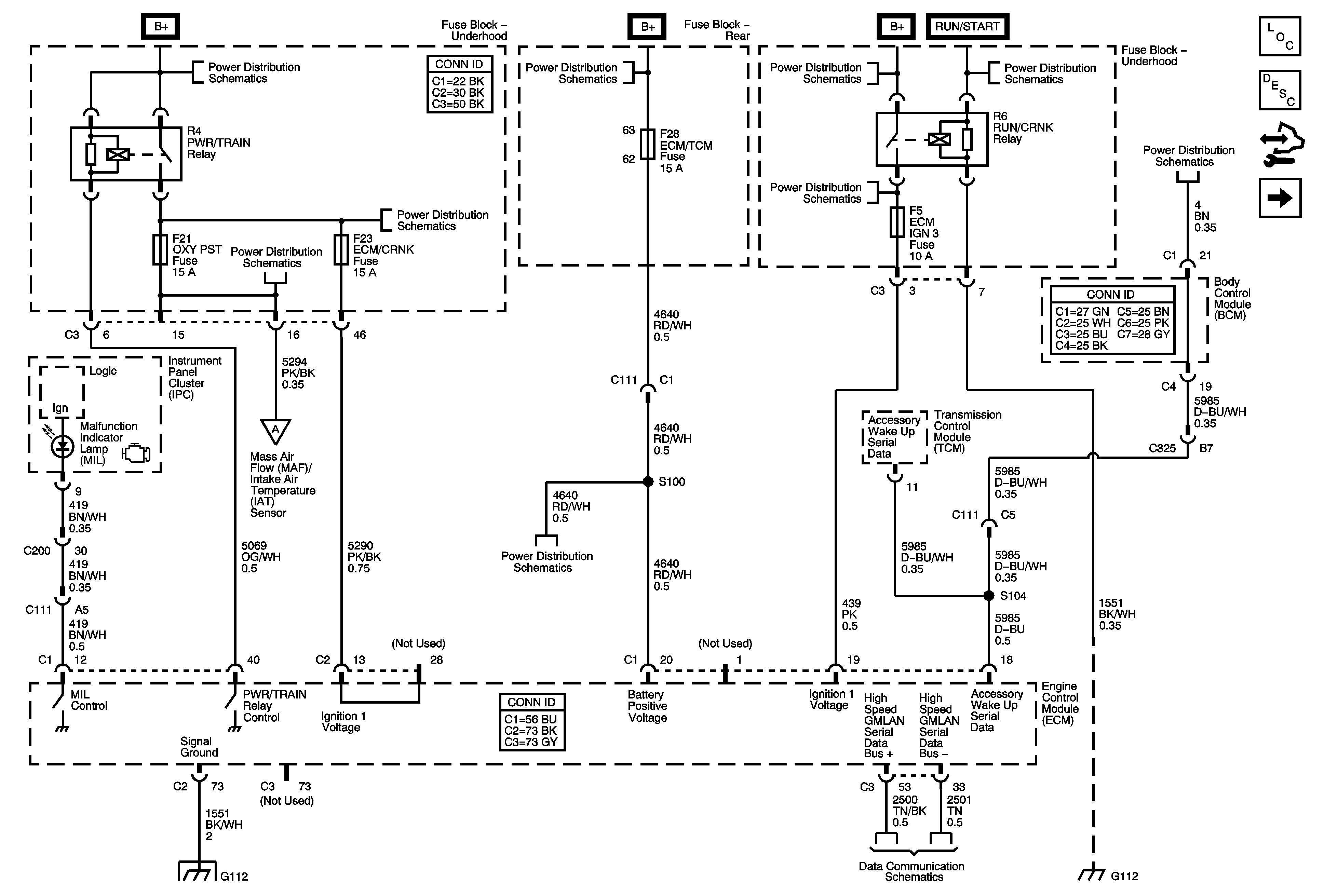
Figure 1:

Power, Ground, MIL and DLC


Object Number: 1758530  Size: FS
Master Electrical Component List
Engine Control Module Description
Control Module References
Engine Data Sensors, 5V Reference Bussing
Underhood Fuse Block B+
Underhood Fuse Block B+
Rear Fuse Block B+
Underhood Fuse Block B+
RUN/CRANK Relay, TRANS IGN 3, AIRBAG IGN 3, HVAC/IPC, ECM IGN 3 Fuses
RUN/CRANK Relay, TRANS IGN 3, AIRBAG IGN 3, HVAC/IPC, ECM IGN 3 Fuses
Rear Fuse Block - IGN SWTCH, STR/WHL ILLUM Fuses
Underhood Fuse Block - AIR PUMP, AIR/SOL, A/C, COOL/FAN 2, COOL/FAN, COOL FAN 1 Relays, INJ/COIL, OXY PST Fuses
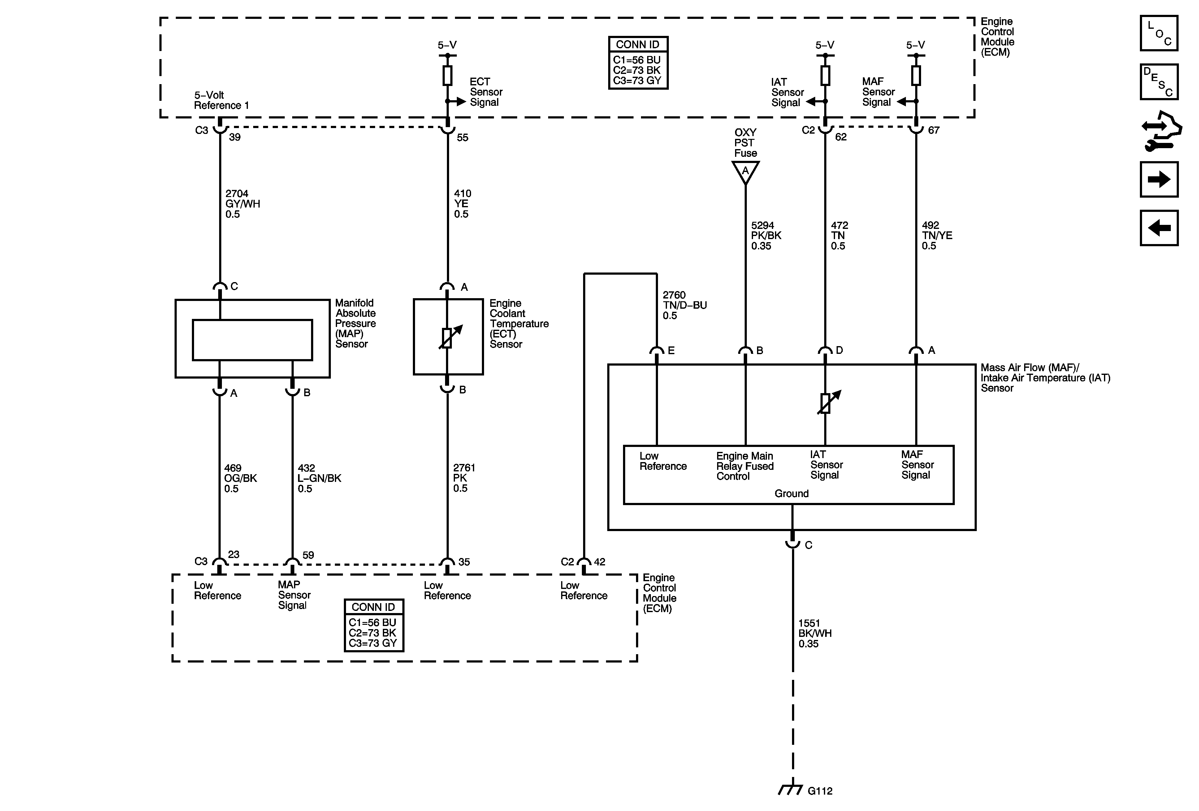
Engine Data Sensors, Pressure, Temp and MAF/IAT
Rear Fuse Block - MSM/RT FRT PWR SEAT, MSM/LT FRT PWR SEAT, MSM/TILT STR WHL Circuit Breakers, ECM/TCM, MSM LOGIC/RF MASSAGE Fuses
G100, G112
High Speed Serial Data
G100, G112
Figure 2:

Engine Data Sensors, 5-Volt Reference Bussing


Object Number: 1758548  Size: FS
Master Electrical Component List
Engine Control Module Description
Control Module References
Engine Data Sensors, Pressure, Temp and MAF/IAT
Power, Ground, MIL and DLC
Figure 3:

Engine Data Sensors - Pressure, Temp and MAF/IAT


Object Number: 1758555  Size: FS
Master Electrical Component List
Engine Control Module Description
Control Module References
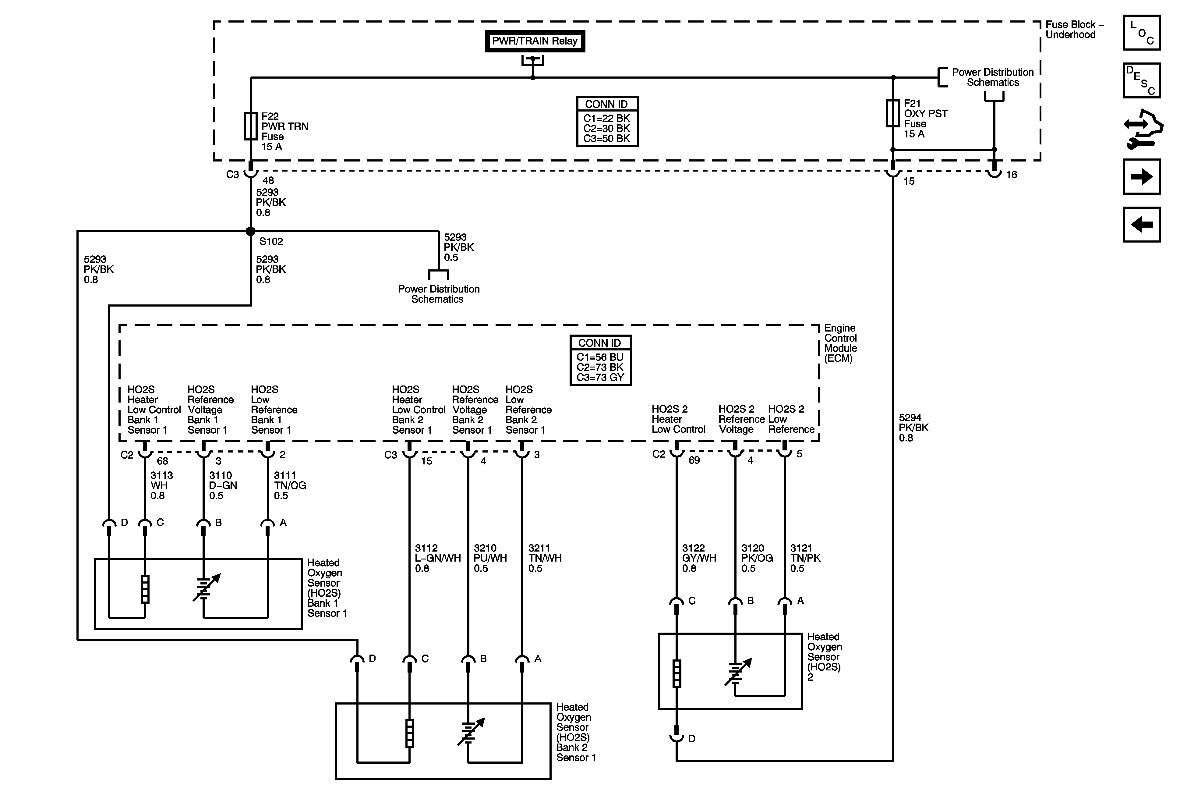
Engine Data Sensors, HO2S
Engine Data Sensors, 5V Reference Bussing
Power, Ground, MIL and DLC
G100, G112
Figure 4:

Engine Data Sensors, HO2S


Object Number: 1758562  Size: FS
Master Electrical Component List
Engine Control Module Description
Control Module References
Engine Data Sensors, APP and Throttle Body Assembly
Engine Data Sensors, Pressure, Temp and MAF/IAT
Underhood Fuse Block B+
Underhood Fuse Block - AIR PUMP, AIR/SOL, A/C, COOL/FAN 2, COOL/FAN, COOL FAN 1 Relays, INJ/COIL, OXY PST Fuses
Underhood Fuse Block - PWR/TRAIN, AIR PUMP, AIR/SOL Relays, AIR PUMP, AIR/SOL, ECM/CRNK, INJ/COIL, PWR TRN Fuses
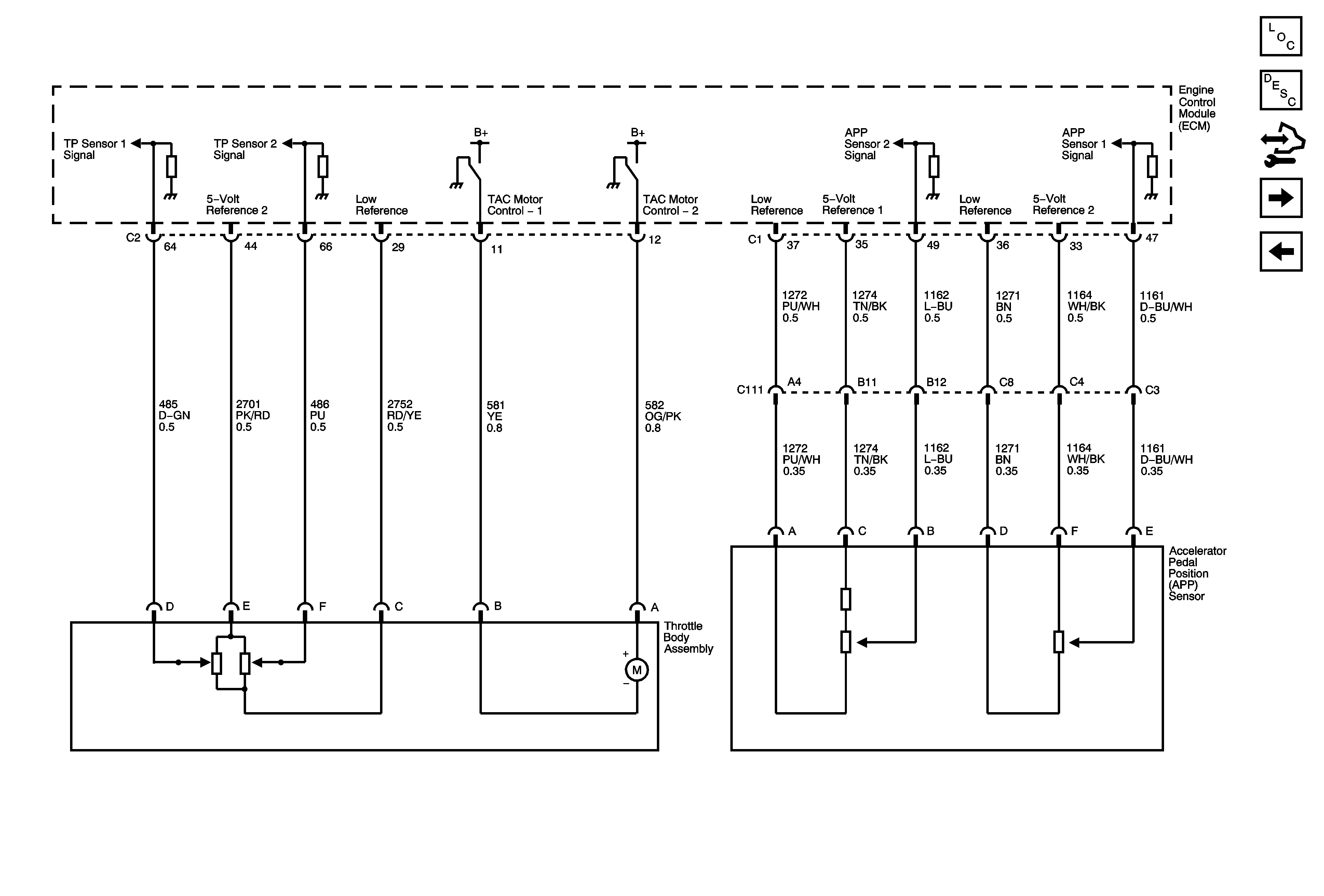
Figure 5:

Engine Data Sensors, APP and Throttle Body Assembly


Object Number: 1758563  Size: FS
Master Electrical Component List
Throttle Actuator Control (TAC) System Description
Control Module References
Ignition Controls 1 of 2
Engine Data Sensors, HO2S
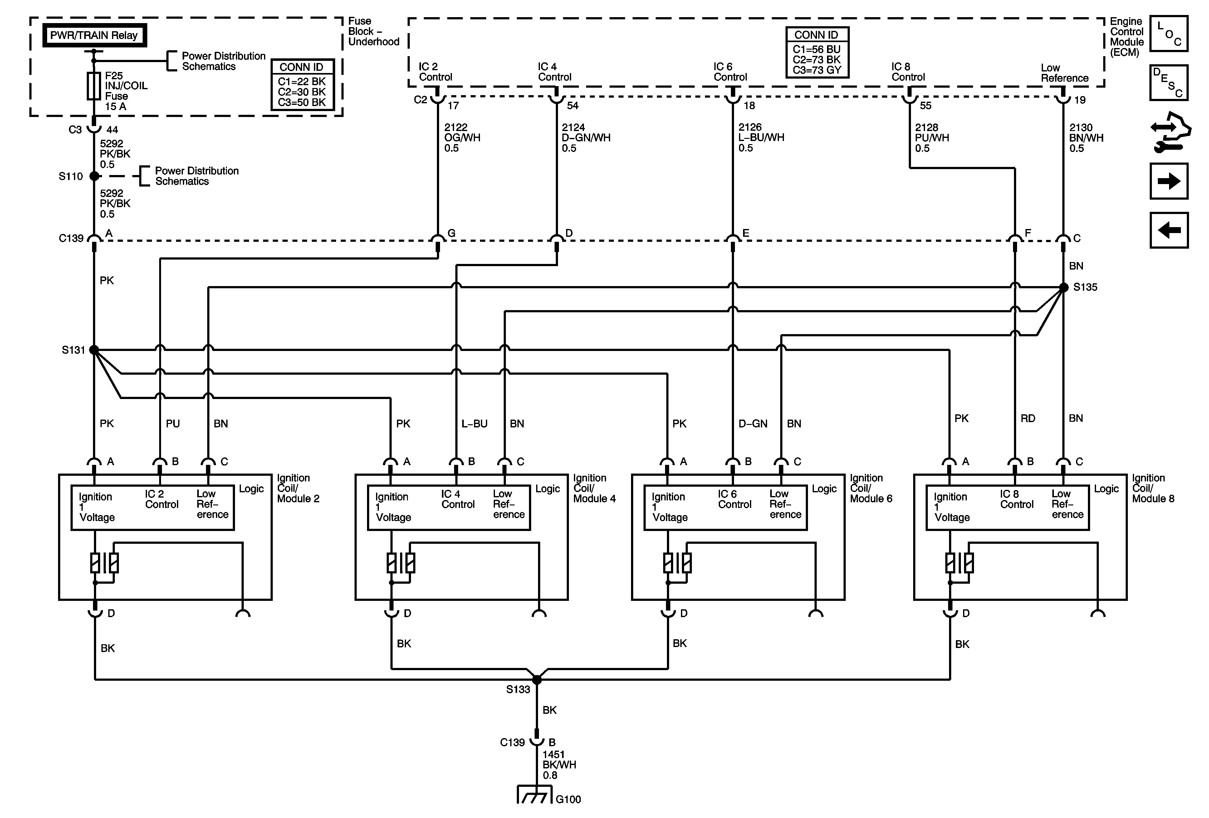
Figure 6:

Ignition Controls - 1 of 2


Object Number: 1758570  Size: FS
Master Electrical Component List
Electronic Ignition (EI) System Description
Control Module References
Ignition Controls 2 of 2
Engine Data Sensors, APP and Throttle Body Assembly
Underhood Fuse Block B+
Underhood Fuse Block - PWR/TRAIN, AIR PUMP, AIR/SOL Relays, AIR PUMP, AIR/SOL, ECM/CRNK, INJ/COIL, PWR TRN Fuses
G100, G112
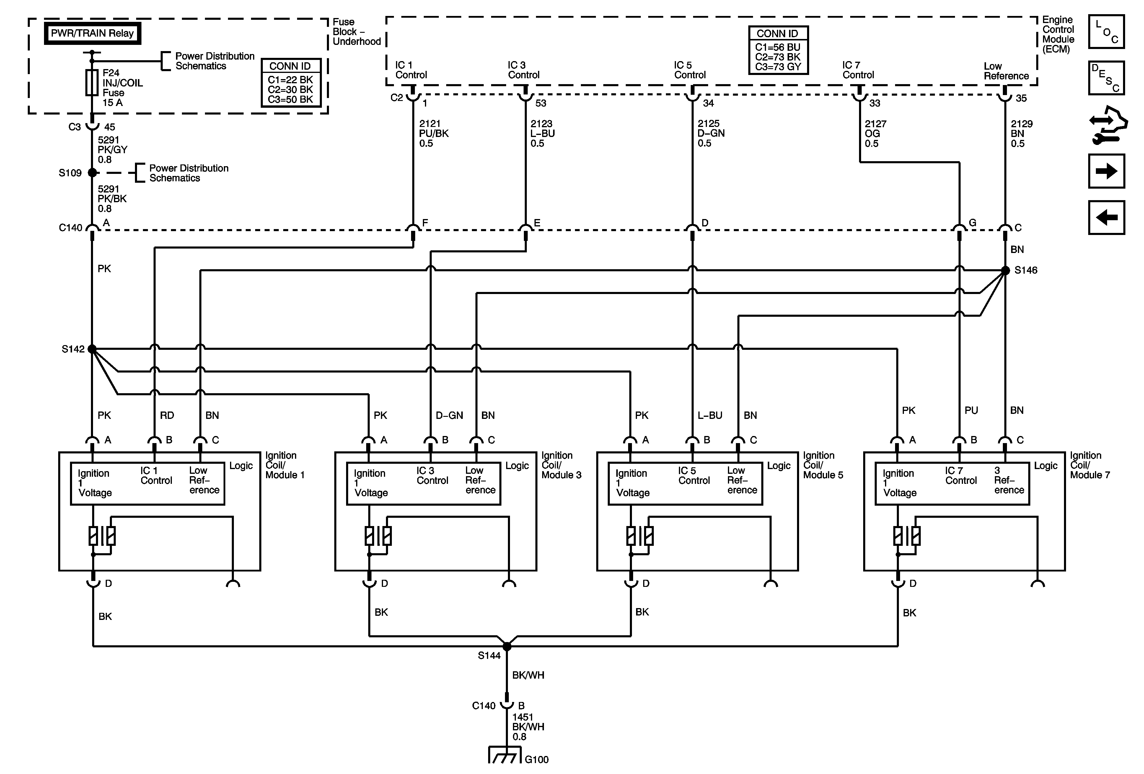
Figure 7:

Ignition Controls - 2 of 2


Object Number: 1758572  Size: FS
Master Electrical Component List
Electronic Ignition (EI) System Description
Control Module References
CKP, CMP, Knock Sensors
Ignition Controls 1 of 2
Underhood Fuse Block B+
Underhood Fuse Block - PWR/TRAIN, AIR PUMP, AIR/SOL Relays, AIR PUMP, AIR/SOL, ECM/CRNK, INJ/COIL, PWR TRN Fuses
G100, G112
Figure 8:

CKP, CMP, Knock Sensors


Object Number: 1758579  Size: FS
Master Electrical Component List
Electronic Ignition (EI) System Description
Control Module References
Fuel Controls
Ignition Controls 2 of 2
Engine Controls Schematic Icons
Engine Controls Schematic Icons
Engine Controls Schematic Icons
Engine Controls Schematic Icons
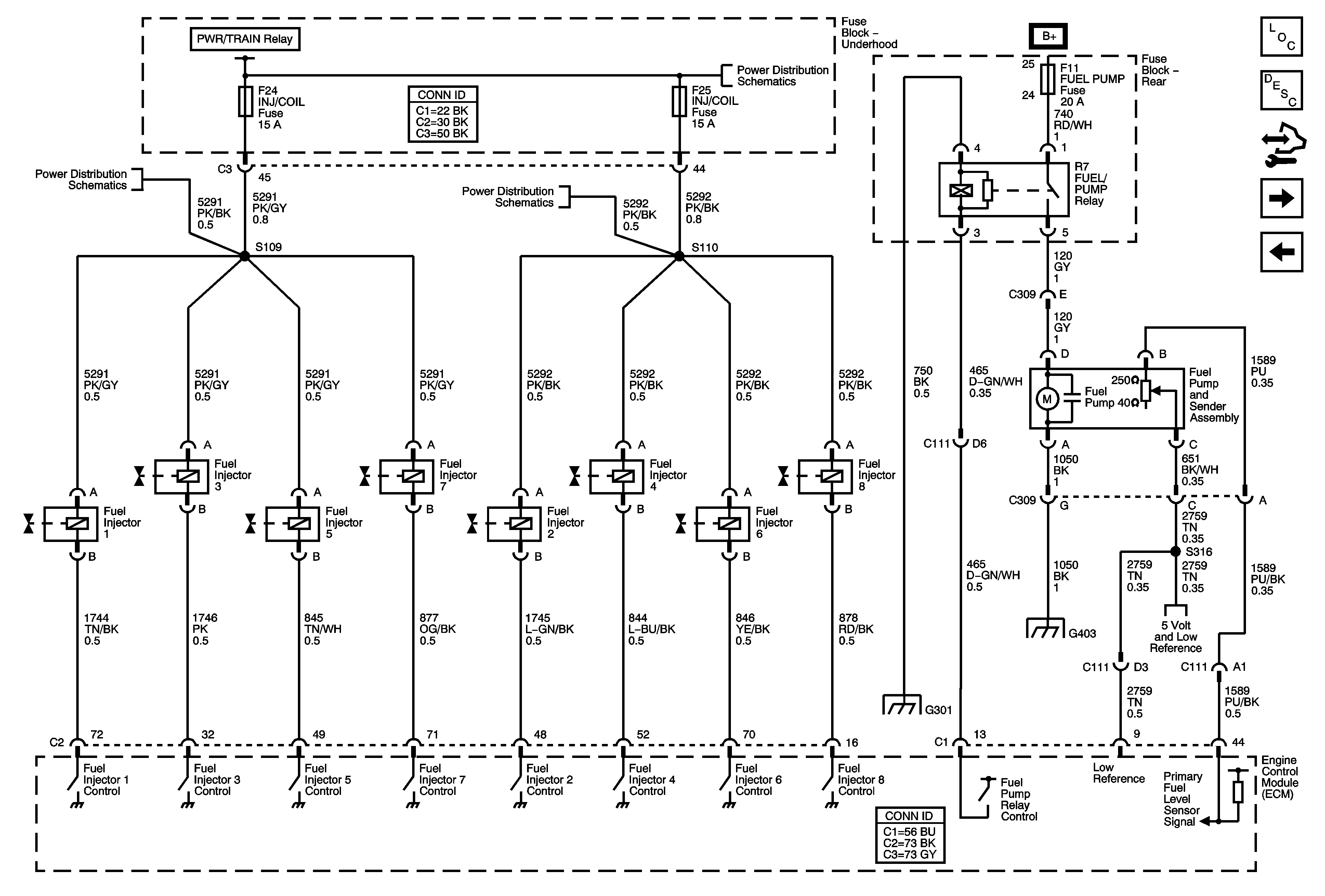
Figure 9:

Fuel Controls


Object Number: 1758574  Size: FS
Master Electrical Component List
Fuel System Description
Control Module References
EVAP Controls
CKP, CMP, Knock Sensors
Underhood Fuse Block B+
Underhood Fuse Block - PWR/TRAIN, AIR PUMP, AIR/SOL Relays, AIR PUMP, AIR/SOL, ECM/CRNK, INJ/COIL, PWR TRN Fuses
Underhood Fuse Block - AIR PUMP, AIR/SOL, A/C, COOL/FAN 2, COOL/FAN, COOL FAN 1 Relays, INJ/COIL, OXY PST Fuses
G301
G403
Engine Data Sensors, 5V Reference Bussing
Figure 10:

EVAP Controls


Object Number: 1758580  Size: FS
Master Electrical Component List
Evaporative Emission Control System Description
Control Module References
AIR, EGR
Fuel Controls
Underhood Fuse Block B+
Rear Fuse Block B+
Underhood Fuse Block - PWR/TRAIN, AIR PUMP, AIR/SOL Relays, AIR PUMP, AIR/SOL, ECM/CRNK, INJ/COIL, PWR TRN Fuses
Engine Data Sensors, 5V Reference Bussing
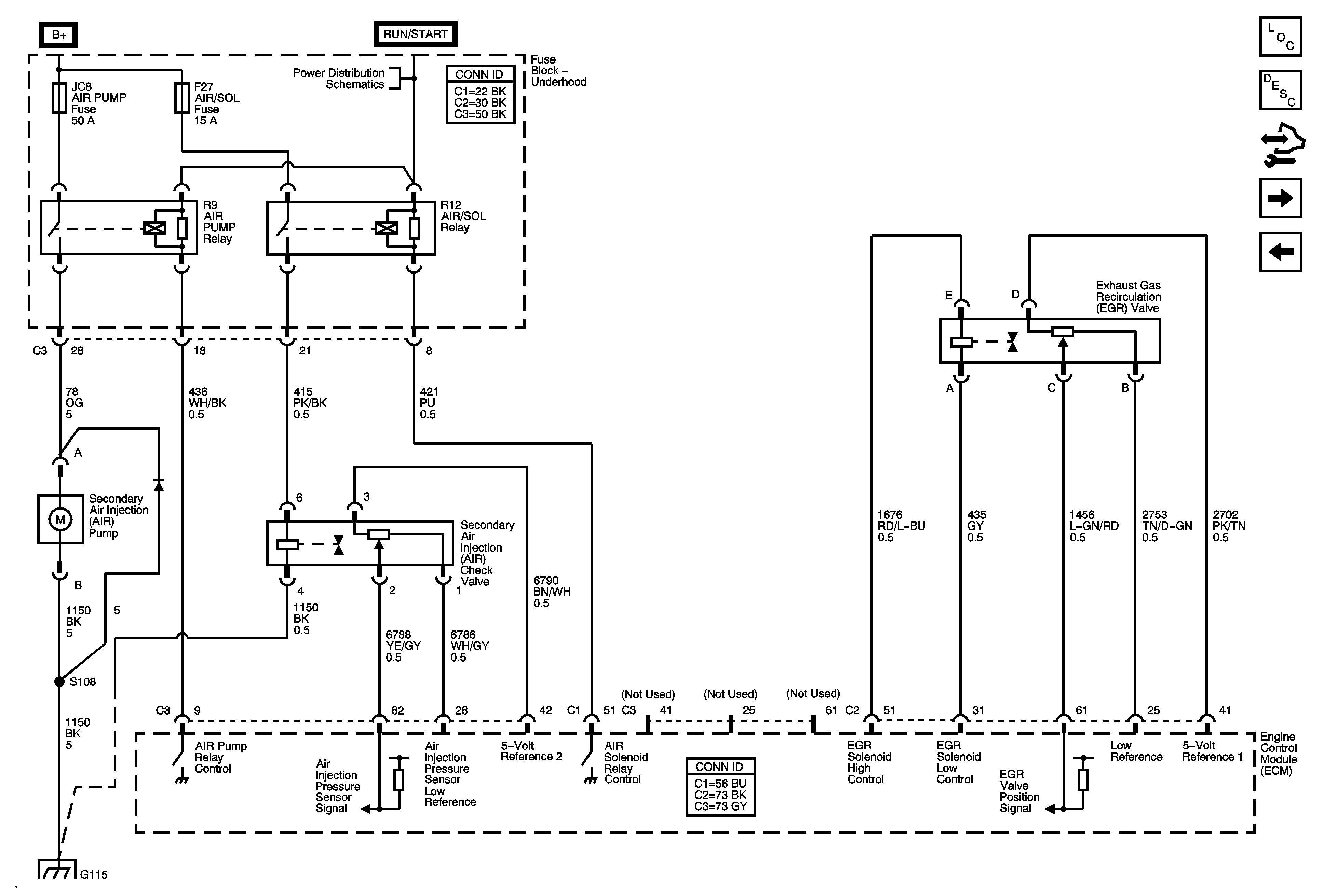
Figure 11:

AIR, EGR


Object Number: 1758595  Size: FS
Master Electrical Component List
Secondary Air Injection System Description
Control Module References
Controlled/Monitored Subsystem References
EVAP Controls
Underhood Fuse Block B+
G101, G110, G111, G114, G115, G302, G303, G306, G307
Figure 12:

Controlled/Monitored Subsystem References


Object Number: 1758597  Size: FS
Master Electrical Component List
Engine Control Module Description
Control Module References
AIR, EGR
TCM Power and Ground
Starting Schematic 1 of 2
Charging Schematic
Engine Cooling Schematics
TCM Power and Ground
EOP, Fuel Level Sensor
Compressor Controls
Stop/Rear Turn Signal Lamps