GM Service Manual Online
For 1990-2009 cars only
Figure 1:

G102,G103,G105,G106,G110


Object Number: 652515  Size: FS
Master Electrical Component List
G100
Figure 2:

G100


Object Number: 652520  Size: FS
Master Electrical Component List
G101
G102,G103,G105,G106,G110
Figure 3:

G101


Object Number: 652523  Size: FS
Master Electrical Component List
G104
G100
Figure 4:

G104


Object Number: 652525  Size: FS
Master Electrical Component List
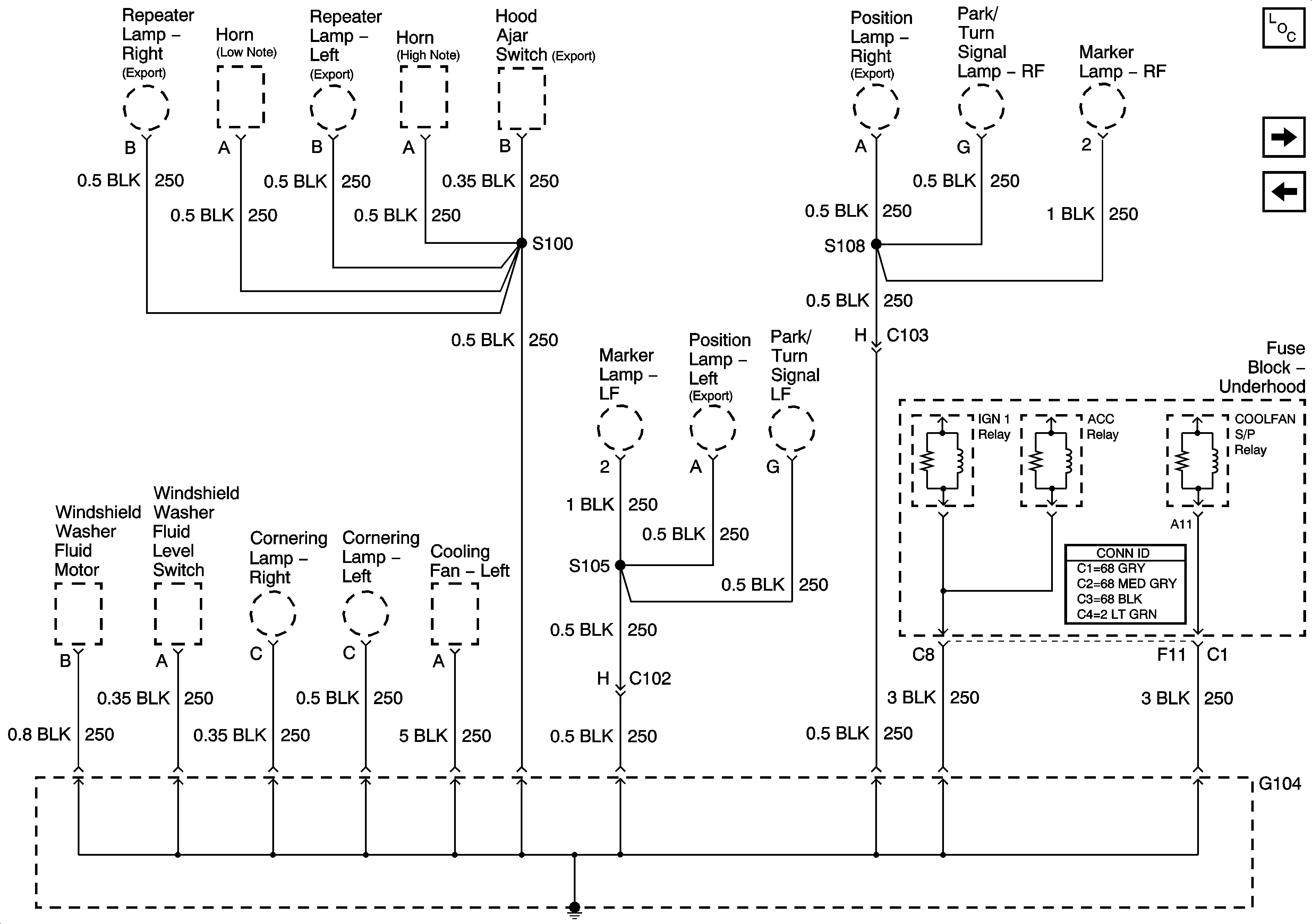
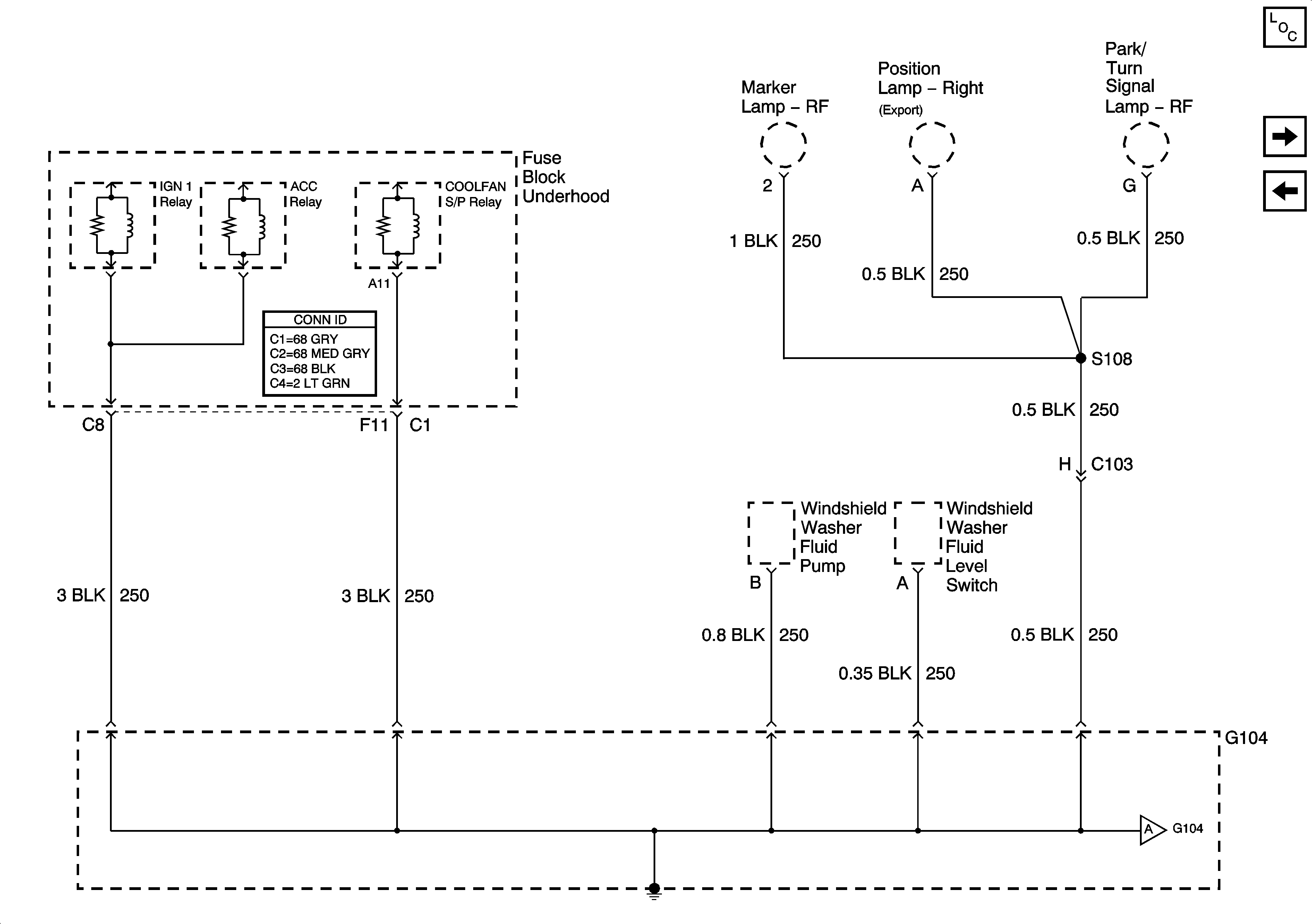
G104 Horns, Lamps and Other Items
G101
Figure 5:

G104 Horns, Lamps and Other Items


Object Number: 652531  Size: FS
Master Electrical Component List
G200
G104
Figure 6:

G200


Object Number: 652536  Size: FS
Master Electrical Component List
G201
G104 Horns, Lamps and Other Items
SIR Caution
Figure 7:

G201


Object Number: 652538  Size: FS
Master Electrical Component List
G201 IP Harness and Console Harness
G200
Figure 8:

G201 IP Harness and Console Harness


Object Number: 652543  Size: FS
Master Electrical Component List
G201,G202 CKT 451 Steering Column
G201
Figure 9:

G201,G202 CKT 451 Steering Column


Object Number: 652545  Size: FS
Master Electrical Component List
G300,G303,G304,G306
G201 IP Harness and Console Harness
Figure 10:

G300,G303,G304,G306


Object Number: 652548  Size: FS
Master Electrical Component List
G301
G201,G202 CKT 451 Steering Column
SIR Caution
Figure 11:

G301


Object Number: 652549  Size: FS
Master Electrical Component List
G302 Right Front Seat
G300,G303,G304,G306
Figure 12:

G302 Right Front Seat


Object Number: 652550  Size: FS
Master Electrical Component List
G302 Left Front Seat
G301
Figure 13:

G302 Left Front Seat


Object Number: 652551  Size: FS
Master Electrical Component List
G302 V4U/B9Q
G302 Right Front Seat
Figure 14:

G302 V4U/B9Q


Object Number: 652552  Size: FS
Master Electrical Component List
G401
G302 Left Front Seat
Figure 15:

G401


Object Number: 652554  Size: FS
Master Electrical Component List
G402 Headliner, Fuel Sender, V4U/B9Q
G302 V4U/B9Q
Figure 16:

G402 Backup Lamps, Courtesy Lamps and License Lamp


Object Number: 652555  Size: FS
Master Electrical Component List
G302 Right Front Seat
G402 Headliner, Fuel Sender, V4U/B9Q
Figure 17:

G402 Headliner, Fuel Sender, V4U/B9Q


Object Number: 652557  Size: FS
Master Electrical Component List
G402 Backup Lamps, Courtesy Lamps and License Lamp
G401