GM Service Manual Online
For 1990-2009 cars only
Makes
🢒
Cadillac
🢒
2001
🢒
DeVille
🢒 w/Console Shift
w/Console Shift
w/Console Shift
Master Electrical Component List
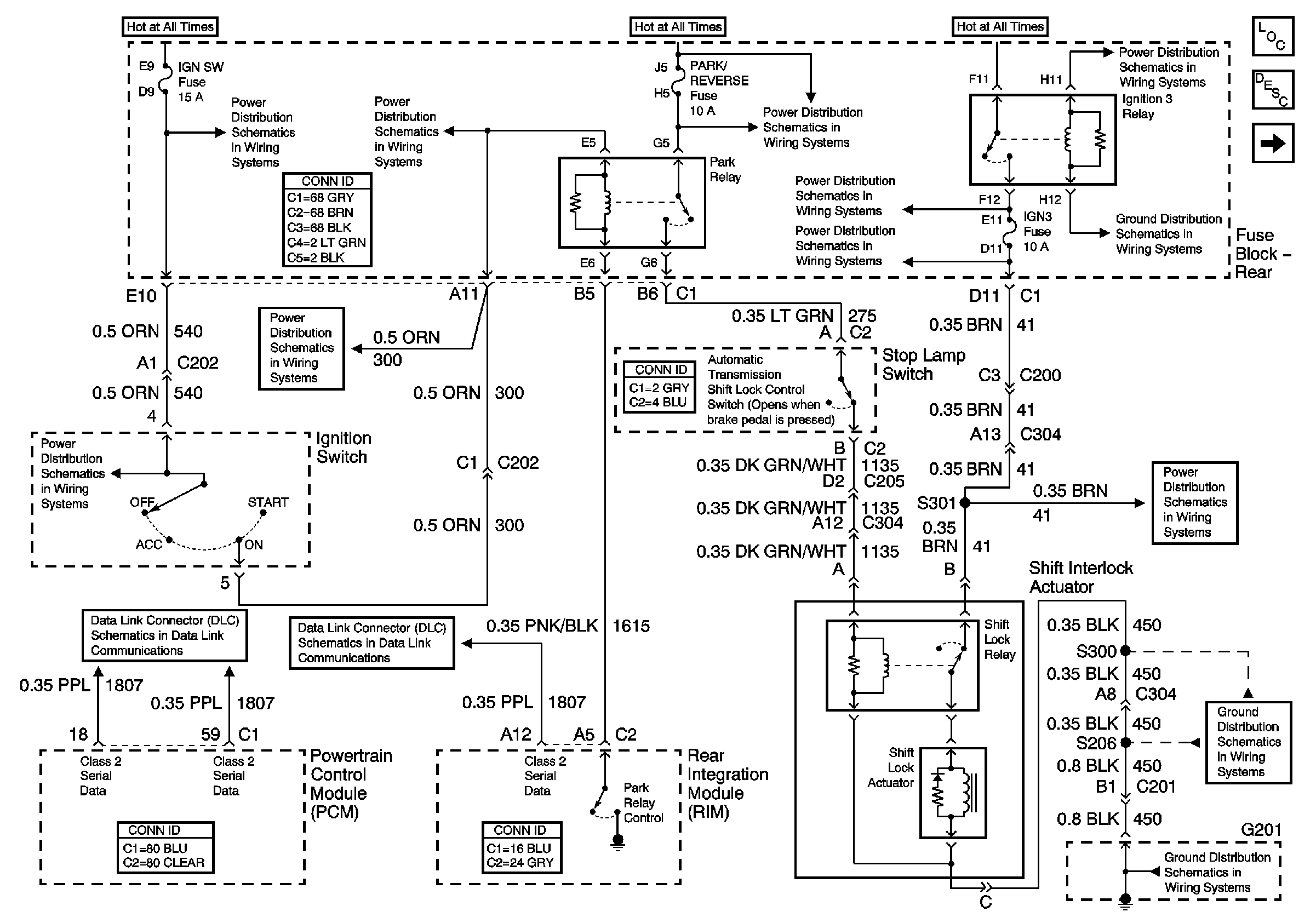
Automatic Transmission Shift Lock Control Description and Operation
w/Column Shift
G201 IP Harness and Console Harness
G201 IP Harness and Console Harness
Ignition Feeds to Underhood and Rear Fuse Blocks
G301
IGN 3 Fuses
PRK/REV, PRK BRK, and RR DEFOG Fuses
IGN 3 Fuses
Ignition Feeds to Underhood and Rear Fuse Blocks
Ignition Feeds to Underhood and Rear Fuse Blocks
RR BLO, RR DR MDL, HVAC, Stop LP, IGN SW, and TSIG/HAZ Fuses
Ignition Switch
Class 2 Serial Data (1 of 3)