GM Service Manual Online
For 1990-2009 cars only
Makes
🢒
Cadillac
🢒
2001
🢒
DeVille
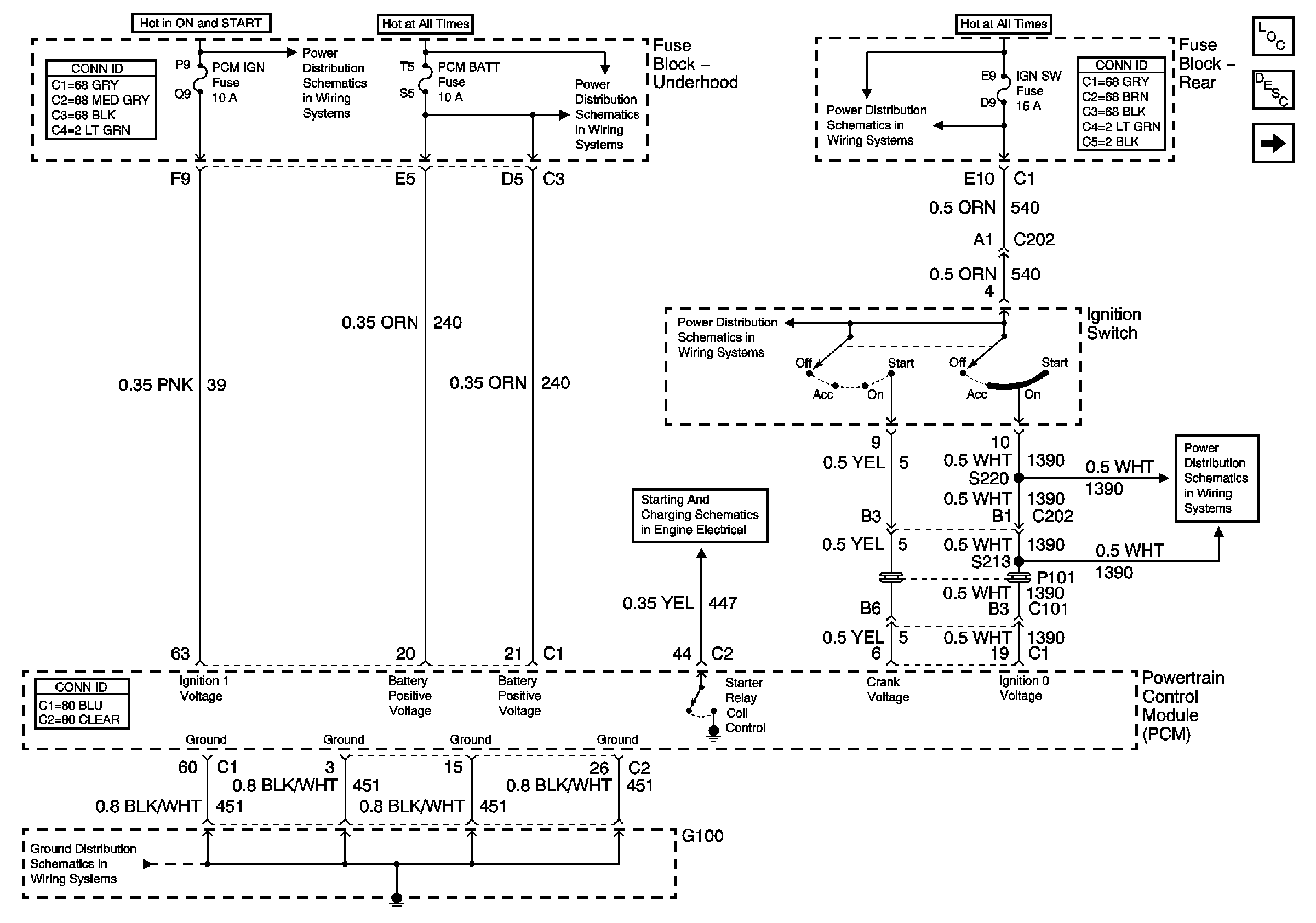
🢒 PCM Power and Grounds
PCM Power and Grounds
PCM Power and Grounds
Master Electrical Component List
Electronic Component Description
ABS/TCC Switch and Transaxle Solenoids
Ignition Switch
RR BLO, RR DR MDL, HVAC, Stop LP, IGN SW, and TSIG/HAZ Fuses
Ignition Switch
Ignition Switch
Starter Solenoid Controls
ALDL, PCM BATT, IP Fuses
DRL, FOG, AC CLU, ACCY, Wiper, Headlamps
G100